EasyManua.ls Logo

Siemens SINUMERIK 880 - Page 78

Siemens SINUMERIK 880
291 pages
Print Icon
To Next Page IconTo Next Page
To Next Page IconTo Next Page
To Previous Page IconTo Previous Page
To Previous Page IconTo Previous Page
Loading...
4 Measuring Cycles for Turning Machines 10.91
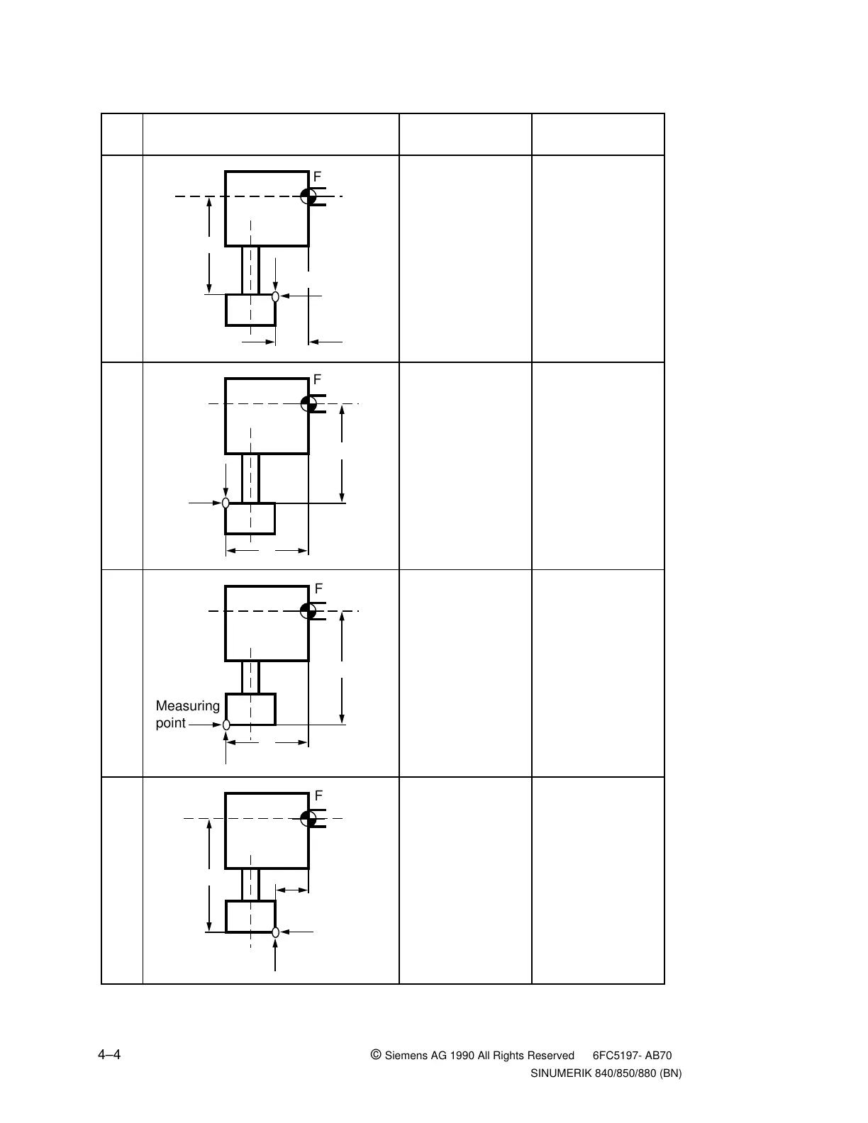
4.1 L972/L982 Tool measurement
Radial tools
Radial tool form
Tool
type
Tool geometry
dimensions
Dimensions
compensated
31
32
33
34
L1, L2,
R=0
L1, L2
L1, L2L1, L2,
R=0
L1, L2,
R=0
L1, L2
L1, L2L1, L2,
R=0
L1
Measuring point
L2
Measuring
point
L2
Measuring point
L1
L1
L2
L1
L2
a
a
a
a
a
a
a
a
a
a
a
a
a
a
a
a
a
a
a
a
a
a
a
a
a
a
a
a
a
a
a
a
a
a
a
a
a
a
a
a
a
a
a
a
a
a
a
a
a
a
a
a
a
a
a
a
a
a
a
a
a
a
a
a
a
a
a
a
a
a
a
a
a
a
a
a
a
a
a
a
a
a
a
a
a
a
a
a
a
a
a
a
a
a
a
a
a
a
a
a
a
a
a
a
a
a
a
a
a
a
a
a
Measuring
point
F
F
F
F
4–4 © Siemens AG 1990 All Rights Reserved 6FC5197- AB70
SINUMERIK 840/850/880 (BN)

Table of Contents

Other manuals for Siemens SINUMERIK 880

Related product manuals