EasyManua.ls Logo

Siemens TUTORbit POL945 - Installation; TutorBit Electrical Connections

Siemens TUTORbit POL945
96 pages
Print Icon
To Next Page IconTo Next Page
To Next Page IconTo Next Page
To Previous Page IconTo Previous Page
To Previous Page IconTo Previous Page
Loading...
8
TUTORBIT
COSMOGAS
4 - INSTALLATION
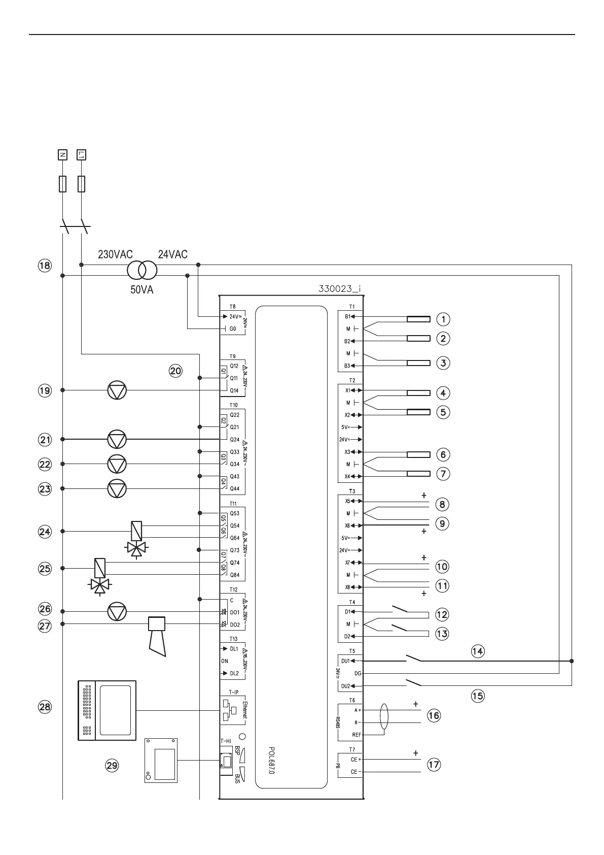
4.1 - TutorBit electrical connections
The TutorBit controller is a system manager able to control:
- until 4 heater modules;
- two heating zones;
- a DHW zone controlled by a temperature sensor (or
alternatively by an ON / OFF thermostat);
- a DHW return zone;
- an alarm output;
- on outdoor sensor;
Figura 4-1 - TutorBit electrical connections
- a DHW enable / disable input;
- Modbus communication to the MYDENS T or AGUADENS
T models heat generators;
- Ethernet communication to PC (WEB Server connection)
and / or communication toward an Internet Cloud;
- KNX communication for room sensor QMX3;
- connection to a remote control POL895;
- until 3 POL 945 expansions (see Section 4.2);
- one POL 955 expansion (see Section 4.3).
In Figure 4-2 you can see the detail of the electrical
connections and in Section 4.21 you can consult some of the
most common systems diagrams.
TutorBit can be installed on a DIN rail and is supplied with
terminals for electrical connections.

Table of Contents

Related product manuals