EasyManua.ls Logo

Simplex 4100U - Acknowledging an Alarm

Simplex 4100U
34 pages
Print Icon
To Next Page IconTo Next Page
To Next Page IconTo Next Page
To Previous Page IconTo Previous Page
To Previous Page IconTo Previous Page
Loading...
TYCO SAFETY PRODUCTS
NEW ZEALAND.
Safety
Products
+64 3 3895938
+64 3 3895096PH:
17 MARY MULLER DRIVE
P.O. BOX 19545
FAX:
tyco
CHRISTCHURCH,
4100U
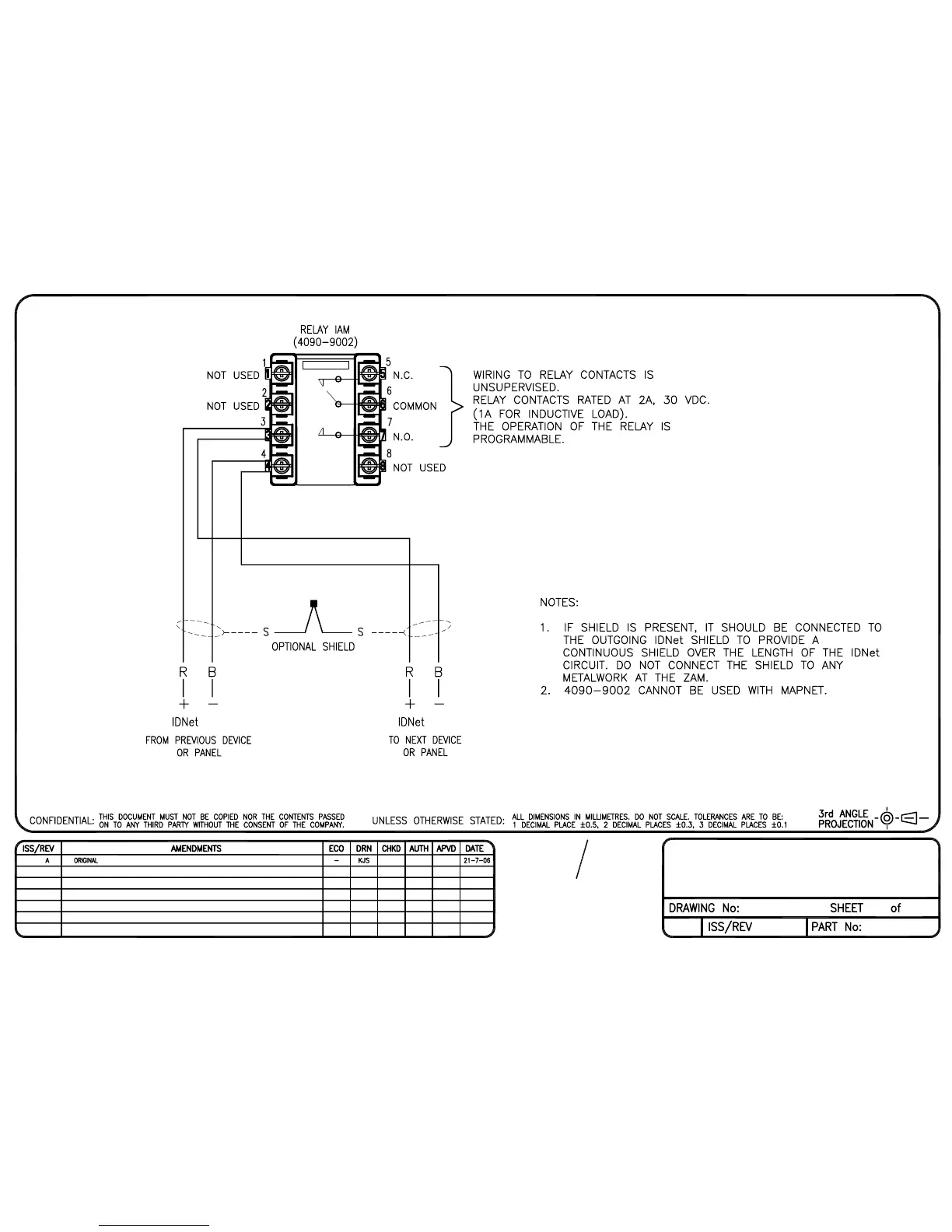
IDNET RELAY IAM (4090-9002)
WIRING DIAGRAM
A3
404 N1976-181
A

Other manuals for Simplex 4100U

Related product manuals