EasyManua.ls Logo

Singer 321C - 3 Mounting and Adjustment Instructions

Singer 321C
59 pages
Print Icon
To Next Page IconTo Next Page
To Next Page IconTo Next Page
To Previous Page IconTo Previous Page
To Previous Page IconTo Previous Page
Loading...
5
High Speed Overlock Machine | Instructions Manual and Parts List
Mounting and Adjustment Instructions
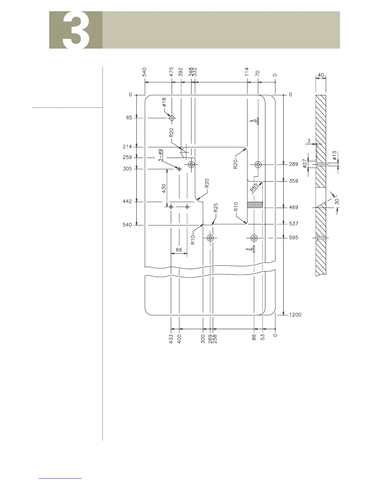
3.1
Table Cut-Out
Diagram
Figure 1

Related product manuals