EasyManua.ls Logo

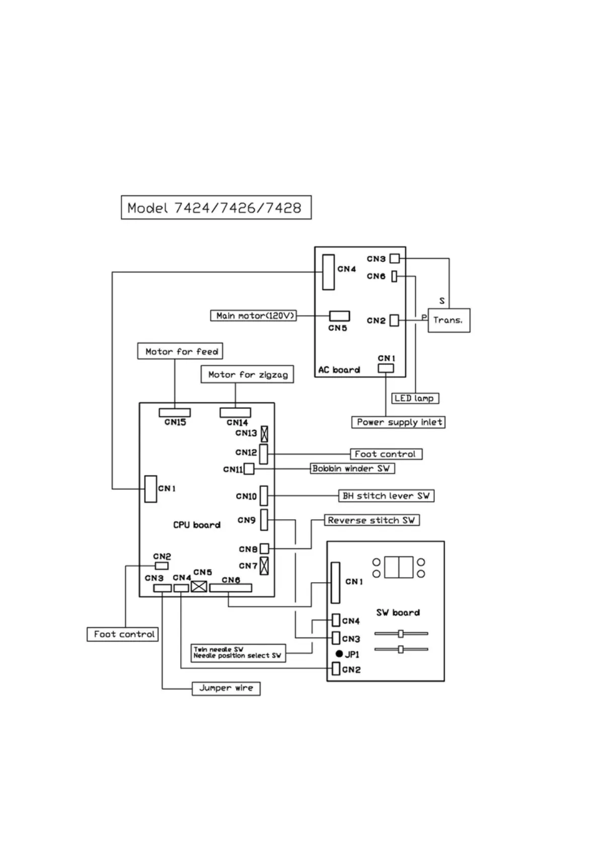
Singer 7464 - Wiring Diagram for Model 7424;7426;7428

Singer 7464
40 pages
Print Icon
To Previous Page IconTo Previous Page
To Previous Page IconTo Previous Page
Loading...
- 40 -

Related product manuals