EasyManua.ls Logo

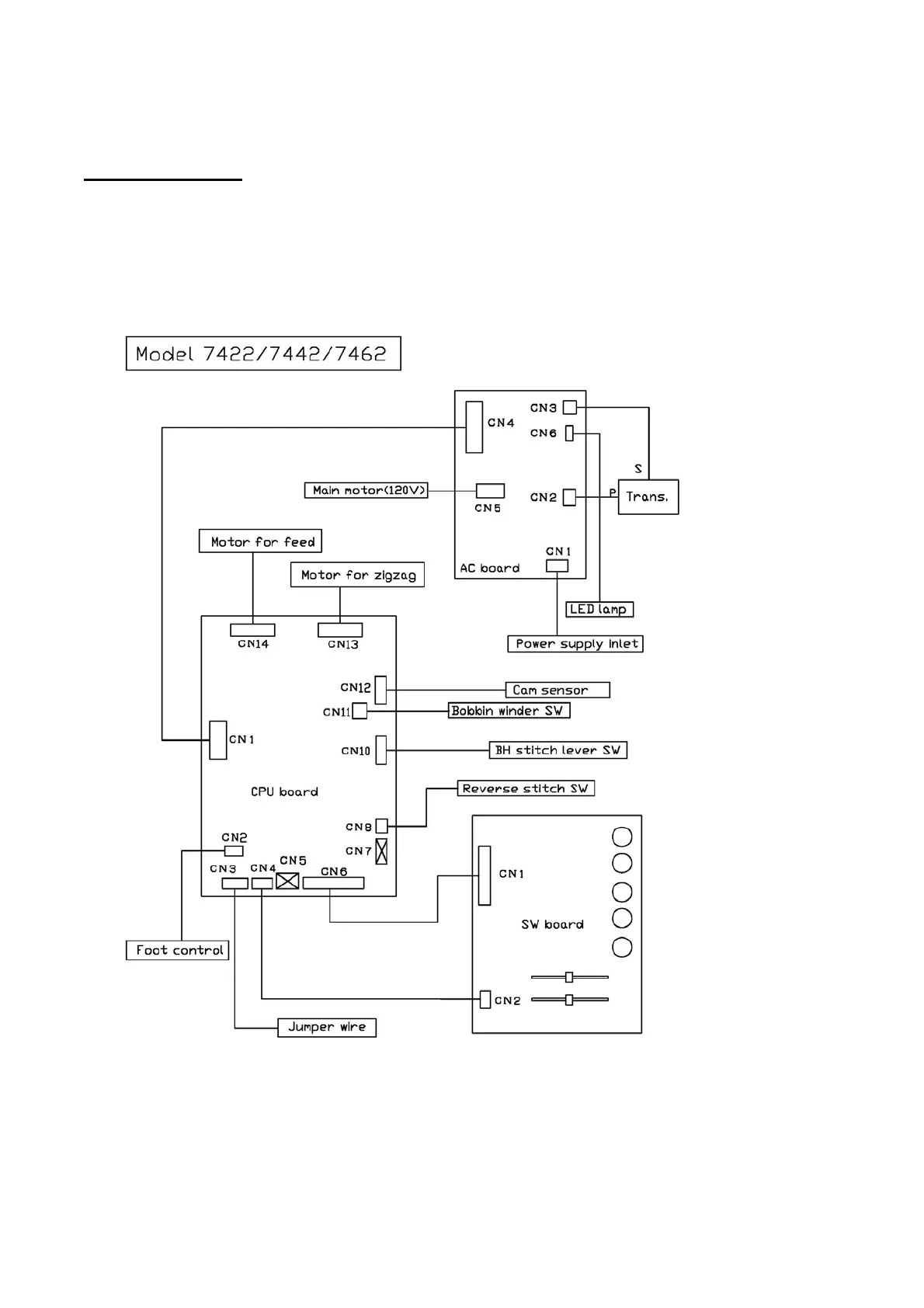
Singer CONFIDENCE 7463 - Wiring Diagrams; Wiring Diagram: Models 7422;7442;7462

Singer CONFIDENCE 7463
59 pages
Print Icon
To Next Page IconTo Next Page
To Next Page IconTo Next Page
To Previous Page IconTo Previous Page
To Previous Page IconTo Previous Page
Loading...
- 54 -
Wiring diagram

Other manuals for Singer CONFIDENCE 7463

Related product manuals