EasyManua.ls Logo

Sinoboom AB520EJ - Hydraulic Schematic Diagram

Default Icon
151 pages
Print Icon
To Next Page IconTo Next Page
To Next Page IconTo Next Page
To Previous Page IconTo Previous Page
To Previous Page IconTo Previous Page
Loading...
© May 2023
68
GTZZ14EJ&16EJ Maintenance Manual
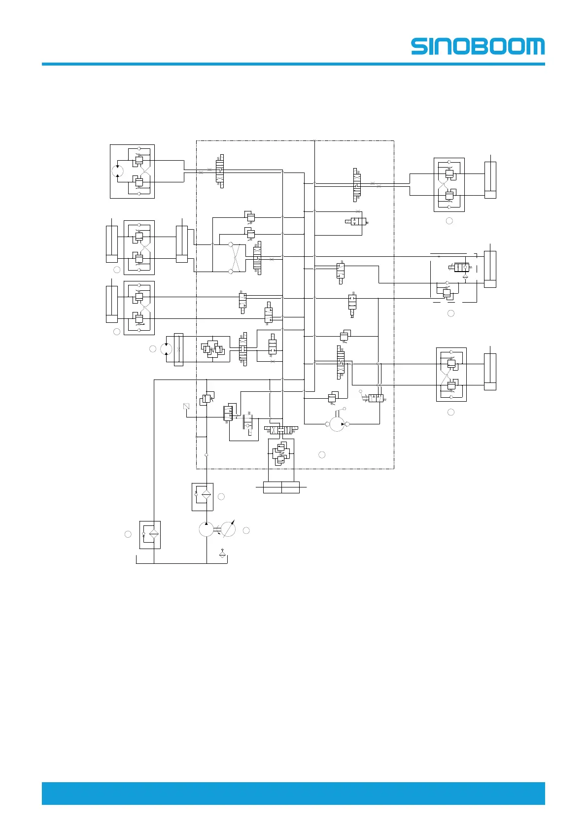
HYDRAULIC SYSTEM
7.9 HYDRAULIC SCHEMATIC
DIAGRAM
Fig 6 Hydraulic Schematic Diagram
Steer cylinder
Platform rotator
Platform level cylinder
Master cylinder
Primary boom
extension cylinder
Turnable rotate
Jib lift cylinder
Primary boom
lift cylinder
Secondary boom
elevate cylinder
Function manifold
T
M
A6
B6
A5
B5
B3
A3
B2
A2
B1
A1
Y7
X6
B4
A4
B7
A7
V2
V1
X
P
A8
B8
M1
P
F
V
ZV
UV
BV
BV
TV
M
DT13
DT14
DT12
DT11
DT8
DT10
DT9
DT1
DT2
DT5
DT6
DT7
DT16
DT15
DT17
DT4
DT3
DT18
M
J
S1
P2
P
d/a

Table of Contents

Other manuals for Sinoboom AB520EJ

Related product manuals