EasyManua.ls Logo

Snapper 422023BVE - Main Case Pt.1

Snapper 422023BVE
60 pages
Print Icon
To Next Page IconTo Next Page
To Next Page IconTo Next Page
To Previous Page IconTo Previous Page
To Previous Page IconTo Previous Page
Loading...
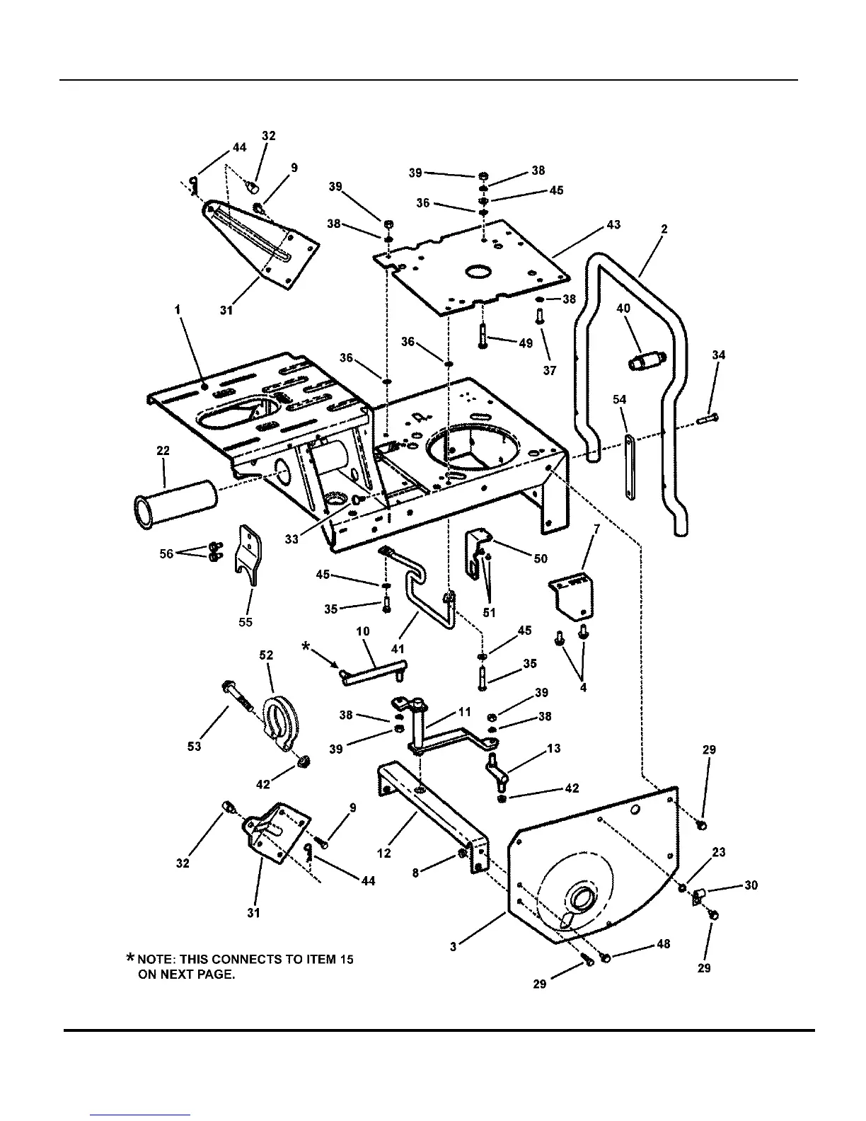
MAIN CASE PT.1
TP 400-5020-4-RE-N
Manual No. 7006154 REAR ENGINE RIDER
SERIES 23
12

Related product manuals