EasyManua.ls Logo

Snapper 422023BVE - Fuel Tank and Operators Seat

Snapper 422023BVE
60 pages
Print Icon
To Next Page IconTo Next Page
To Next Page IconTo Next Page
To Previous Page IconTo Previous Page
To Previous Page IconTo Previous Page
Loading...
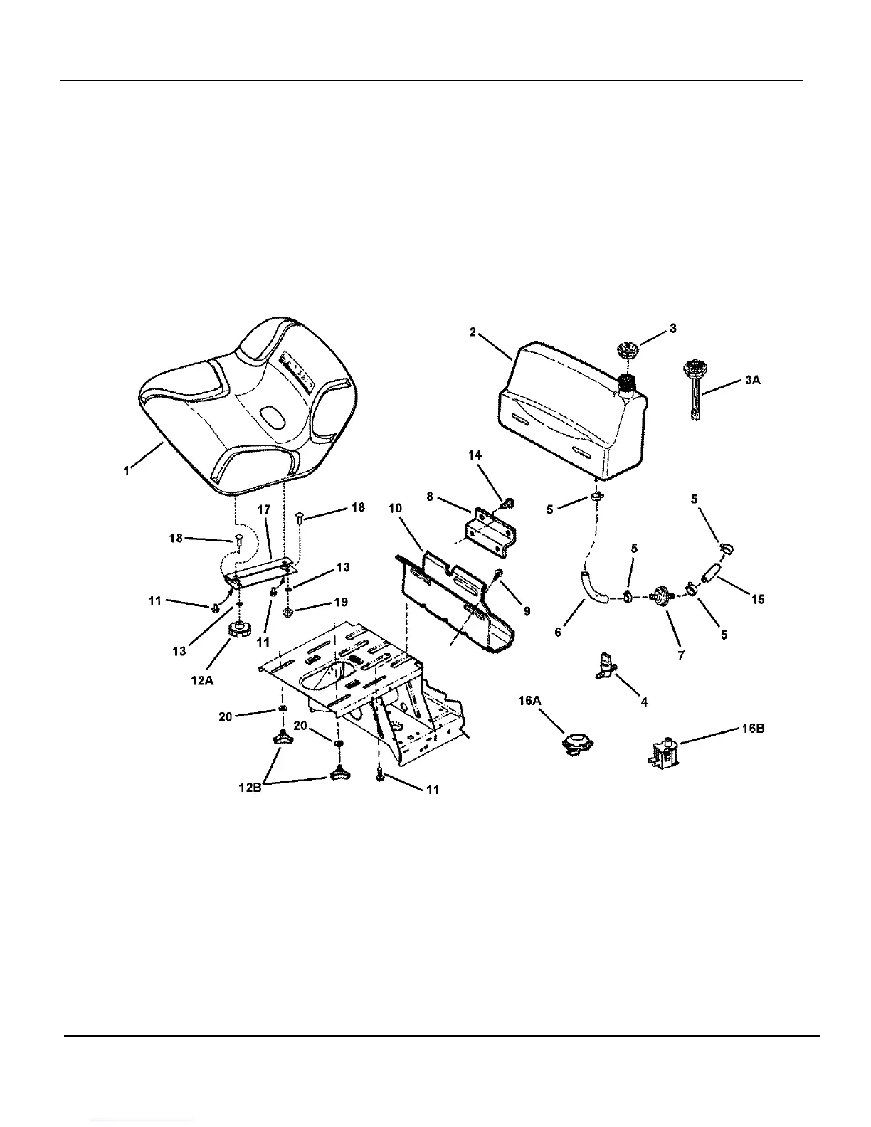
FUEL TANK AND OPERATORS SEAT
TP 400-5020-4-RE-N
Manual No. 7006154 REAR ENGINE RIDER
SERIES 23
26

Related product manuals