EasyManua.ls Logo

Snapper 422023BVE - Smooth Clutch Assembly

Snapper 422023BVE
60 pages
Print Icon
To Next Page IconTo Next Page
To Next Page IconTo Next Page
To Previous Page IconTo Previous Page
To Previous Page IconTo Previous Page
Loading...
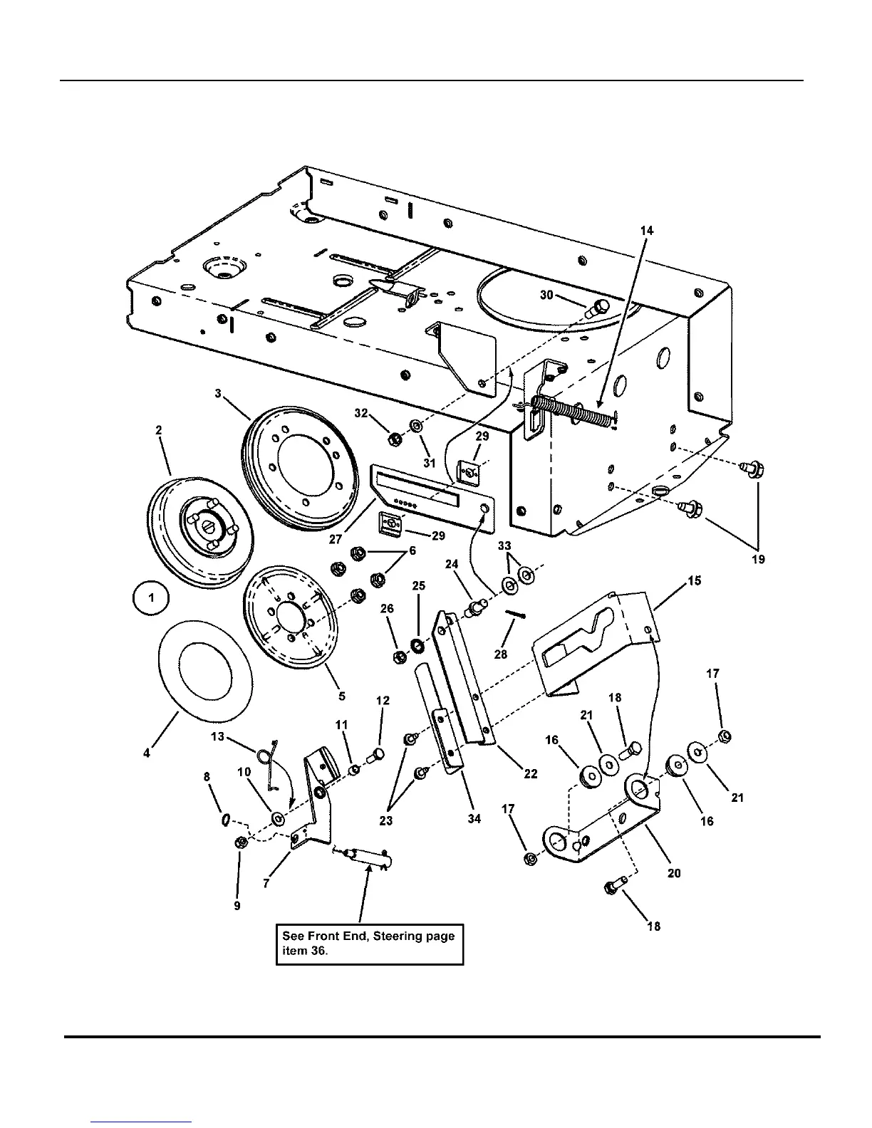
SMOOTH CLUTCH ASSEMBLY
TP 400-5020-4-RE-N
Manual No. 7006154 REAR ENGINE RIDER
SERIES 23
22

Related product manuals