EasyManua.ls Logo

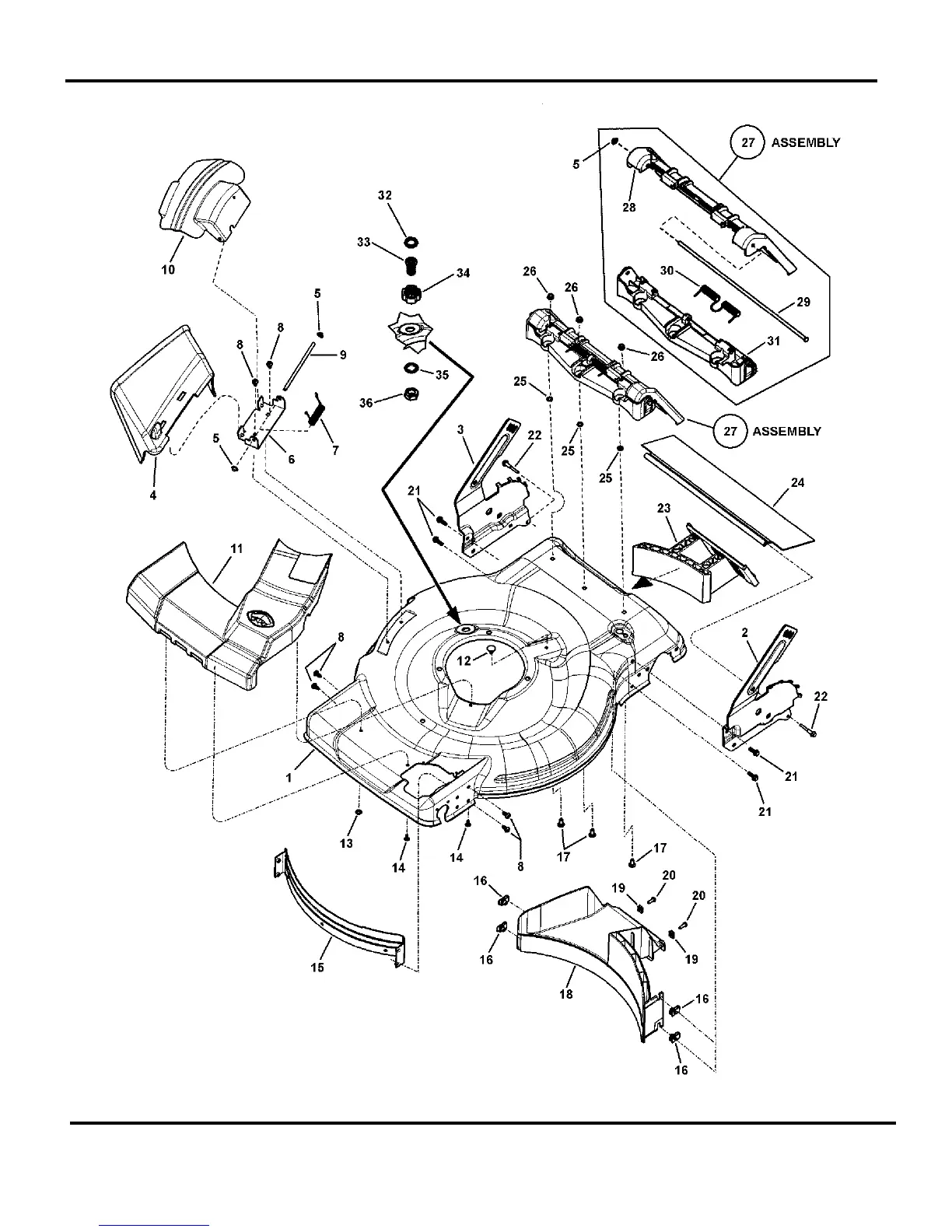
Snapper 7800776 - Mower Deck Group

Snapper 7800776
20 pages
Print Icon
To Next Page IconTo Next Page
To Next Page IconTo Next Page
To Previous Page IconTo Previous Page
To Previous Page IconTo Previous Page
Loading...
Not for
Reproduction
Not for
Reproduction
Manual No.
7104757 22" VARIABLE SPEED HIGH WHEEL
10
Mower Deck Group

Related product manuals