EasyManua.ls Logo

Snapper Lawn Mower Accessory - Page 24

Snapper Lawn Mower Accessory
68 pages
Print Icon
To Next Page IconTo Next Page
To Next Page IconTo Next Page
To Previous Page IconTo Previous Page
To Previous Page IconTo Previous Page
Loading...
24
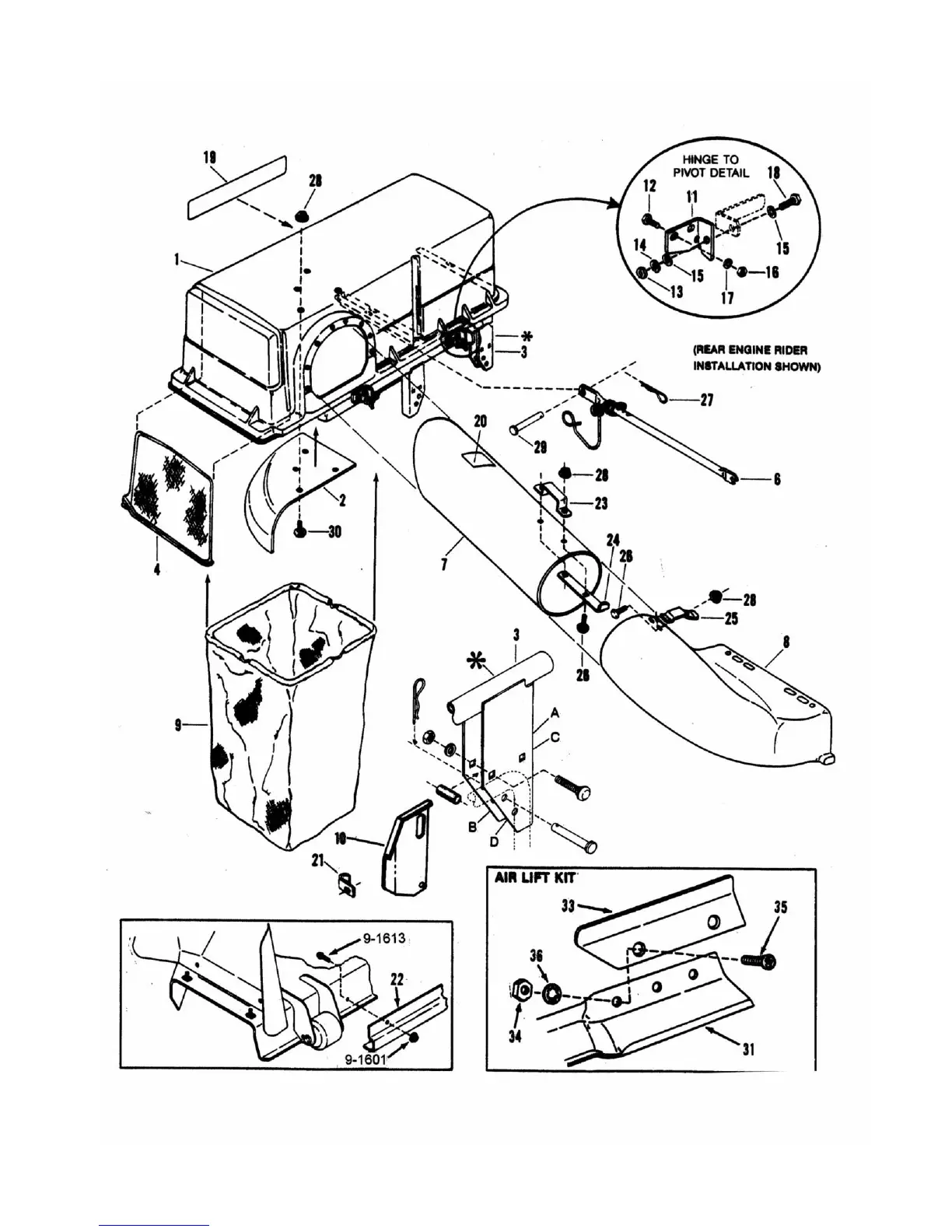
ACCESSORY, 41” TWIN BAG GRASS CATCHER 6-0945
MANUAL No. 06613 LT SERIES (Small Frame)

Related product manuals