EasyManua.ls Logo

Snapper SERIES 19 - Page 18

Snapper SERIES 19
38 pages
Print Icon
To Next Page IconTo Next Page
To Next Page IconTo Next Page
To Previous Page IconTo Previous Page
To Previous Page IconTo Previous Page
Loading...
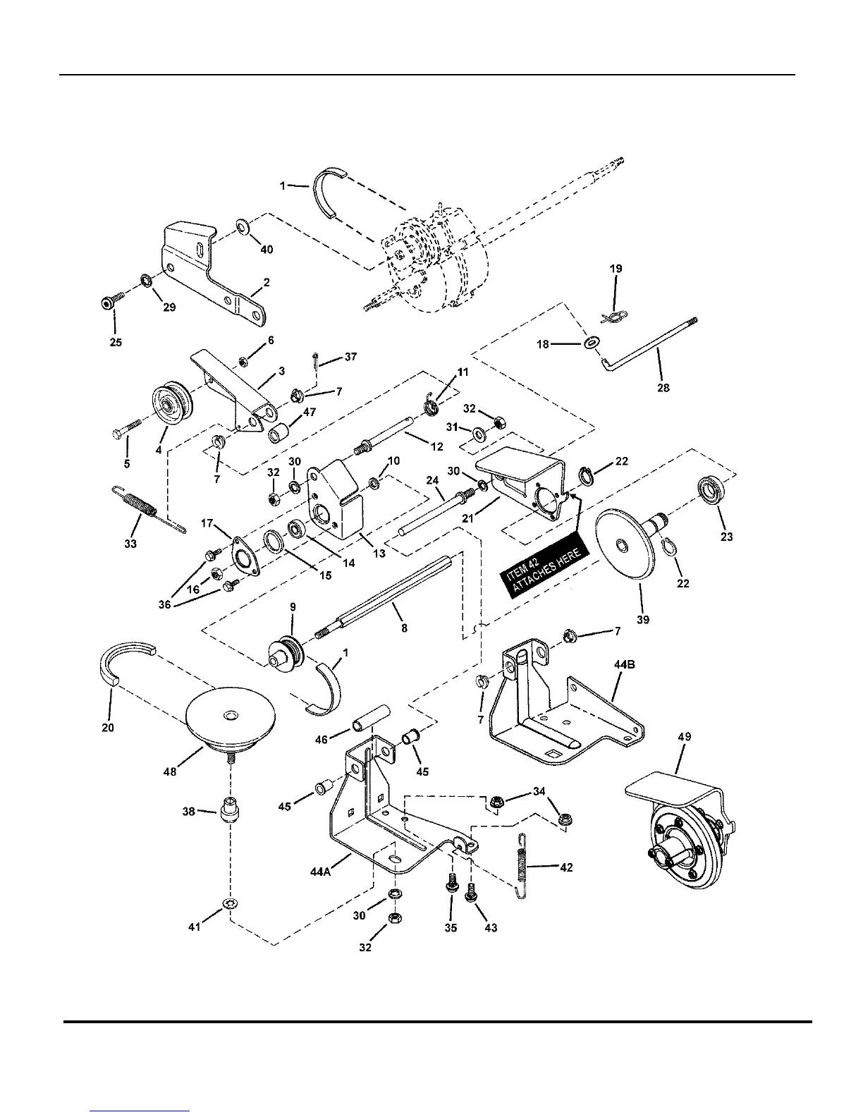
DRIVE SYSTEM SELF-PROPELLED
TP 400-5187-B-WB-N
21" STEEL DECK WALK BEHIND MOWERS
SERIES 19
18
Manual No. 7006149

Related product manuals