EasyManua.ls Logo

Snorkel TM12E - Page 52

Snorkel TM12E
232 pages
Print Icon
To Next Page IconTo Next Page
To Next Page IconTo Next Page
To Previous Page IconTo Previous Page
To Previous Page IconTo Previous Page
Loading...
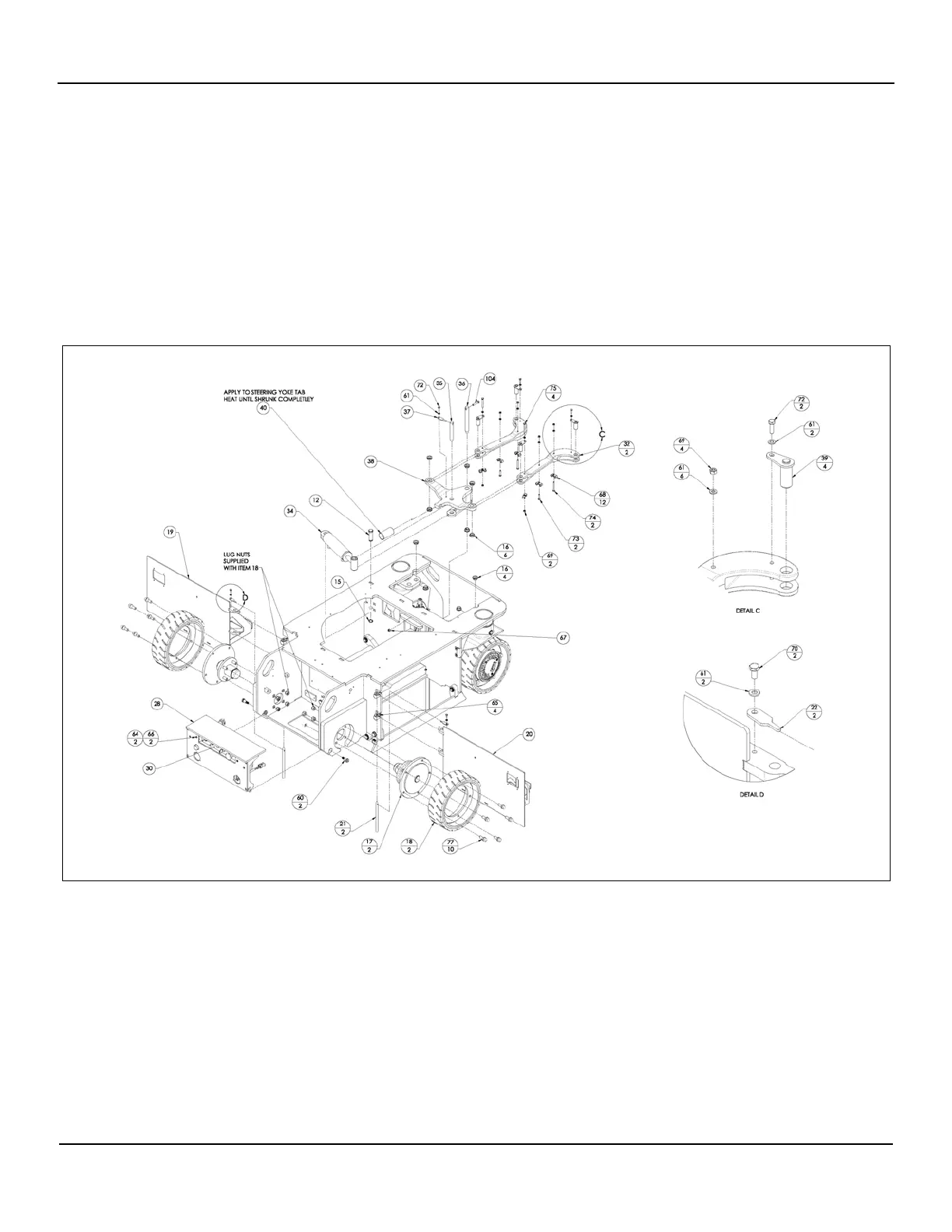
TM12E PARTS MANUAL
CHASSIS TM SEM300 TM SEM300-11-XXXXXX AND AFTER
CHASSIS TM SEM300 TM SEM300-11-XXXXXX AND AFTER
Mon Feb 15 04:09:08 UTC 2021 2-5

Table of Contents

Related product manuals