EasyManua.ls Logo

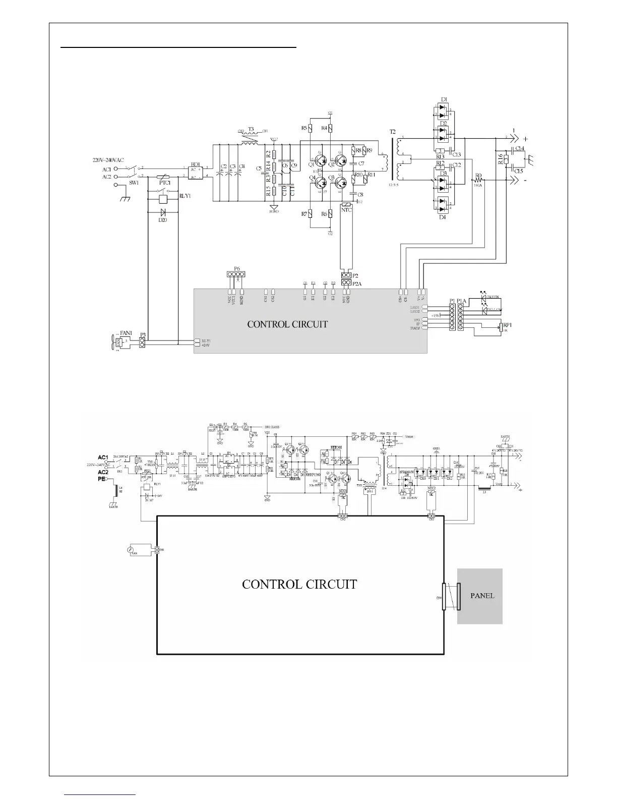
Solter Core 140i - Esquema Eléctrico; Wiring Diagram

Solter Core 140i
Print Icon
To Next Page IconTo Next Page
To Next Page IconTo Next Page
To Previous Page IconTo Previous Page
To Previous Page IconTo Previous Page
Loading...
SOLTER SOLDADURA S.L.
15
ESQUEMA ELÉCTRICO / WIRING DIAGRAM

Related product manuals