EasyManua.ls Logo

SONIX SN32F268 - Block Diagram

Default Icon
141 pages
Print Icon
To Next Page IconTo Next Page
To Next Page IconTo Next Page
To Previous Page IconTo Previous Page
To Previous Page IconTo Previous Page
Loading...
SN32F260 Series
32-Bit Cortex-M0 Micro-Controller
SONiX TECHNOLOGY CO., LTD Page 60 Version 1.5
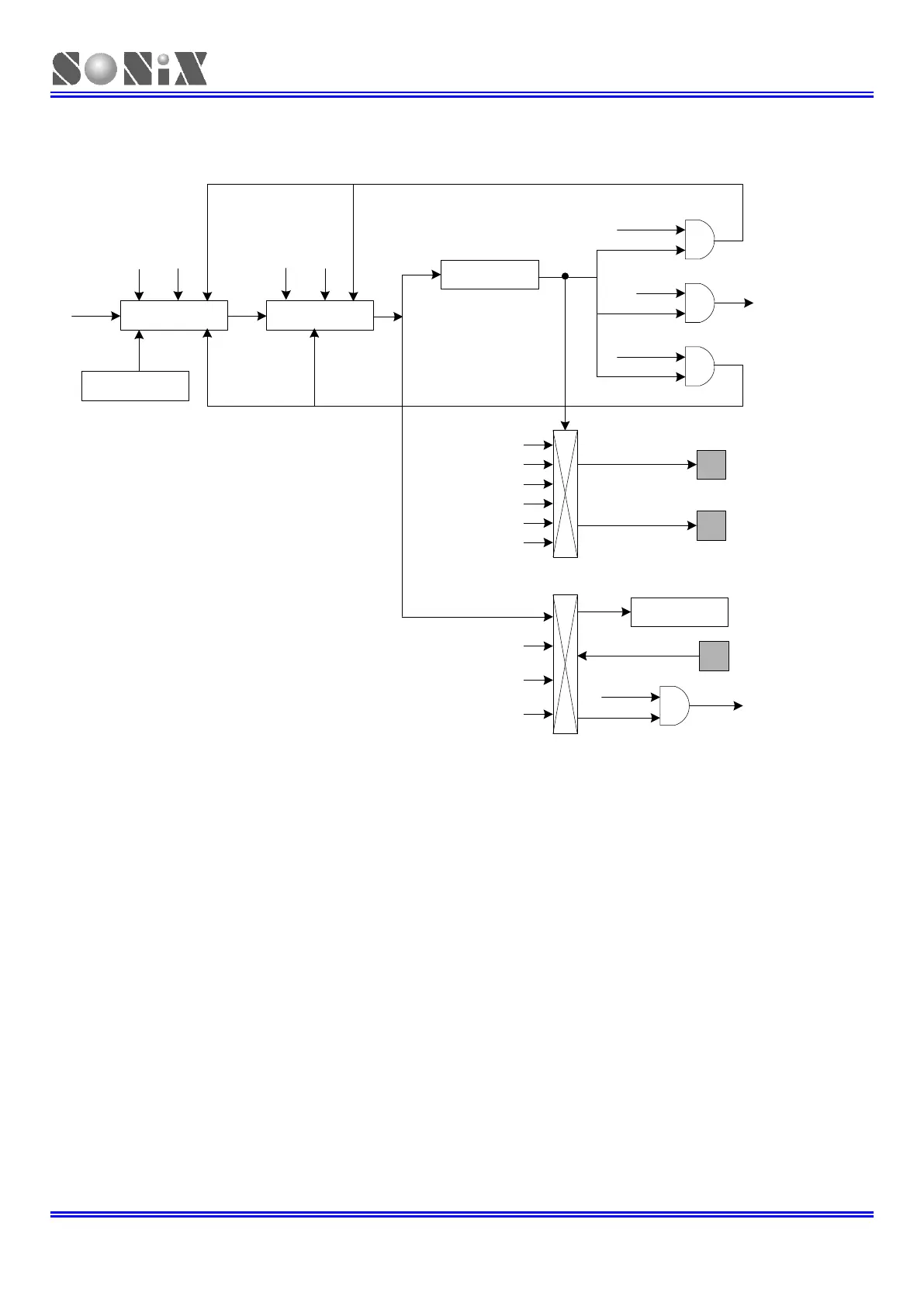
6.4 BLOCK DIAGRAM
CT16Bn_PWMx
STOP
MRx
MRxIF
MRxIE
PCLK
CEN
PC
PRE
TC
CEN
MRx Interrupt
MRxSTOP
STOP
CRST CRST
RESET RESET
MRxRST
CAP0
CAP0EN
CAP0FE
CAP0RE
CAP0IE
CAP0 Interrupt
CT16Bn_CAP0
PWMxEN
PWMxIOEN
EMCx
PWMxMODE
PWMxNIOEN
PWMxNDB
CT16Bn_PWMxN
CAP0IE

Table of Contents

Related product manuals