EasyManua.ls Logo

Sony BVM-1911 - 3-11. Vertical Deflection Output Circuit, Convergence Output Circuit (EB Board)

Sony BVM-1911
275 pages
Print Icon
To Next Page IconTo Next Page
To Next Page IconTo Next Page
To Previous Page IconTo Previous Page
To Previous Page IconTo Previous Page
Loading...
3-11. VERTICAL DEFLECTION OUTPUT CIRCUIT
CONVERGENCE OUTPUT CIRCUIT
(EB BOARD)
3-11-1. Vertical Deflection Output
Venical Deflection Output amplifier is composed of DC coupled
SEPP (single Ended Push Pull) amplifier (Ql-QS) and boost up cir-
cuit.
This boost up circuit contains transistors Q7 and QS to reduce
power con,;umption by applying the voltage to the output tran-
sistor during vertical retrace time.
Both venical rate sawtooth waveform and correction waveform for
top and bottom pincushion are generated in DA board and fed to
output :irnplifier. Vertical centering is performed by changing DC
level of vertical rate sawtooth because Vertical DY ( Deflection
Yoke) is connected to output amplifier directly.
3-11-2. Convergence Yoke Output Circuit
CY (Convergence Yoke) is used for adjusrment of misconvergence
of vertical direcrion. This CY is driven by SEPP (single ended push
pull) amplifier (Q9-Ql3) and connected directly. Correction wave-
form is provided from DB board.
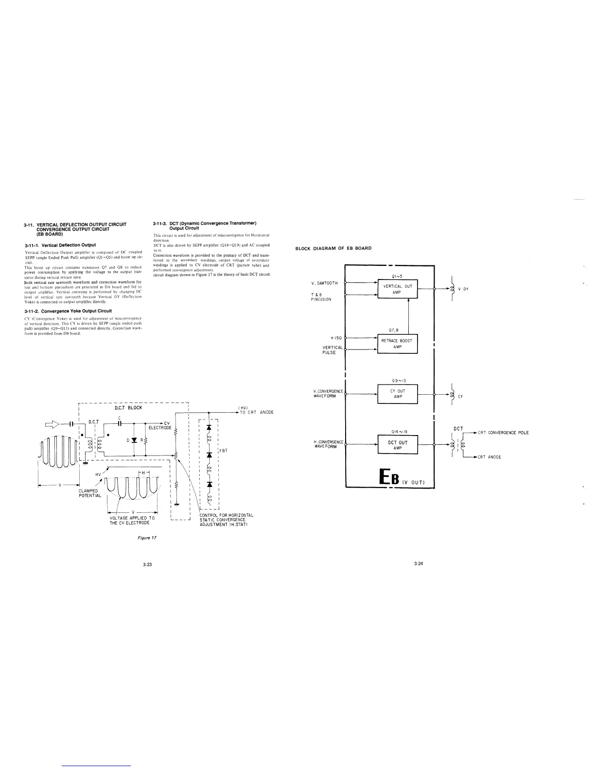
3-11-3. OCT (Dynamic Convergence Transformer)
Output Circuit
This circuit is used for adjustment of misconvergence for Horizontal
dire-ction.
DCT is also driven by SEPP amplifier (Ql4-Ql9) and AC coupled
to it.
Correction waveform is provided to the primary of DCT and trans-
ferred to the secondary windings, output voltage of secondary
windings is applied to CV electrode of CRT (picture tube) and
performed convergence adjustment.
circuit diagram shown in Figure 17 is the theory of basic DCT circuit.
r-- - - - - - - - - - -- - - - -
-----,
I
I
~C~
BLOCK
I
I
C
---11---------cv
I
( HV)
,-----------TO CRT ANODE
D.C.T
I
ELECTRODE
D
R
- - - - - - - - --- - - - - -- --i
HV~
/
CLAMPED
POTENTIAL
Ltv-
voLTAGE APPLIED TO
THE CV ELECTRODE
Figure 17
3-23
I
I
I
I
I
I
I
I
I I
I I
~- -- J
1
FBT
I
\
I :
I I
I I
L- - _J
CONTROL FOR HORIZONTAL
STATIC CONVERGENCE
ADJUSTMENT (H.STATl
BLOCK DIAGRAM OF EB BOARD
V. SAWTOOTH
T & B
PINCUSION
o-
------'._ __ Q_l_-_5___,,---11---n--•1 V DY
VERTICAL OUT
AMP
+ 150
VERTICAL_
PULSE
V. CONVERGENCE
WAVEFORM
H .CONVERGENCE
WAVEFORM
I
07,8
RETRACE BOOST
AMP
09"-'13
CY OUT
AMP
014 rv 19
OCT OUT
AMP
Ee
(V OUT)
-
3-24
I
OCT
1 i c:~~ ::~~:RGENCE POLE

Table of Contents

Related product manuals