EasyManua.ls Logo

Sony CCD-TRV26E - Page 78

Sony CCD-TRV26E
181 pages
Print Icon
To Next Page IconTo Next Page
To Next Page IconTo Next Page
To Previous Page IconTo Previous Page
To Previous Page IconTo Previous Page
Loading...
CCD-TR315E/TR415E/TR425E/TR515E/TR516E/TR713E
CCD-TRV16E/TRV26E/TRV27E/TRV27EP/TRV36E/TRV46E
4-89
4-90
4-91
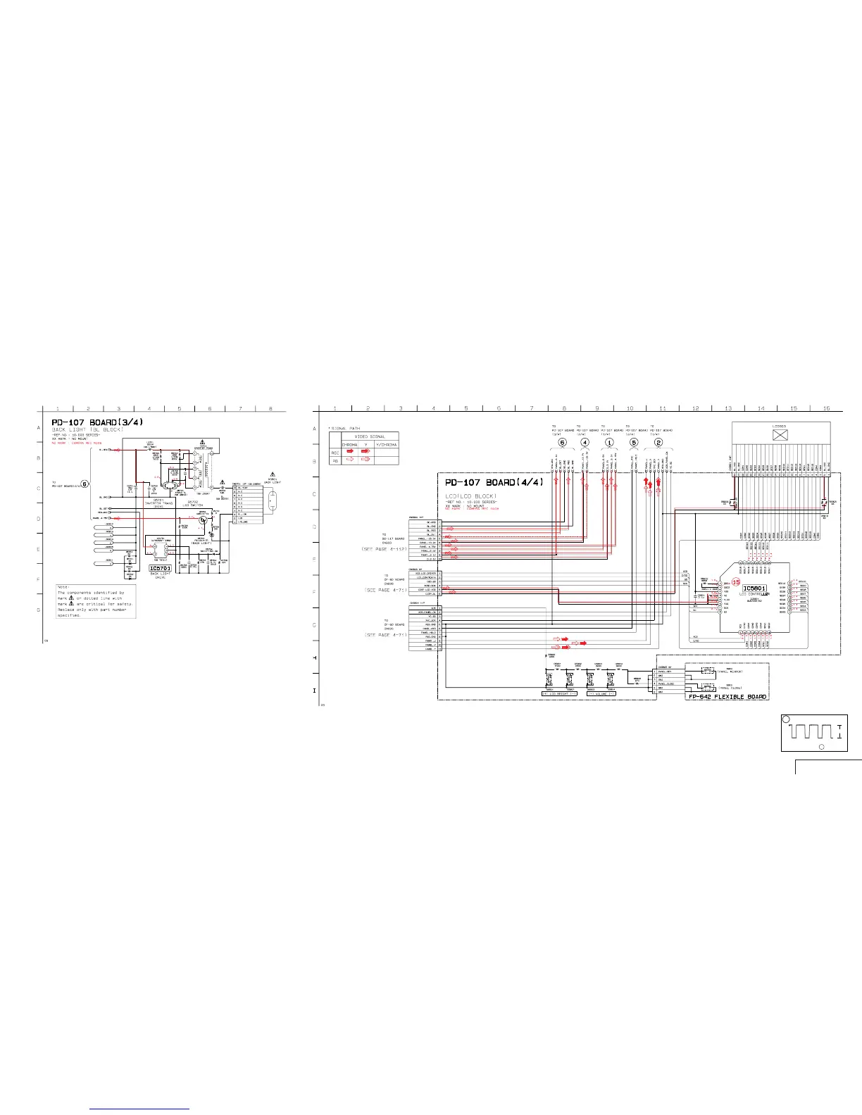
For schematic diagrams.
Refer to page 4–79 for Printed Wiring Board.
For schematic diagrams.
Refer to page 4–79 for Printed Wiring Board.
BACK LIGHT, LCD
PD-107 (3/4, 4/4) (TRV Sereis)
3KV
(TRV SERIES)
TRV SERIES : CCD-TRV16E/TRV26E/TRV27E/TRV27EP/TRV36E/TRV46E
TRV SERIES:CCD-TRV16E/TRV26E/TRV27E/TRV27EP/TRV36E/TRV46E
(TRV SERIES)
PD-107 BOARD (4/4)
CAMERA REC
15
IC5801
2
24.17 kHz
2.9Vp-p

Table of Contents

Related product manuals