EasyManua.ls Logo

Sony CCD-TRV36E - Zoom Lens Block Assembly

Sony CCD-TRV36E
181 pages
Print Icon
To Next Page IconTo Next Page
To Next Page IconTo Next Page
To Previous Page IconTo Previous Page
To Previous Page IconTo Previous Page
Loading...
6-10
Ref. No. Part No. Description Remark Ref. No. Part No. Description Remark
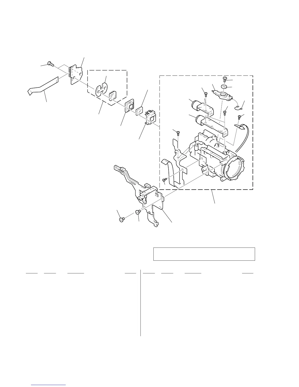
6-1-10. ZOOM LENS BLOCK ASSEMBLY
401 8-848-722-01 DEVICE, LENS LSV-600A (SOC)
402 3-713-791-51 SCREW (M1.7 x 3.5), TAPPING, P2
403 3-713-791-41 SCREW (M1.7 x 5), TAPPING PS
404 3-979-029-01 LEVER, IR
405 2-327-405-01 WASHER
406 2-623-756-21 SCREW (B1.7 x 5), P
407 3-979-037-11 SPRING, RETURN
408 3-978-981-11 ADAPTOR (FK), CCD FITTING
409 1-758-133-21 FILTER BLOCK, OPTICAL
410 3-953-817-01 RUBBER (F), SEAL
411 A-7073-786-A CD-210 (NT) BOARD, COMPLETE (TR series)
411 A-7073-807-A CD-211 (NT) BOARD, COMPLETE (TRV series)
412 1-668-959-11 FP-623 FLEXIBLE BOARD
413 3-987-712-01 FRAME, LENS
414 3-318-203-11 SCREW (B1.7 x 6), TAPPING
415 3-948-339-61 TAPPING
IC401 A-7030-961-A CCD BLOCK ASSY (207 SERVICE)
(Except TR713E/TRV46E)
IC401 A-7030-962-A CCD BLOCK ASSY (243 SERVICE)
(TR713E/TRV46E)
M905 1-763-047-11 MOTOR, FOCUS STEPPING
M906 1-763-046-11 MOTOR, ZOOM STEPPING
415
415
401
402
403
413
408
409
410
411
412
414
IC401
not supplied
M906
M905
405
407
406
402
402
403
404
Be sure to read “Note on the CCD Imager replacement”
on page 4–9 when changing the CCD imager.

Table of Contents

Related product manuals