EasyManua.ls Logo

Sony CCD-TRV36E - Cassette Compartment Assembly

Sony CCD-TRV36E
181 pages
Print Icon
To Next Page IconTo Next Page
To Next Page IconTo Next Page
To Previous Page IconTo Previous Page
To Previous Page IconTo Previous Page
Loading...
6-11
Ref. No. Part No. Description RemarkRef. No. Part No. Description Remark
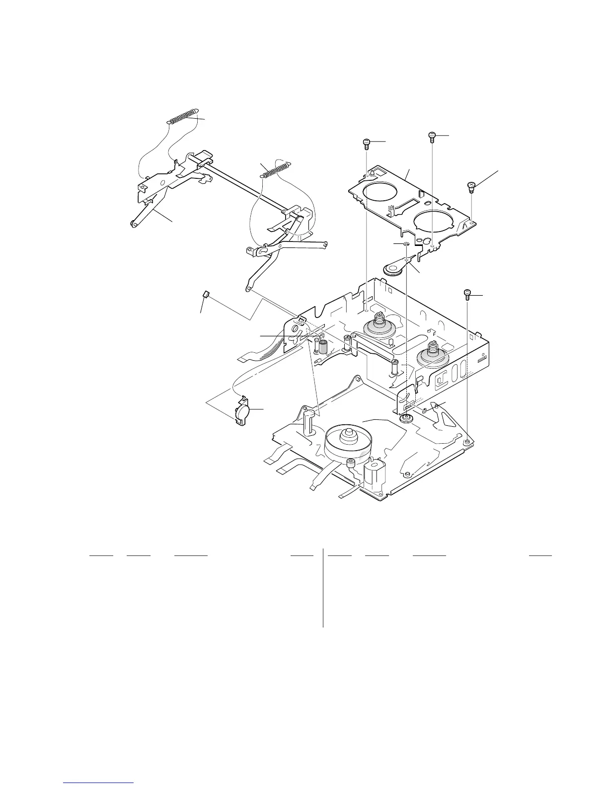
6-1-9. CASSETTE COMPARTMENT ASSEMBLY
707 X-3945-399-1 GEAR ASSY, GOOSENECK
708 3-947-503-01 SCREW (M1.4 x 2.5)
709 3-331-007-21 WASHER
710 3-727-176-01 WASHER, STOPPER
711 3-973-268-01 SPRING, TENSION
712 3-971-076-01 FASTENER, D
701 A-7040-421-A DAMPER ASSY
702 7-624-102-04 STOP RING 1.5, TYPE -E
703 X-3945-400-X CASSETTE COMPARTMENT ASSY
704 3-965-587-03 SPRING, TENSION
705 3-965-584-08 RETAINER, GOOSENECK
706 3-976-055-01 SCREW (M1.4 x 1)
703
704
711
708
705
708
709
707
708
710
701
702
712
706

Table of Contents

Related product manuals