EasyManua.ls Logo

Sony CDP-C75ES - Page 11

Sony CDP-C75ES
26 pages
Print Icon
To Next Page IconTo Next Page
To Next Page IconTo Next Page
To Previous Page IconTo Previous Page
To Previous Page IconTo Previous Page
Loading...
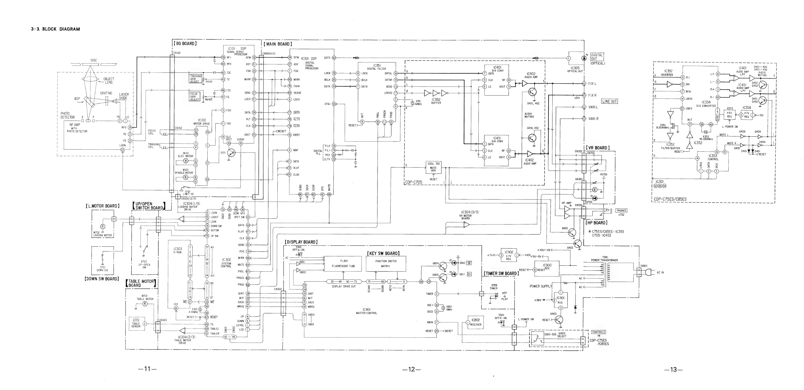
3-3.
BLOCK
DIAGRAM
{
|
OPTICAL
OUT
1C352
IC402
|
a
INVERTER
a
AUDIO
AMP
|
DLI
|
[
BD
BOARD]
|
(
MAIN
BOARD
]
IClOl__
SSP
Lenioe
pada
_[cns001v2)
f4
|
DIGITAL
sas
:
0
(39)
RF
EFM
ra
@)
EFM
ic3Q1
DSP
DOT
@
ied
Caen
oe
y
Xa
re
asy
Gi)-7°
aSY
Siena
|
[
(e401.
Agel
89
|
PROSESSOR
1305
|
nun
oye
0481452
|
HE
ee
me
mn
=
es]
wa
es)
aaliaiiaianiantnatien
——
>
0
>
{
TZC
ia
LRCK
TRACKING
OBJECT
TE
MIRR
(29)—+-0
BCLK
b
ees
ae
TENS
AbJust_|F
Rviol
Ctl
ae
6)
FIXL
-—_}>—)
DRI
IC45h.
--gaoe
l
(76)
CNIN
DATA
Yo
te
ne
AUDIO
AMP
r
>
°
a
46)
FZC
|
Loe
pA
Be
GRATING
ace
|
SENS
Ah.
oe
SENSE
lo
P>-f>-
©)
FIXR
Id
(4)
urexi
R-
|
GAIN
FE
~
|
cain
|
f=
+
—@)
Lock
@)-fe
6)
Lock
yas,
«C352
[LINE
OUT]
C354
:
ae
a
os
XTAI
63)
F
l6MHz
BUEEER
©)
VARIL
:
ois
D/A
CONVERTER
|
I28FS
|
(5)
FEO
|
:
|
|
DATA
(24)—+o
(77)
DATO
AUDIO
|
\/
Eee
Da
sale
|
ae
ee
es
cl
©)
VARIR
I
3
|
DETECTOR
LD
ZN
aoe
xT
@to
(8)
¥LT0
INIT
|
RE
AMP
i
MOTOR
DRIVE
(i)
TAO
vy
ee
ee
_
Pais
re
3)—
G40)
baatwatal
WH
RFO
(16)
ye
|
cnioz
&
|
|
reser
|
|
l
0405
0404
|
PHOTO
DETECTOR
TE
(2)
COIL
QQ
ba
28)
2)
ae
XRST
@5)-+0
(70)
XRST
|
45,1584MH2
ae.
re
®
a
DFCT
STOP
IC352
S
]
LOON
|
Te
EKING
rm
al
6)
FILO
{VR
BOARD
}
FILTER/BUFFER
|
0
Oo
*
3)
DIGITAL]
FIL!
(9)
5th
———4
RESET
(6€)5)
Bl
|
een
pilios
RESET
a
7
=
a
|
el
:
cLTV
Ic402
.
!
T
h
Q351,
352
AUDIO
AMP
>——>—_}o
|
we
,
+
a
:
of}
fm
|
|
|
avo
|
SET
3
ce
|
;
|
RE
C301
CDP-C705
Fo
ty
|
es
,
#
yearns
fa
|
@OB
|
Sen,
ads
ot
fit)
|
|
na
S10
fe
'
|
|
LIMIT
IN
(67)63)—(42)—68)
a
Ce
ye
¥
4
1
—@
|
|
CDP-C75ES/C85ES
|
HP.
AMP
CN702
a
!
UP/OPEN
]
1€304
(1/3)
%
CN354
oh
Lo-
O
[L.MOTOR
BOARD
}
SWITCH
BOARD,
LOADING
MOTOR
o)
ee
Ss
2
°
(8)
LDON
=
¢
UR
MOTOR
>
me
peal
J702
a
(72)
OUT
BB
BOARD
pas
(71)
LDIN
-—b-
[HP
BOARD]
(i
%
C75ES/CB5ES
:
1C355
=
K)
C705
:
IC452
POWER
TRANSFORMER
1
|
3
(74)
DOWN
SW
OUTSW
M702
(76)
LOADING
MOTOR
(75)
UP
SW
7
i
,
~
=
el
i]
I
:
$702
|
UP
—OPEN
$701
|
|
SW
OWN
SW
[DOWN
SW
BOARD]
[ABLE
a
IC
302
SYSTEM
CONTROL
FL80l
FUNCTION
SWITCH
FLUORESCENT
TUBE
MATRIX
AC
IN
BOARD
a
M701
TABLE
MOTOR
IC801
MASTER
CONTROL
OFF<-ON
1:
PowER
ON
IC802
CN303
receiver
TABLE
SENSOR
;
a
Zl
|
0302-305
SIRCS
SELECT
Wy
10304
(2/3)
=
a
L
;
/CBSES
TABLE
MOTOR
|
1
Ri
ee
eee
—13—

Related product manuals