EasyManua.ls Logo

Sony CDP-M7 - Schematic and Wiring Diagrams

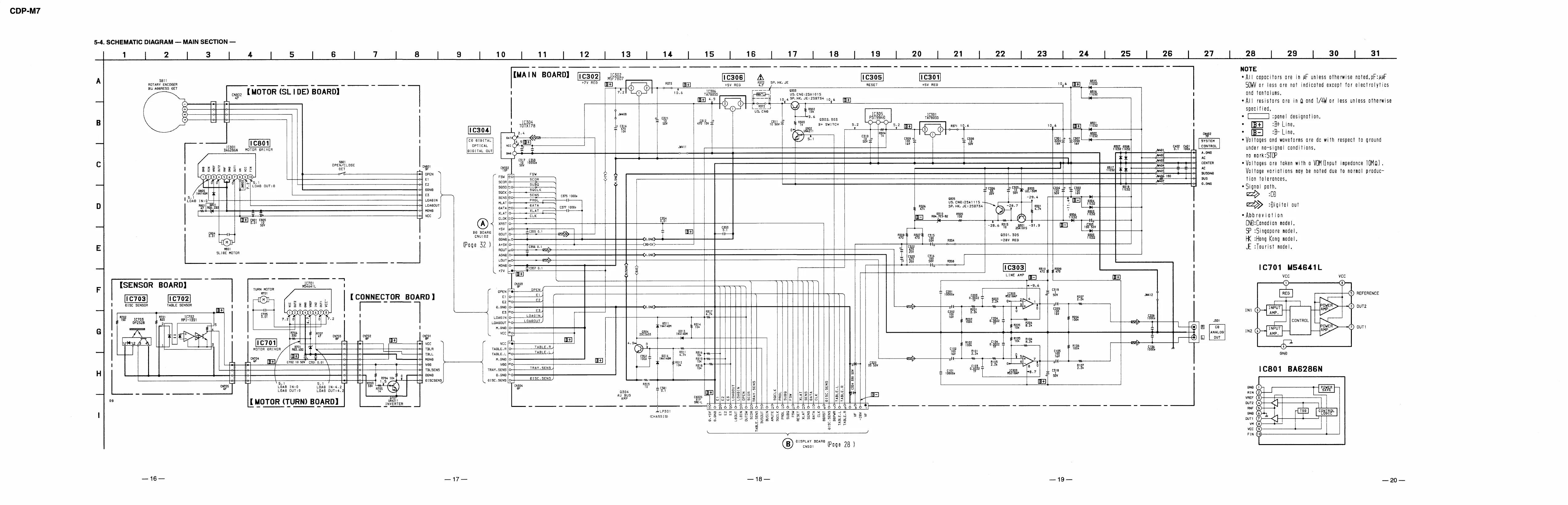
Sony CDP-M7
32 pages
Print Icon
To Next Page IconTo Next Page
To Next Page IconTo Next Page
To Previous Page IconTo Previous Page
To Previous Page IconTo Previous Page
Loading...

Related product manuals