EasyManua.ls Logo

Sony CDP-M7 - 6-3. Mechanism Deck Section Exploded View

Sony CDP-M7
32 pages
Print Icon
To Next Page IconTo Next Page
To Next Page IconTo Next Page
To Previous Page IconTo Previous Page
To Previous Page IconTo Previous Page
Loading...
— 37 —
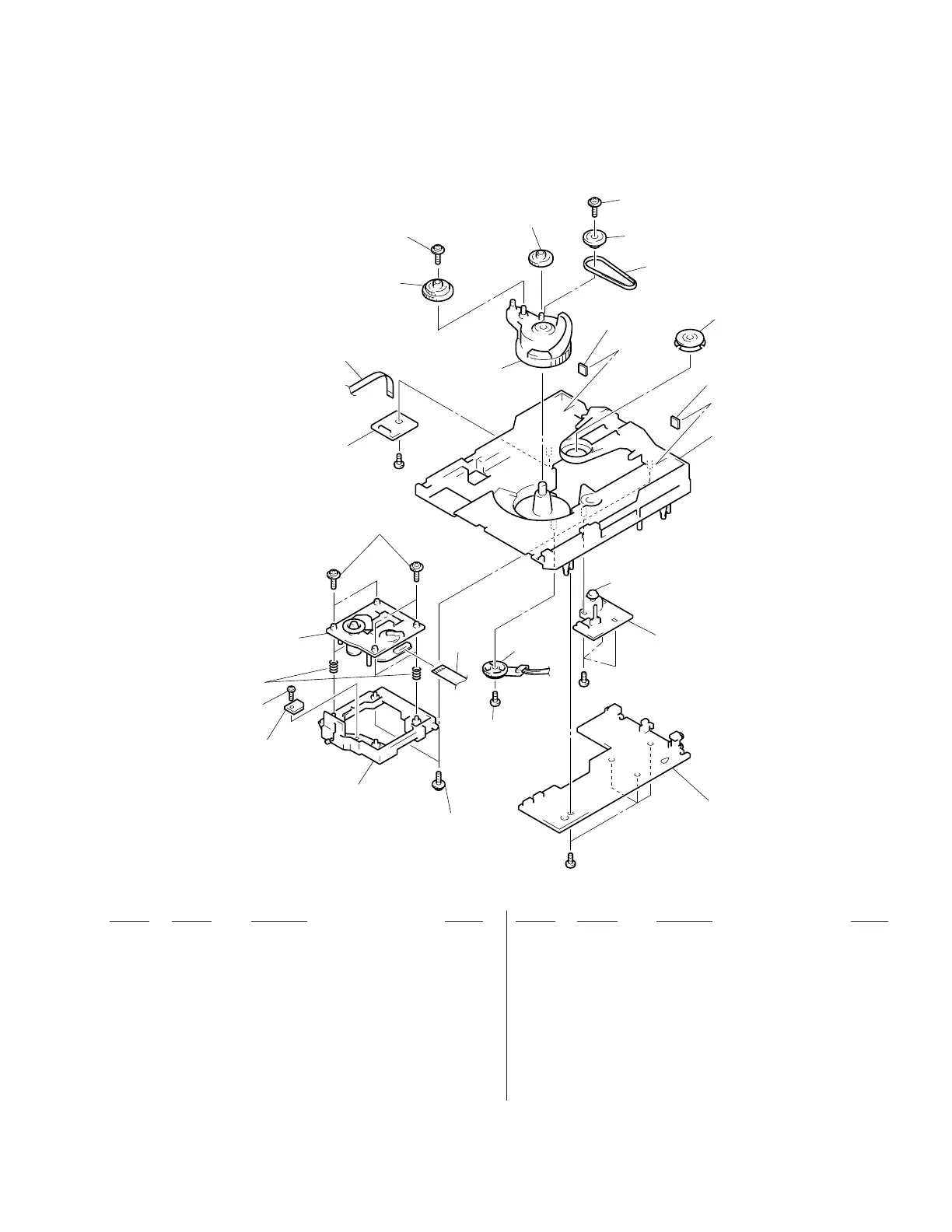
6-3. MECHANISM DICK SECTION (CDM38A-5BD19)
Ref. No. Part No. Description Remark Ref. No. Part No. Description Remark
101 4-917-583-21 BRACKET, YOKE
102 4-977-954-01 PULLEY (SL)
103 4-977-953-01 GEAR (SL-A)
104 4-977-955-01 GEAR (SL-B)
105 4-977-942-01 BELT (SL)(1.4)
106 X-4946-491-1 CAM ASSY, BU
107 1-452-538-11 MAGNET
108 1-776-042-11 WIRE (FLAT TYPE)(8 CORE)
* 109 1-658-479-11 CONNECTOR BOARD
* 110 X-4946-498-1 CHASSIS (CDM) ASSY
111 4-933-134-01 SCREW (+PTPWH M2.6X6)
* 112 1-658-482-11 MOTOR (SLIDE) BOARD
113 X-4946-296-1 HOLDER (BU) ASSY
114 4-951-620-41 SCREW (2.6), +BVTP
115 1-775-173-11 WIRE (FLAT TYPE)(19 CORE)
116 4-982-447-01 SPRING (BU), COMPRESSION
* 117 A-4673-993-A MAIN BOARD, COMPLETE (SP,HK,JE)
* 117 A-4673-997-A MAIN BOARD, COMPLETE (US,CND)
M801 A-4660-926-A MOTOR (CDM) ASSY (SLIDE)
S811 1-473-335-11 ENCODER, ROTARY (BU. TRAY ADDRESS DET)
101
102
103
101
104
106
105
107
108
109
110
111
113
101
117
112
115
114
S811
#3
not supplied
not supplied
#3
#4
116
not supplied
#4
BU-5BD19
M801

Related product manuals