EasyManua.ls Logo

Sony HBD-E190 - Schematic Diagram - MB148 Board (5;9)

Sony HBD-E190
102 pages
Print Icon
To Next Page IconTo Next Page
To Next Page IconTo Next Page
To Previous Page IconTo Previous Page
To Previous Page IconTo Previous Page
Loading...
HBD-E190/E290/E490/E690
HBD-E190/E290/E490/E690
4141
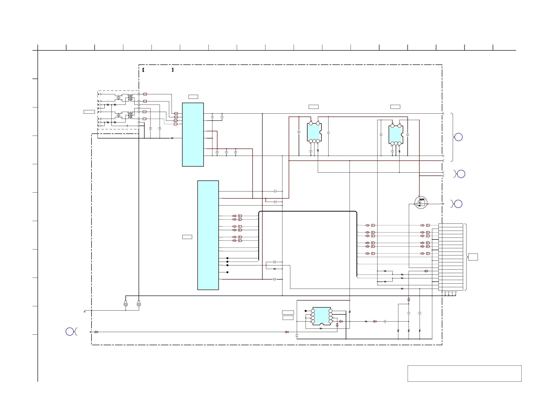
5-12. SCHEMATIC DIAGRAM - MB148 Board (5/9) - • See page 55 for IC Block Diagrams. • See page 61 for IC Pin Function Descriptions.
1
A
B
C
D
E
F
G
H
I
J
K
2 3 4 5 6 7 8 9 10 11 12 13 14 15 16 17
MB148 BOARD (5/9)
5
1.3
6.2
3.3
3.3
1.3
6.2
3.3
2.8
1.6
1.6
3.3
1.7
6.2
3.33.3
1.2V
C802
0.1
C805
0.1
C801
1
C804
1
CN801
8P
1
3
4
5
6
8
2
7
24k
R805
C811
0.1
C812
0.1
C806
0.01
G11
AVDD12_REC
F11
AVSS12_REC
F9
AVDD33_COM
E9
AVSS33_PLL
G9
AVDD33_LD
F13
AVSS33_LD
B5
TXVP_0
A5
TXVN_0
B6
TXVP_1
A6
TXVN_1
B7
REXT
4
3
2
1
5
6
7
8
5
123
4
5
123
4
TX2P
TX2N
TX1P
TX1N
TX0P
TX0N
TCKP
TCKN
HDMISCK
HDMISD
TX2P
TX2N
TX1P
TX1N
TX0P
TX0N
TCKP
TCKN
HDMISCK
HDMISD
GND
22R744
22R743
1.8kR736
1.8kR735
PCONT3
UNSW6V
Q702
BUFFER
INK0001AC1-T112-1
JL701
JL702
JL703
C702 0.1
C723 0.1
C724 0.1
C720
0.22
CONT
GND
VIN
C719
0.01
1k
R738
C717
0.22
3.3V
C5703
0.1
10kR5701
C5701
0.01
IC5702
TC7WHU04FK
220k
R5703
470
R5705
68
R5709
CL5701
C5706
1
68
R5708
47k
R5707
C5705
1
ARC_SPDIF
CEC
JL704
CN701
1
2
3
4
5
6
7
8
9
10
11
12
13
14
15
16
17
18
19
TMDS DATA2 +
TMDS DATA2 SHIELD
TMDS DATA2 -
TMDS DATA1 +
TMDS DATA1 SHIELD
TMDS DATA1 -
TMDS DATA0 +
TMDS DATA0 SHIELD
TMDS DATA0 -
TMDS CLOCK +
TMDS CLOCK SHIELD
TMDS CLOCK -
CEC
RESERVED (ARC)
SCL
SDA
DDC/CEC GND
+5V POWER
HPD
19P
C715
0.22
CONT
GND
NOISE
VIN
VOUT
NOISE
VOUT
1k
R734
C716
0.01
C713
0.22
C5708 0.1
47kR749
C15
AVDD12_HDMI_D
D14
AVDD33_HDMI
E14
AVSS33_HDMI
B13
CH2_P
A13
CH2_M
B14
CH1_P
A14
CH1_M
B15
CH0_P
A15
CH0_M
B16
CLK_P
A16
CLK_M
B20
HDMISCK
B19
HDMISD
C20
HTPLG
A19
CEC
C16
AVDD12_HDMI_C
1k
R5710
3A
1A
GND
2A
3Y1Y
2Y
VCC
EE
PT303
PT304
IC101 (9/12)
*1
IC101
BD DECODER (HDMI)
IC101 (8/12)
*1
IC101
BD DECODER (ETHER)
IC704
TK11133CSCL-G
IC704
+3.3V REG
IC705
TK11150CSCL-G
IC705
+5V REG
(CHASSIS)
LAN (100)
HDMI
OUT ARC
18
MB148 BOARD
(6/9)
(Page 42)
19
MB148 BOARD
(9/9)
(Page 45)
4
MB148 BOARD
(2/9)
(Page 38)
11
MB148 BOARD
(2/9)
(Page 38)
IC5702
WAVE SHAPER
IC B/D
*1 IC101
CXD90008G-AA (EXCEPT SP, TW, TH, CH)
CXD90008G-AB (SP, TW, TH, CH)
Note: IC101 on the MB148 board cannot exchange with single.
When this part is damaged, exchange the complete
mounted board.
Ver. 1.1

Table of Contents

Related product manuals