EasyManua.ls Logo

Sony HBD-E190 - Page 57

Sony HBD-E190
102 pages
Print Icon
To Next Page IconTo Next Page
To Next Page IconTo Next Page
To Previous Page IconTo Previous Page
To Previous Page IconTo Previous Page
Loading...
HBD-E190/E290/E490/E690
57
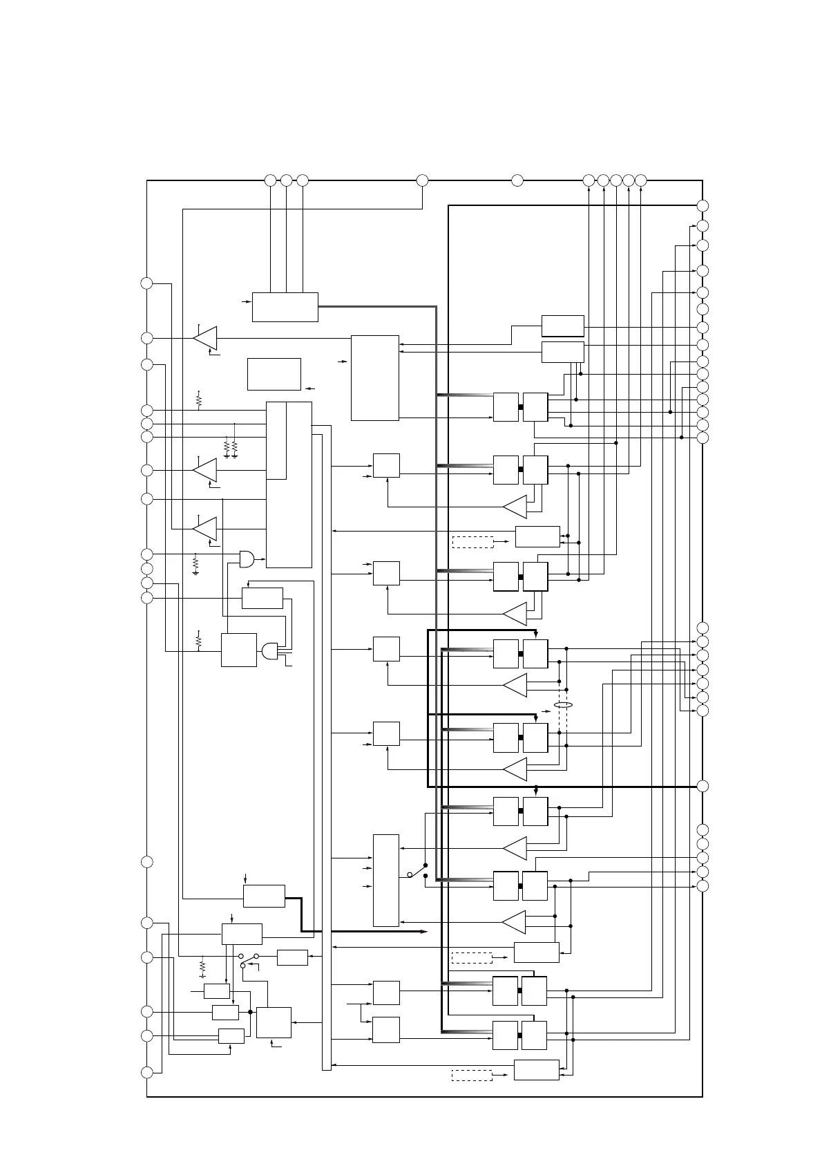
IC1201 TPIC2050RDFDRG4 (MB148 BOARD (8/9))
11GPOUT
12XFG
13RDY
14SSZ
15SCLK
16SIMO
17SOMI
18SIOV
19XRSTIN
20TEST1
21VLDDIN
22CV3P3
23AGND/DGND
24A9P5V
25ILDD_BD
26ILDD_DVD
27ILDD_CD
28CA5V
56 P5V_2
10 CP3
9CP2
8CP1
7 C10V
6 PGND_2
5 SLED2_N
4 SLED2_P
3 P12V_3
2 SLED1_N
1 SLED1_P
55 STP2_N
54 STP2_P
53 STP1_N
52 STP1_P
51 AGND
50 ISENSE
49 MCOM
48 ICOM2
47 W
46 P12V_2
45 V
44 ICOM1
43 U
42 P12V_1
41 PGND_1
40 FCS_N
39 FCS_P
38 TRK_N
37 TRK_P
36 TLT_P
35 TLT_N
34 P5V_1
31 P5V12L
32 TEST2
33 TEST3
30 LOAD_N
29 LOAD_P
SPM Logic
DAC PWM
DAC
PWM
DAC
PWM
DAC
PWM
TRK_ENA
LOAD_ENA
STP_ENA
On chip
thermometer
XSLEEP
19V
TEMPMON_ENA
SIOV
200k
LDD_AMODE
LD
select
LDD_MSEL
P12V
P5V
200k
int 3.3V
Regulator
A5V
P12V
P5V
200k
33k
DIFF_TLT
F/B
F/B
Analog
5V
V/I
DAC
PWM
DAC
PWM
DAC
PWM
DAC
PWM
BEMF
detector
SPM
Current limit
SLED END
detection
ENDDET
pre-
driver
power
FET
pre-
driver
power
FET
pre-
driver
power
FET
SIOV
SOMI_HIZ
SIOV
XSLEEP
SIOV
GPOUT_ENA
SIOV
SLD_ENA
TLT_ENA
SLD_ENA
SPM_ENA
power
monitor
F/B
F/B
TRAY Lock
detection
ENDDET
STEP END
detection
ENDDET
F/B
pre-
driver
power
FET
F/B
pre-
driver
power
FET
DAC
int 10V
Regulator
SPI I/F
Digital core
V/I
V/I
pre-
driver
power
FET
pre-
driver
power
FET
pre-
driver
power
FET
Charge
pump
pre-
driver
power
FET

Table of Contents

Related product manuals