EasyManua.ls Logo

Sony HBD-E290 - Page 56

Sony HBD-E290
102 pages
Print Icon
To Next Page IconTo Next Page
To Next Page IconTo Next Page
To Previous Page IconTo Previous Page
To Previous Page IconTo Previous Page
Loading...
HBD-E190/E290/E490/E690
56
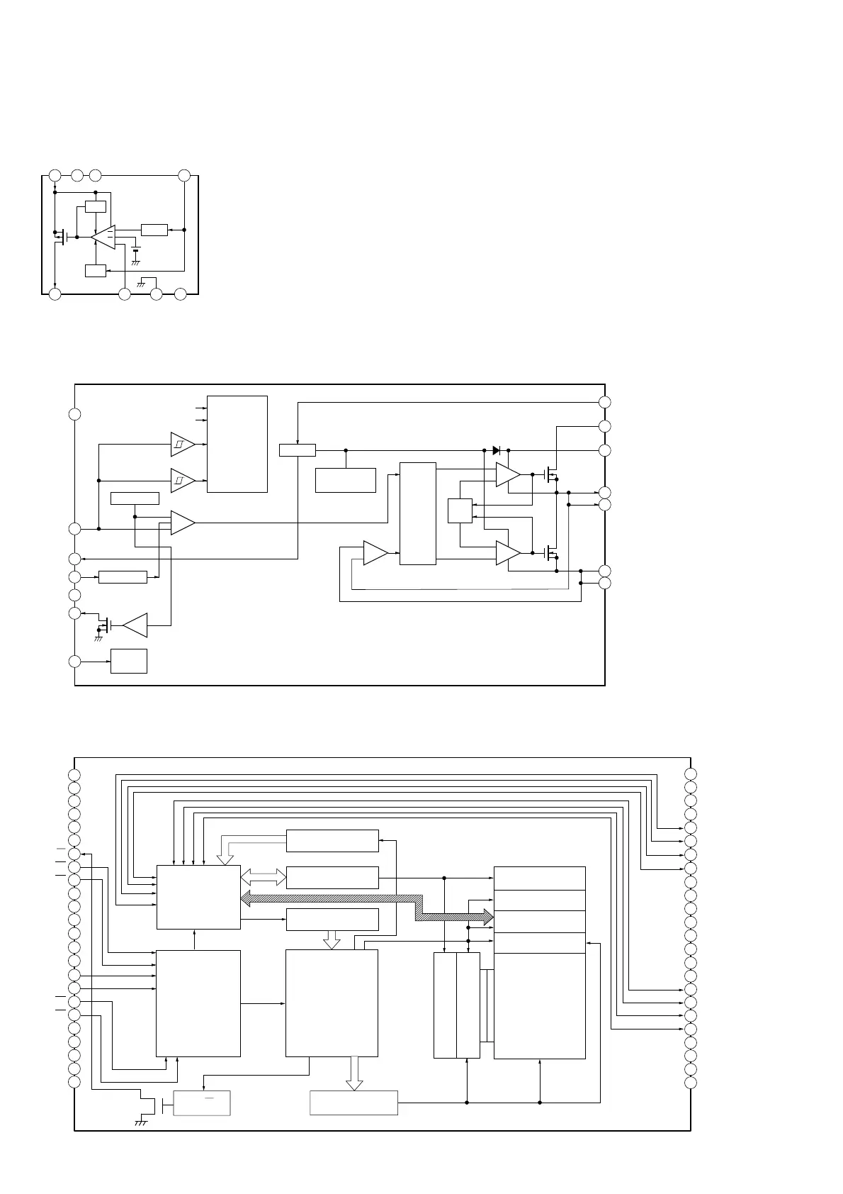
IC308 TPS54225PWPR (MB148 BOARD (2/9))
IC501 TC58NVG1S3ETA00B3Q (MB148 BOARD (3/9))
IC501 H27U2G8F2CTR-BCR (MB148 BOARD (3/9))
IC3501 BD00GC0WEFJ-SE2 (AMP BOARD (1/3))
IC5302 BD00GC0WEFJ-SE2 (MB148 BOARD (2/9))
578
2
1 3
VOUT
FB
GND
4
N.C.
VCC
N.C.
6
N.C.
EN
+
SOFT
TSD
OCP
VFB
2
VREG5
3
VO
1
14 VCC
13 VIN
UNDERVOLTAGE
LOCKOUT
EN
LOGIC
PROTECTION
LOGIC
12 VBST
11 SW2
10 SW1
9 PGND2
8 PGND1
+
+
REFERENCE
SOFTSTART
VREG5
+
SS
4
GND
5
PG
6
EN
7
UVLO
TSD
XCON
CONTROL
ROGIC
PWM
OCP
48 NC
47 NC
46 NC
45 NC
44 IO8
43 IO7
42 IO6
41 IO5
40 NC
39 NC
38 NC
37 VCC
36 VSS
35 NC
34 NC
33 NC
32 IO4
31 IO3
30 IO2
29 IO1
28 NC
27 NC
26 NC
25 NC
1NC
2NC
3NC
4NC
5NC
6NC
10NC
11NC
12VCC
13VSS
14NC
15NC
16CLE
17ALE
20NC
21NC
22NC
23NC
24NC
7RY / BY
8RE
9CE
18WE
19WP
I/O
Control circuit
Status register
Address register
Command register
Logic control
Control circuit Memory cell array
Sense amp
Data register
Column decoder
Column buffer
Row address buffer decoder
Row address decoder
HV generator
RY/BY

Table of Contents

Related product manuals