EasyManua.ls Logo

Sony HBD-E870 - MB-134 Board Schematic (5;13)

Sony HBD-E870
114 pages
Print Icon
To Next Page IconTo Next Page
To Next Page IconTo Next Page
To Previous Page IconTo Previous Page
To Previous Page IconTo Previous Page
Loading...
HBD-E370/E470/E570/E870/T57
HBD-E370/E470/E570/E870/T57
3939
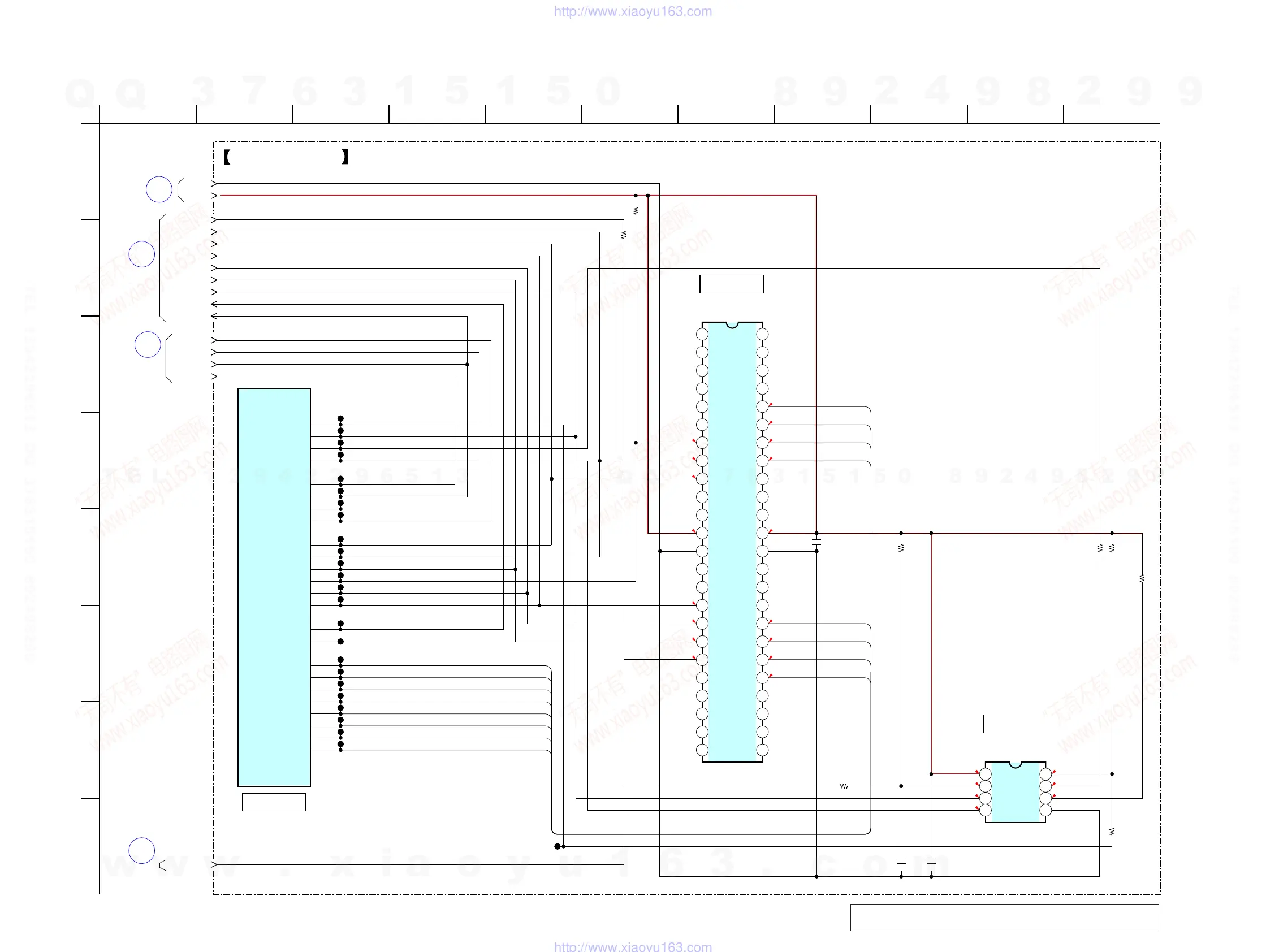
• See page 77 for IC Pin Function Description.
5-11. SCHEMATIC DIAGRAM - MB-134 Board (5/13) -
Note: IC101, IC501 and IC502 on the MB-134 board cannot exchange with sin-
gle. When these parts are damaged, exchange the entire mounted board.
(3/13)
MB-134
23
BOARD
BOARD
(10/13)
2
MB-134
BOARD
(12/13)
1
MB-134
BOARD
MB-134
3
(13/13)
3.3
3.3
3.3
3.3
0
3.3
3.3
0
0
0
0
0
3.3
0
0
0
0
3.3
3.3
0
0
3.3
1.2
3.3
0.1
C504
3.3VA
GND
0.1
C506
CPU_SFCK
10k
R530
47
R528
R529
10k
R531
0
JL507
JL511
JL508
JL512
JL509
JL513
JL510
JL514
JL516
JL517
JL518
JL519
JL520
JL521
JL522
JL524
JL523
JL525
3.3k
R523
CPU_PRERST
JL515
CPU_XRST
0
R516
8
7
6
54
3
2
1
MX25L1605DM2I-12G
IC502
S
Q
W/Vpp
VSSD
C
HOLD
VCC
JL501
JL502
JL503
JL504
JL505
JL506
100k
R526
0.1
C505
R525
0
CPU_NFCEN2
FE_SFCLK
FE_SFDI
FE_SFCS
FE_SFDO
FE_SFDI
CPU_NFCEN
CPU_NFWEN
CPU_NFREN
CPU_NFALE
CPU_NFCLE
48
43
6
5
46
4
3
2
1
47
45
44
42
41
37
38
39
40
12
10
11
9
8
7
36
31
32
33
34
35
18
17
16
15
14
13
30
29
28
27
26
2524
23
22
21
20
19
K9GAG08U0D-PCB0T
IC501
NC
NC
NC
NC
NC
NC
RY/XBY
XRE
XCE
NC
NC
Vcc
Vss
NC
NC
CLE
ALE
XWE
XWP
NC
NC
NC
NC
NC NC
NC
NC
NC
IO1
IO2
IO3
IO4
NC
NC
NC
Vss
Vcc
NC
NC
NC
IO5
IO6
IO7
IO8
NC
NC
NC
NC
IC101
SFCS
J39
SFCK
G41
SFDI
H40
SFDO
F42
FESFCK
D4
FESFDI
C3
FESFDO
A1
FESFCS
B2
NFCEN
M38
NFREN
M36
NFWEN
G43
NFRBN
P38
NFALE
L37
NFCLE
K38
NFCEN2
L39
NFRBN2
P36
NFD0
H42
NFD1
J41
NFD2
J43
NFD3
K40
NFD4
K42
NFD5
L41
NFD6
L43
NFD7
M40
CPU_NFD[2]
CPU_NFD[3]
CPU_NFD[4]
CPU_NFD[5]
CPU_NFD[6]
CPU_NFD[7]
CPU_NFD[1]
CPU_NFD[0]
CPU_NFD[2]
CPU_NFD[1]
CPU_NFD[0]
CPU_NFD[3]
CPU_NFD[4]
CPU_NFD[6]
CPU_NFD[5]
CPU_NFD[7]
(5/13)
MB-134 BOARD
NAND FLASH
IC501
SERIAL FLASH
IC502
(5/15)
(Chip Size Package)
BD DECODER
CXD9984GG (E370: CND, AEP, UK/E870)
IC101
CSP
CXD9983GG (E370: US/E470/E570/T57)
E
113
D
F
8
G
7
A
109
C
4
H
26
B
51
(Page 37)
(Page 44)
(Page 46)
(Page 47)
w
w
w
.
x
i
a
o
y
u
1
6
3
.
c
o
m
Q
Q
3
7
6
3
1
5
1
5
0
9
9
2
8
9
4
2
9
8
T
E
L
1
3
9
4
2
2
9
6
5
1
3
9
9
2
8
9
4
2
9
8
0
5
1
5
1
3
6
7
3
Q
Q
TEL 13942296513 QQ 376315150 892498299
TEL 13942296513 QQ 376315150 892498299
http://www.xiaoyu163.com
http://www.xiaoyu163.com

Table of Contents

Related product manuals