EasyManua.ls Logo

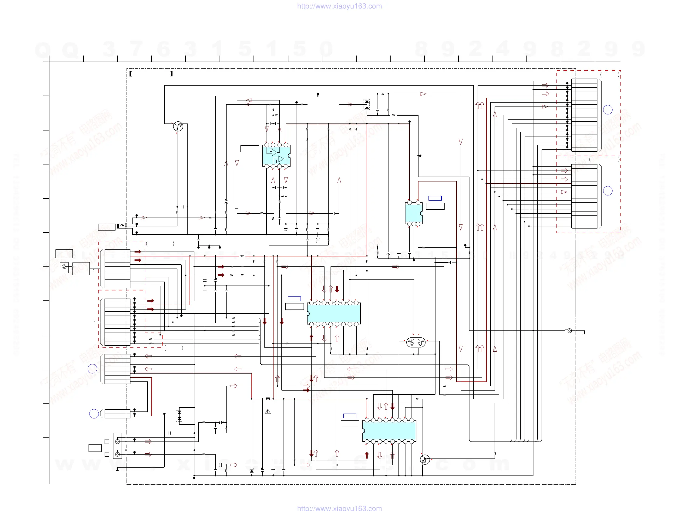
Sony HBD-E870 - Audio Board Schematic

Sony HBD-E870
114 pages
Print Icon
To Next Page IconTo Next Page
To Next Page IconTo Next Page
To Previous Page IconTo Previous Page
To Previous Page IconTo Previous Page
Loading...
HBD-E370/E470/E570/E870/T57
HBD-E370/E470/E570/E870/T57
5151
• See page 67 for IC Block Diagrams.
5-23. SCHEMATIC DIAGRAM - AUDIO Board -
J
MAIN
CN502
BOARD
(1/5)
MAIN
Z
(1/5)
BOARD
CN504
BOARD
CN908
K
POWER
BOARD
CN301
L
CONNECT
IC B/D
IC B/D
IC B/D
0
3.2
0
3.2
3.2
0
9
4.4
8.9
8.9
0
8.9
4.4
8.9
4.4
8.9
8.9 9
4.4
8.9
8.9
0
4.5
4.5
0
4.5
4.5
4.7
4.7
4.7
4.7
9
4.7
4.7
91.3
1212
2.2
0
22k
R49
100p
C35
JL28
R44
22k
10k
R32
C20
2200p
25V
C39
22
22k
R48
R45
22k
JL26
JL30
C33
100p
MC2840-T112-1
D10
25V
22
C41
JL25
R30
10k
100k
R15
1k
R61
0.47
C12
0
R21
J10
220p
C27
0
R52
10V
47
C48
4.7k
R55
2.2k
R13
1k
R28
3.3k
R54
470
R20
470p
C23
0
R12
C37
0.1
1
C49
15k
R34
22kR22
8765
4321
NJM4558M-TE2
IC10
10V
100
C44
10
C21
50V
0.1
C45
2.7k
R60
JL19
1
2
3
4
5
6
7
8
9
10
11
11P
CN11
L-CH
+B 9V
R-CH
GND
TUNED
CE
DI
CL
DO
RDS_CLK
RDS_DATA
0
R42
JL21
JL17
JL14
1
2
3
4
5
6
7
8
9
9P
CN10
JL24
C15
100p
JL15
R18
0
JL23
C16
100p
JL16
100R23
10uH
L010
100
R26
JL20
R19
0
JL18
R27
0
0
R43
R24
100
C14
100p
R25
0
JL22
0
R56
0
R57
54
321
TK11190CSCL-G
IC14
Cont
GND
NOISE
VOUT
VIN
R74
1k
C54
0.1
R71
10k
0.1
C53
10k
R72
10k
R73
1k
R75
1k
R76
R89
220
1W
MAZ8051G0LS0
D15
50V
C69
10
JL36
JL37
JL38
JL39
JL40
JL41
JL42
JL43
JL44
JL45
JL46
JL47
JL48
JL49
JL50
C11
47p
68p
C32
470p
C28
1M
R37
0.068
C29
2.2k
R35
0
R36
22k
R29
1000p
C10
JL11
JL12
JL13
JL54
R93
0
JL33
JL31
JL32
R65
0
R77
0
R88
0
JL10
1
2
3
4
5
6
7
8
9
10
11
12
13
14
15
15P
CN13
1
2
3
4
5
6
7
8
9
10
11
12
13
14
15
16
17
17P
CN15
1
C67
12k
R85
15k
R86
0.47
C50
16 15 14 13 12 11 10 9
87654321
MC14052BDTR2
IC11
Y0
Y2
Y
Y3
Y1
INH
VEE
VSS B
A
X3
X0
X
X1
X2
VDD
16 15 14 13 12 11 10 9
87654321
MC14052BDTR2
IC12
Y0
Y2
Y
Y3
Y1
INH
VEE
VSS B
A
X3
X0
X
X1
X2
VDD
R47
47k
R46
47k
47k
R50
47k
R51
J11
MC2840-T112-1
D12
E
ET10
C70
1000p
RT1N141M-TP-1
Q10
RT1N141M-TP-1
Q14
RT3N11M-TP-1
Q13
CL10
CL11
CL12
CL13
CL14 CL15
R99
1k
1k
R87
C68
1
0.22
C63
0.1
C66
10V
C62
47
1k
R53
100k
R62
100k
R58
0.1
C17
10V
100
C22
JL56
1
2
2P
CN17
S-AIR GND
E4V
JL51
JL55
1
2
4
5
6
7
7P
CN12
S-AIR L
NC
3
AGND
S-AIR R
A5V
S-AIR 4V
S-AIR GND
JL52
JL53
RDSCLK
RDSDATA
RDSDATA
RDSCLK
CL
DO
CE
DI
TUNED
CE
DI
TUNED
CL
DO
+
-
-
+
L
R
AUDIO
AUDIO IN
IC12
AUDIO SELECT
(CHASSIS)
IC14
+9V REGULATOR
AUDIO SELECT
IC11
IC10
MIC AMP
AUDIO BOARD
E870: AEP, UK
E370: AEP, UK/
E870: CND/T57
E370: US, CND/E470/E570/
ST_CLK
AGND
ST_DI
ASEL2
ST_CE
ASEL0
Rch
ASEL1
TUNED
Lch
JACK_DET
ST_DO
A12V
AGND
Acal_LV
V
G
-1 -2
INVERTER
INVERTER
L-CH
+B 9V
R-CH
GND
TUNED
CE
DI
CL
DO
INVERTER
ASEL2
ASEL1
JACK_DET
Acal_LV
ST_DI
Rch
AGND
ASEL0
A12V
Lch
AGND
ST_CE
ST_DO
TUNED
ST_CLK
RDS_CLK
RDS_DATA
(FM)
TUNER
TU1
75ȍ
ANTENNA
FM COAXIAL
E
11
J
3
K
D
F
14 15
L
8
G
7
I
13
A
109
C
4
H
16 1726
B
51 12
A.CAL MIC
ECM-AC2
E870: AEP, UK
E370: AEP, UK/
EXCEPT E370: AEP, UK/
E870: AEP, UK
(CHASSIS)
(Page 59)
(Page 65)
(Page
54)
(Page
54)
w
w
w
.
x
i
a
o
y
u
1
6
3
.
c
o
m
Q
Q
3
7
6
3
1
5
1
5
0
9
9
2
8
9
4
2
9
8
T
E
L
1
3
9
4
2
2
9
6
5
1
3
9
9
2
8
9
4
2
9
8
0
5
1
5
1
3
6
7
3
Q
Q
TEL 13942296513 QQ 376315150 892498299
TEL 13942296513 QQ 376315150 892498299
http://www.xiaoyu163.com
http://www.xiaoyu163.com

Table of Contents

Related product manuals