EasyManua.ls Logo

Sony HBD-E870 - Main Board Schematic (2;5)

Sony HBD-E870
114 pages
Print Icon
To Next Page IconTo Next Page
To Next Page IconTo Next Page
To Previous Page IconTo Previous Page
To Previous Page IconTo Previous Page
Loading...
HBD-E370/E470/E570/E870/T57
HBD-E370/E470/E570/E870/T57
5555
• See page 67 for IC Block Diagrams.
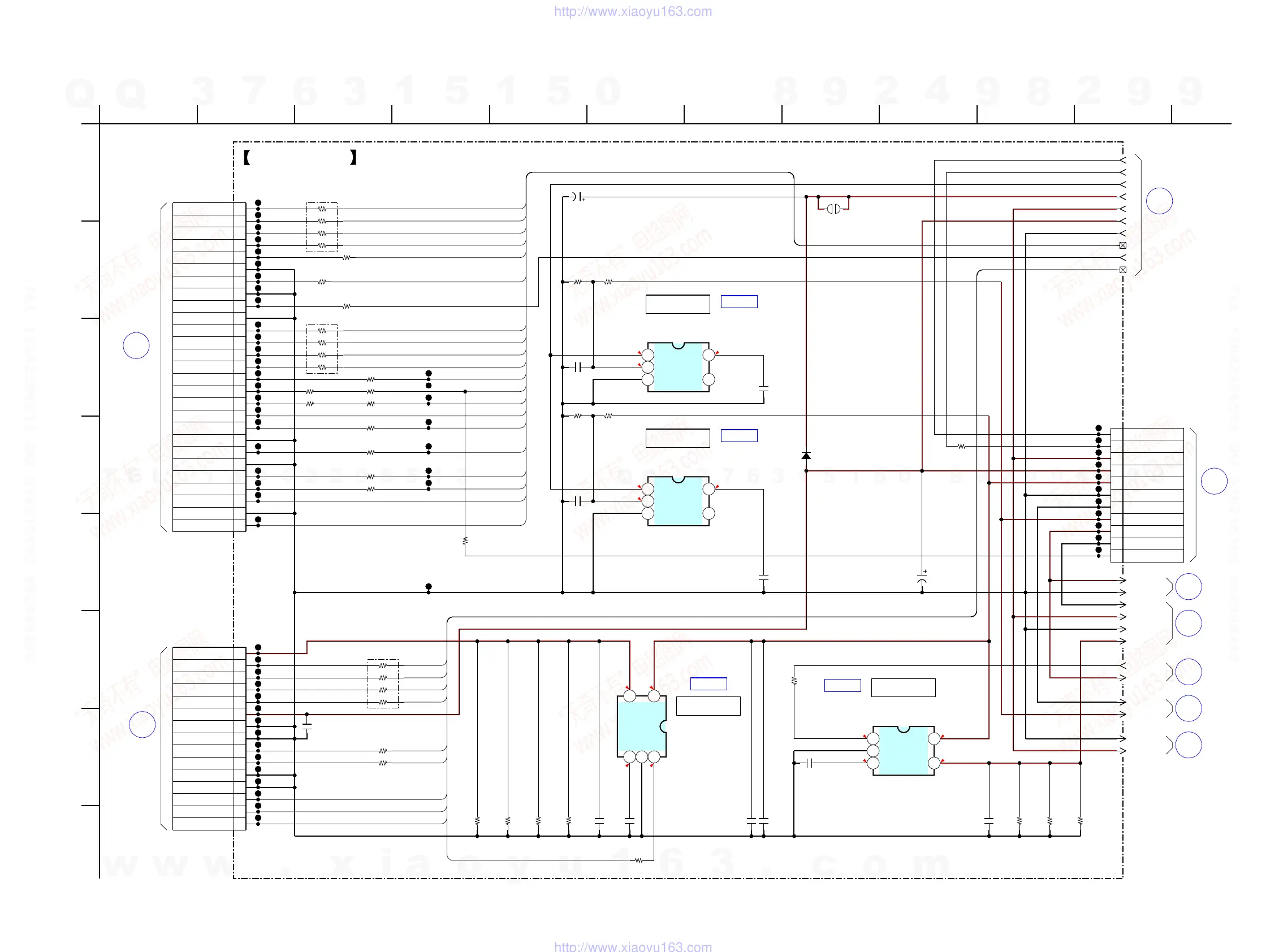
5-27. SCHEMATIC DIAGRAM - MAIN Board (2/5) -
BOARD
N
CN403
REG
CN1505
BOARD
H
MB-134
(13/13)
CN801
FL
M
BOARD
MAIN
(1/5)
BOARD
51
IC B/D
IC B/D
IC B/D
IC B/D
MAIN
(3/5)
BOARD
59
MAIN
(1/5)
BOARD
54
MAIN
(3/5)
BOARD
60
MAIN
(4/5)
BOARD
61
MAIN
(5/5)
BOARD
62
3.3
1.3
6.3
5
5
6.3
1.3
3.3
3.4
3.6
1.3
3.4
3.8
1.3
100
R534
100R623
220
R585
JL621
100
R536
JL616
CL501
JL620
JL608
JL593
JL600
JL610
JL617
JL614
JL611
JL615
JL613
100
R632
JL612
JL622
JL619
JL552
MA2J1110GLS0
D503
SL500
JL544
JL532
JL529
JL542
JL558
JL554
JL559
JL553
JL556
JL551
JL549
JL545
JL546
JL547
JL595
JL618
JL607
JL609
JL605
JL606
JL604
JL602
JL598
100R621
R610
100
R622 100
R591 100
R636
100
R633 100
R634 100
R620
0
1
2
3
4
5
6
7
8
9
10
11
12
13
14
15
CN508
15P
LED+5V
LED_PWM
FL_CS
FL_CLK
FL_DATA
E+4V
FL-GND
FL-GND
SIRCS
PCONT_FL
DGND
DGND
KEY0
KEY2
KEY1
10k
R648
5
43
2
1
S-80929CNMC-G8ZT2G
IC506
OUT
VDD
VSS NC
CD
15k
R650
22k
R653
0.022
C537
22k
R649
5
43
2
1
S-80929CNMC-G8ZT2G
IC507
OUT
VDD
VSS NC
CD
0.022
C536
A12V
A12V
M-GND
A-GND
M+14V
A5V
CL500
CL508
CL510
CL511
CL512
CL513
CL514
CL515
CL516
CL517
CL518
CL509
100
R656
JL627
D-GND
100
RB503
1
2
3
4
5
6
7
8
9
10
11
12
13
14
15
16
17
18
19
20
21
22
23
24
25
26
27
27P
CN505
BD_PCONT4
OPWRSB
ATA_PCONT
CORE_RST
CPU_PRERST
NC
FE_EJECT
GND
CEC
GND
JIG_MODE1
UPG_STATUS
HDMI_PCONT
BD_PCONT3
XIF_CS
BD_PCONT2
IF_SDI
PCONT_CORE
IF_SDO
GND
IF_SCK
GND
SYSCON_REQ
IF_START_BIT
XIF_RST
GND
TEMP
JL628
JL629
100
R639
PCONT_FL
C532
2200
6.3V
10V
330
C533
R657
100
1
C501
5
4
3
2
1
TK11150CSCL-G
IC505
CONT
GND
NP
R506
1k
1
C502
1000p
C503
R508
330
R507
330
R509
330
1
12
3
4
5
6
7
8
9
10
11
12P
CN506
EN
BD_PCONT
P_CONT1
D+3.3V
E+4V
6V
DGND
MGND(FAN)
14V
A12V
AGND
1000p
C514
1
C505
R513
330
R510
330
R511
330
R512
330
1
C504
54
321
TK11150CSCL-G
IC508
CONT
GND
NP Vout
Vin
R514
1k
100
RB502
100
RB501
0.01
C534
0.01
C535
0.1
C513
JL603
BD_PCONT5
FL_CS
FL_CLK
FL_DOUT
KEY0
KEY2
PCONT_FL
LED_PWM
SIRCS_IN
BD_TEMP
BD_RESET
BD_PCONT1
FE_EJECT
OPWRSB
BD_PCONT6
BD_PCONT4
JIG_MODE
UPG_STATUS
BD_PCONT3
KEY1
CPU_PRERST
CORE_RST
PCONT_FL
D3.3V
D3.3V
BD_IF_START
BD_IF_REQ
BD_SDO
BD_CS
BD_SDI
BD_SCLK
BD_PCONT2
D-GND
D-GND
1
2
6
4
5
7
8
9
10
3
+5V REGULATOR
IC508
VOLTAGE DETECT
IC507
IC506
VOLTAGE DETECT
IC505
+5V REGULATOR
MAIN BOARD
(2/5)
E
113
D
F
8
G
7
A
109
C
4
H
26
B
51 12
Vout
Vin
(Page 47)
(Page 63)
(Page 54)
(Page 61)
(Page 56)
(Page 58)
(Page 54)
(Page 56)
(Page 57)
w
w
w
.
x
i
a
o
y
u
1
6
3
.
c
o
m
Q
Q
3
7
6
3
1
5
1
5
0
9
9
2
8
9
4
2
9
8
T
E
L
1
3
9
4
2
2
9
6
5
1
3
9
9
2
8
9
4
2
9
8
0
5
1
5
1
3
6
7
3
Q
Q
TEL 13942296513 QQ 376315150 892498299
TEL 13942296513 QQ 376315150 892498299
http://www.xiaoyu163.com
http://www.xiaoyu163.com

Table of Contents

Related product manuals