EasyManua.ls Logo

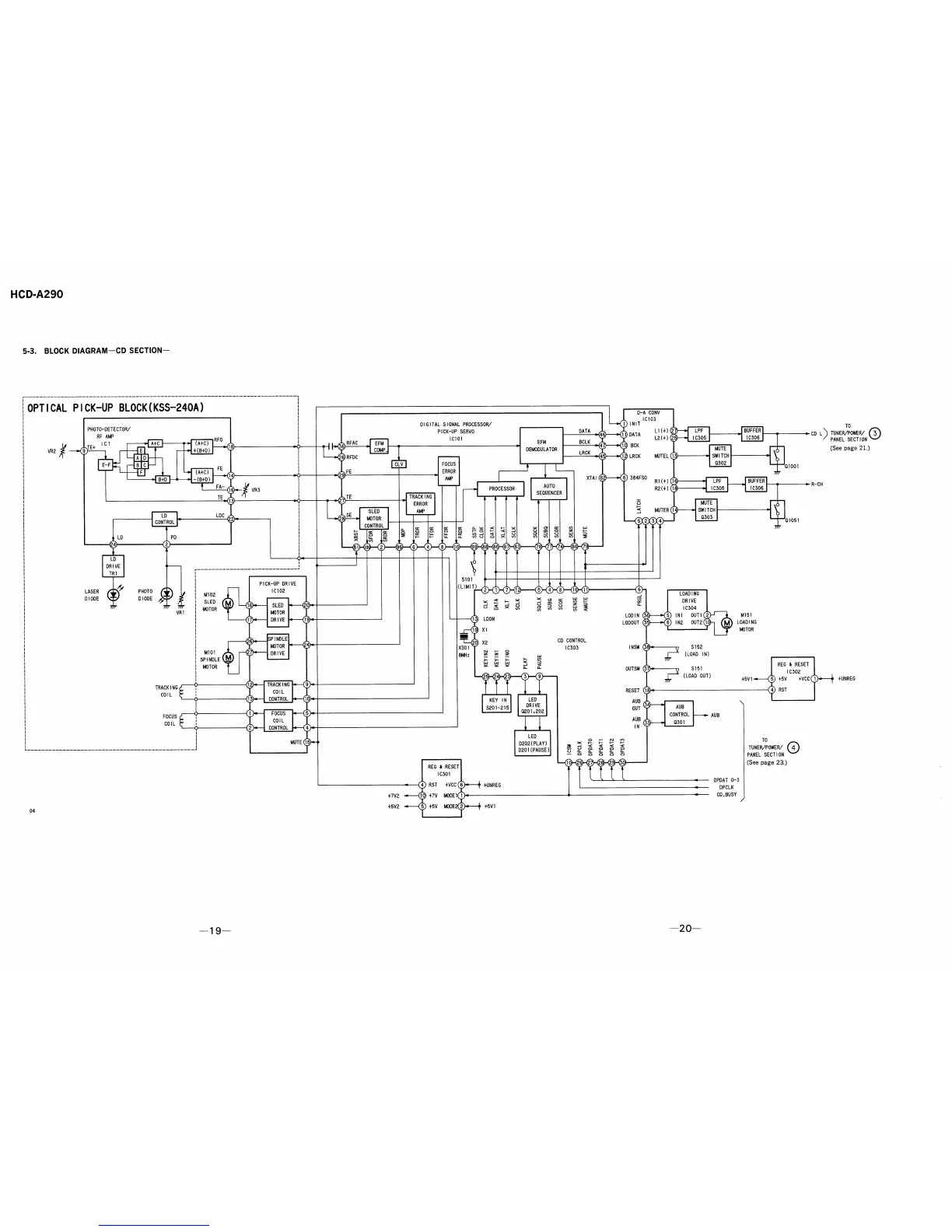
Sony HCD-A290 - Block Diagram - CD Section

Sony HCD-A290
92 pages
Print Icon
To Next Page IconTo Next Page
To Next Page IconTo Next Page
To Previous Page IconTo Previous Page
To Previous Page IconTo Previous Page
Loading...

Related product manuals