EasyManua.ls Logo

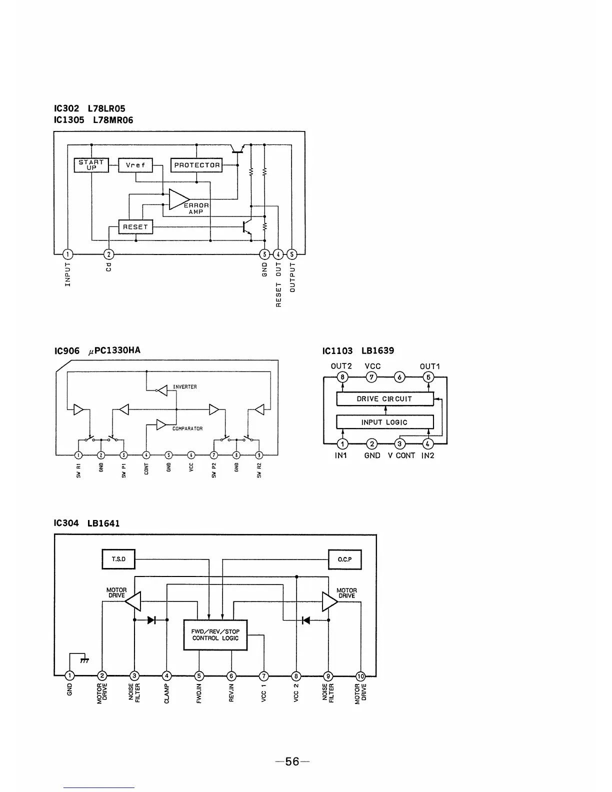
Sony HCD-A290 - Ic302 L78 Lr05; Ic1305 L78 Mr06

Sony HCD-A290
92 pages
Print Icon
To Next Page IconTo Next Page
To Next Page IconTo Next Page
To Previous Page IconTo Previous Page
To Previous Page IconTo Previous Page
Loading...

Related product manuals