EasyManua.ls Logo

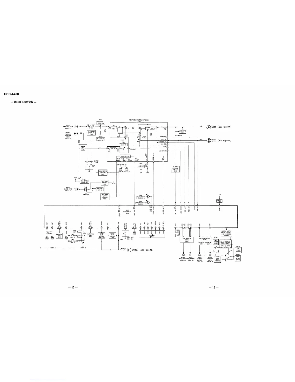
Sony HCD-A490 - BLOCK DIAGRAMS (Deck Section); Deck Section Block Diagram

Sony HCD-A490
71 pages
Print Icon
To Next Page IconTo Next Page
To Next Page IconTo Next Page
To Previous Page IconTo Previous Page
To Previous Page IconTo Previous Page
Loading...

Related product manuals