EasyManua.ls Logo

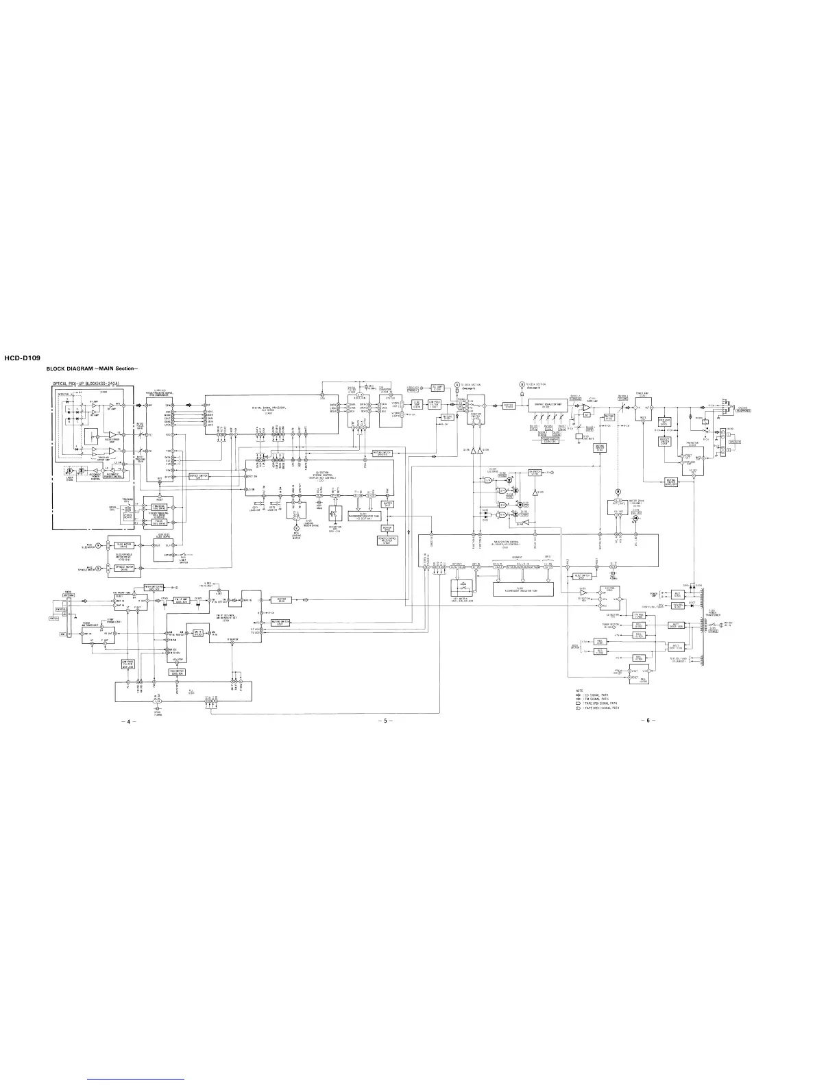
Sony HCD-D109 - Block Diagrams - Main Section; Main Section Block Diagram; Main Section Diagram Notes

Sony HCD-D109
40 pages
Print Icon
To Next Page IconTo Next Page
To Next Page IconTo Next Page
To Previous Page IconTo Previous Page
To Previous Page IconTo Previous Page
Loading...

Related product manuals