EasyManua.ls Logo

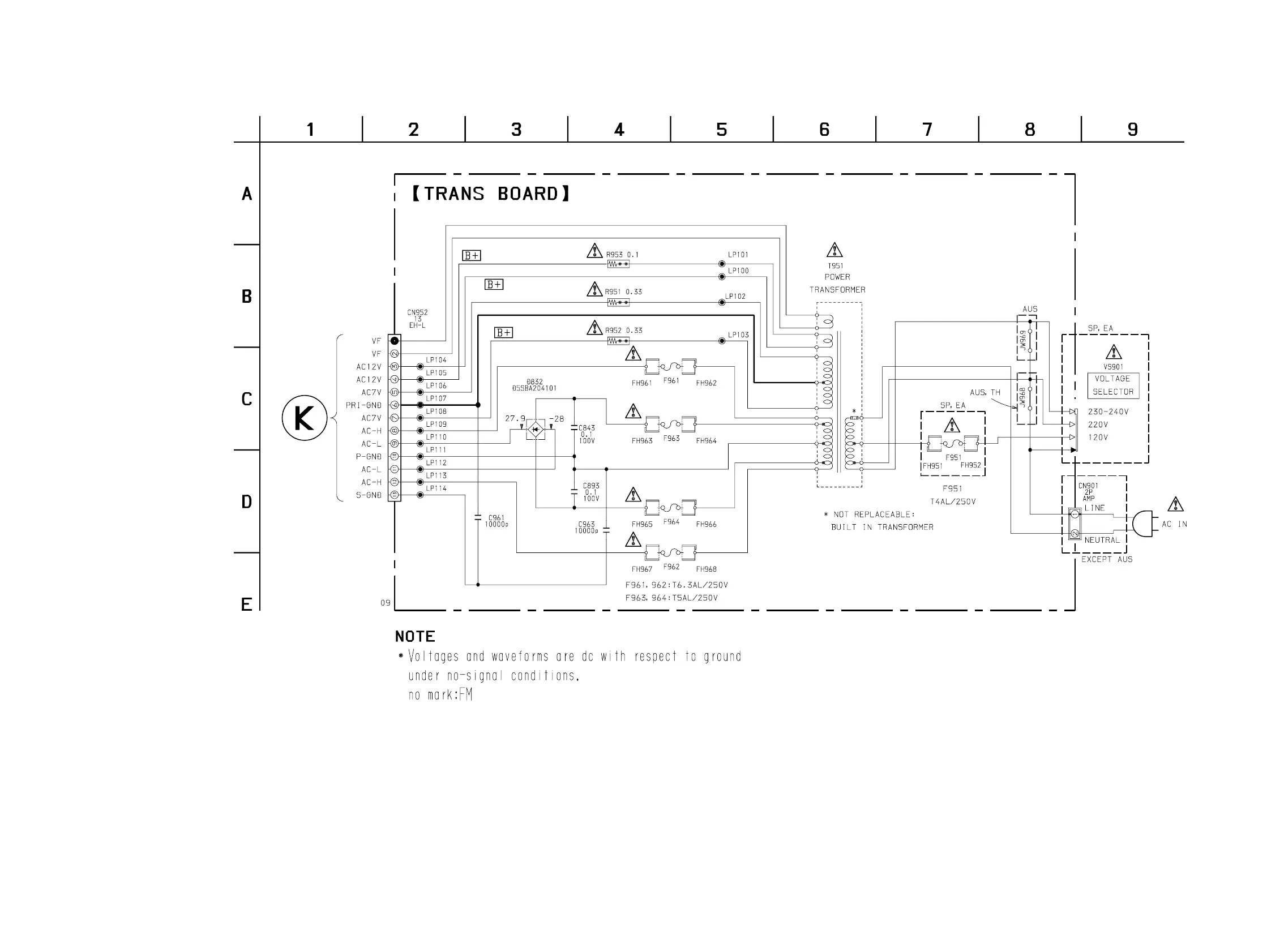
Sony HCD-DR7AV - Schematic Diagram - Trans Section - (DR7 AV Model)

Sony HCD-DR7AV
90 pages
Print Icon
To Next Page IconTo Next Page
To Next Page IconTo Next Page
To Previous Page IconTo Previous Page
To Previous Page IconTo Previous Page
Loading...

Table of Contents

Related product manuals