EasyManua.ls Logo

Sony HCD-EC50 - Page 58

Sony HCD-EC50
78 pages
Print Icon
To Next Page IconTo Next Page
To Next Page IconTo Next Page
To Previous Page IconTo Previous Page
To Previous Page IconTo Previous Page
Loading...
66
HCD-EC50
HCD-EC50
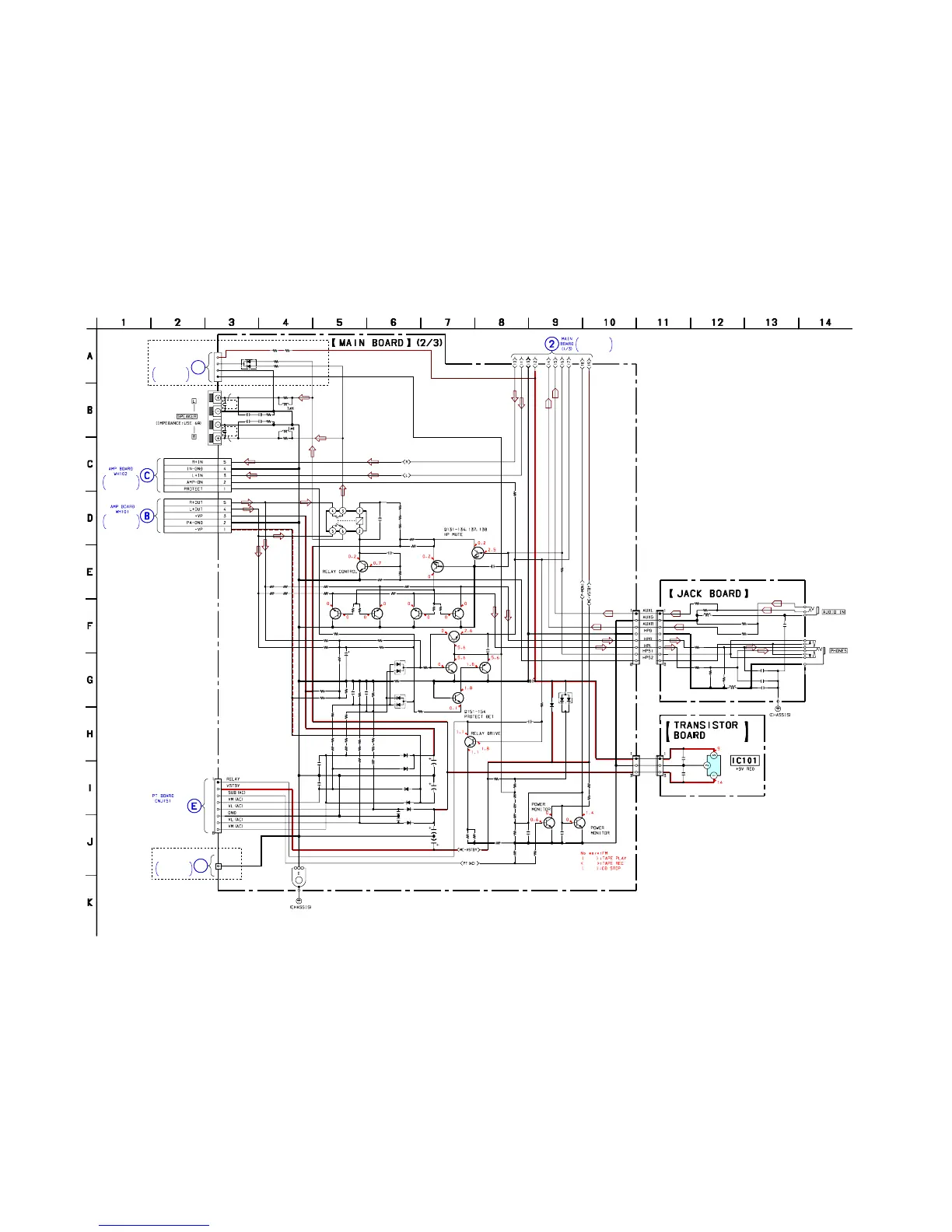
SCHEMATIC DIAGRAM – MAIN BOARD (2/3), TRANSITOR BOARD, JACK BOARD –
PANEL BOARD
W701
Z
SUPPLEMENT-1
Page 11
SUPPLEMENT-1
Page 11
SUPPLEMENT-1
EXCEPT E3 : Page 13
E3 : Page 14
(
(
SUPPLEMENT-1
Page 9
SUPPLEMENT-1
Page 5
Y
SUPPLEMENT-1
Page 12
GUARD (B)
BOARD
CNP901
D111
D113
R106
R103
R119
R120
R181
R182
R151
R152
R104
R105
R101
R154
R156
R158
R159
R157
D156
R171
R170
R162
R127
R128
R129
R132
R133
R124
R142
R163
R174
R175
R176
R113 R114
D132
Q133
R184
R183
AEP,UK,CET
E3,SP,KR,AUS
AEP,UK,CET
R107
R118
R117
R111 R112
R178
R179
R180
Q102
Q151
Q153
Q152
R155
L102
L101
IC101
D131
D154
RY131
Q135
Q137
Q138
Q121
Q122
Q134
W172
Q154
Q131 Q132
C181
R901 4.7K
R902 4.7K
C188
0.01
C187
0.01
C183
C182 C184
C132
C133
C134
C114
C116
C121
C118
C119
C139
C101
C102
D110
D109
D108
D107
C112
R130
R116 R131
C131
R115
R172
R153
C151
R160
C153
C152
R161
R177
R168
R169
R167
R166R164
R165
C156
C155
C111
R123
R121
R125
C142
C141
C140
L106
L105
C106
C105
J101
R200
R186
R185 R199
C113
R110 R109
JR105
R108
JR103
JR101
WH171
CNP171
WH203
WH103
L104
L103
J102
J105
EP102
CNP202
CNP201
CNP151
CN102
1P
10EDB40
10EDB40
22k
*6
*6
47
47
10
10
4.7k
4.7k
47k
47k
2.2k
220k
10k
10k
10k
2.2k
MC2836
10k
10k
100
47
1/4W
47
1/4W
47
1/4W
4.7k
4.7k
100
100k
10k
100
47k
47k
100 100
MC2836
RT1P441C
10
10
22k
100 1/4W
100
1/4W
100 100
0
0
2SC3052F
2SC3052F
2SC3052F
2SA1235F
47k
TA7809S
10EDB40
MC2838
RELAY
12V
2SC3052F
2SC5938
2SC5938
2SC3052F
2SC3052F
RT1N441C
WIRE-EARTH
HP
2SA1235F
2SC5938 2SC5938
0.1
25V
0.1
JR106
0
JR107
0
D901 MC2838-T112-1
WH901
4P
25V
0.1
25V
0.1
25V
0.1
50V
0.01
0.01
0.1
0.022
0.47
0.1
0.1
0.1
2200
50V
2200
50V
1N5402
1N5402
1N5402
1N5402
2200
25V
4.7k
100 1/4W 47k
0.022
100 1/4W
10k
220k
100
16V
10k
10k
10k10k
0.1 25V
0.1 25V
100
16V
470k
220k
22k
0.01
0.01
0.1
0
0
0.1
50V
0.1
50V
100
1/4W
*5
*5
*5 R185, R186
100 : US, CND, E3,
SP, KR, AUS
TINNIG COPPER WIRE :
AEP,UK,CET
*1 C152, C153
0.1 : US, CND
0.47 : EXCEPT US,CND
*2 R160, R161
2.2K : US, CND, E3, SP, KR, AUS
3.3K : AEP,UK,CET
100
1/4W
1000 25V
2.2 2.2
0
2.2k
0
0
8P
8P
3P
3P
BLM21A102
BLM21A102
EARTH PLATE
5P
5P
8P
*1
*1
*2
*2
*4
*3
*3
*4
AEP,UK,CET,KR
*3 R164, R166
22K : US, CND, E3, SP, KR, AUS
10K : AEP,UK,CET
*4 R177, R178
4.7K : US, CND, E3, SP, KR, AUS
10K : AEP,UK,CET
R103
22k : KR
47k : EXCEPT KR
Ver. 1.3

Related product manuals