EasyManua.ls Logo

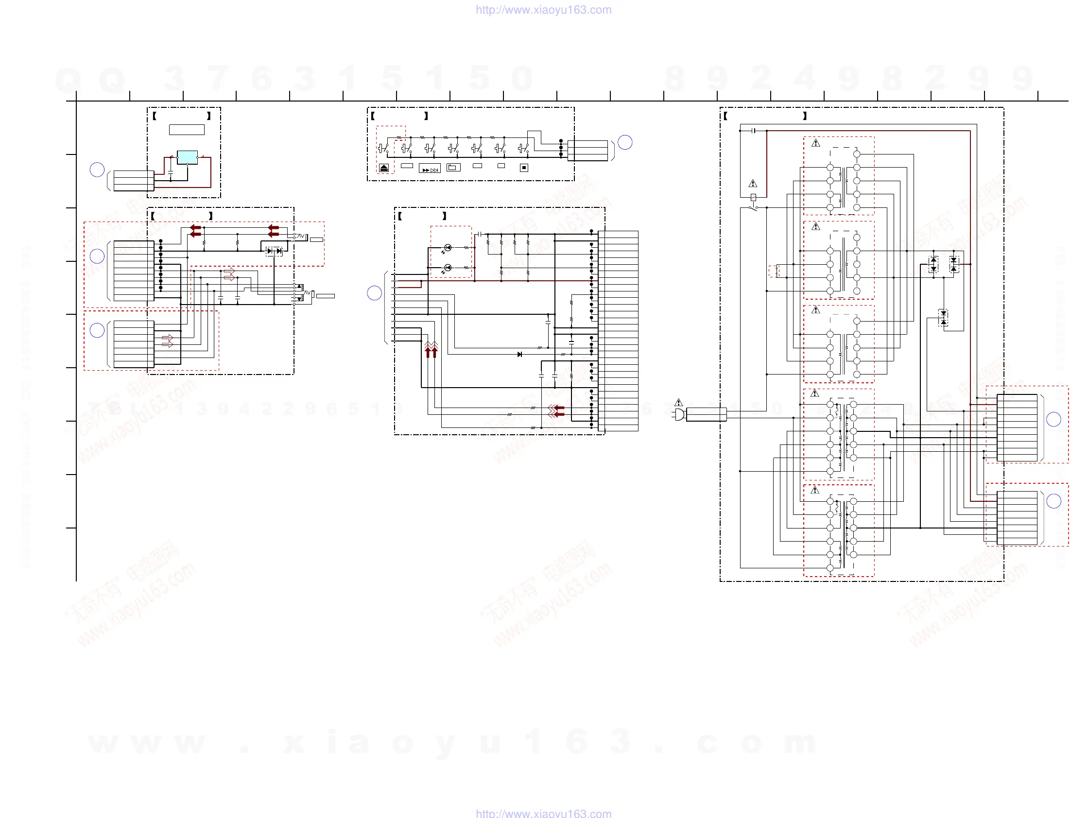
Sony HCD-EC69i - 6-15. SCHEMATIC DIAGRAM - AUDIO IN;OUT, KEY, POWER SUPPLY Section

Sony HCD-EC69i
68 pages
Print Icon
To Next Page IconTo Next Page
To Next Page IconTo Next Page
To Previous Page IconTo Previous Page
To Previous Page IconTo Previous Page
Loading...
HCD-EC69i/EC79i/EC99i
HCD-EC69i/EC79i/EC99i
3939
6-15. SCHEMATIC DIAGRAM - AUDIO IN/OUT, KEY, POWER SUPPLY Section -
CN609
D
MAIN
(2/2)
BOARD
BOARD
CN303
E
PANE L
CN606
(1/2)
C
MAIN
BOARD
CN605
(1/2)
B
MAIN
BOARD
BOARD
CN653
(1/2)
A
MAIN
(2/2)
BOARD
CN604
MAIN
G
(2/2)
BOARD
CN654
MAIN
F
16.2
9
1
2
3
3P
W610
IN
GND
OUT
IO
G
IC601
KIA7809API-U/PF
0.1
C698
REG BOARD
+9V REGULATOR
IC601
13
2
TP403
TP402
TP401
1.5k
R405
1.2k
R404
R408
3.9k
R407
2.7k
R406
2.2k
1
2
3
3P
CN313
KEY1
KEY2
GND
SW325 SW324 SW323 SW322 SW321SW326 SW311
KEY BOARD
DSGX iPod CD
TUNING +
+
(EC79i: UK, AUS/EC99i)
4
B
166911
D
15
H
10 1735 12
C
F
181 19
E
8
G
14
A
2 13
I
7
J491
C495
1000p
TP498
R492
22k
TP491
TP496
TP493
TP494
C496
1000p
TP492
TP495
J492
TP497
R491
22k
1
2
3
4
5
6
7
8
9
9P
CN496
GND
SP-RELAY
AMP-ON
HP-R
HP-L
HP-GND
AUDIO-R
A-GND
AUDIO-L
1
2
3
4
5
6
7
7P
CN497
1PS226-115
D491
JACK BOARD
AUDIO-R
HP-GND
HP-L
HP-R
AMP-ON
SP-RELAY
GND
PHONES
PC IN
(EC79i/EC99i)
(EC69i)
1
2
3
4
5
6
7
8
9
10
11
12
13
14
15
16
17
18
19
20
21
22
23
24
25
26
27
28
29
30
30P
(iPod Dock)
CN902
DGND
DGND
TPA+
USB D+
TPA-
USB D-
TPB+
VBUS
TPB-
Acc ID
PWR+
PWR+
Acc PWR
Reserved
DGND
DGND
Reserved
RXD
TXD
Acc DET
S-VIDEO-Y
S-VIDEO-C
VIDEO-OUT
Remote Sense
LINE-IN-L
LINE-IN-R
LINE-OUT-L
LINE-OUT-R
A-GND
DGND
TP901
TP907
TP903
TP905
TP909
TP924
TP915
TP916
TP922
TP923
TP925
TP921
TP920
TP919
TP918
TP917
TP914
TP913
TP912
TP911
TP910
TP908
TP906
TP904
TP902
0.1
C904
100k
R909
100k
R908
100k
R906
100k
R905
75k
R910
75k
R907
220k
R912
330k
R911
100
R901
100R902
100
R914
100
R913
RB521S-30-TE61
D901
100
R903
100
R904
0.1
C903
R920
150
R917
150
SML-E12UWT86R
D906
SML-E12UWT86R
D902
1000p
C907
1000p
C908
1000p
C909
IP BOARD
(iPod INDICATOR)
D902, 906
(EC79i/EC99i)
MC2838-T112-1
D003
MC2838-T112-1
D002
C001
0.1
MC2836
D001
1
2
3
4
5
6
7
8
9
10
10P
CN002 (EC99i)
RELAY ON/OFF
V STBY
AC DETECT
VH(AC)
VH(AC)
VL(AC)
GND
VL(AC)
VH(AC)
VH(AC)
RY001
PT005
MAIN POWER TRANSFORMER
3
11
12
13
14
1
5
10
2
4
6
PT004
MAIN POWER TRANSFORMER
3
11
12
13
14
1
5
10
2
4
6
1
2
3
4
5
6
7
8
8P
CN003 (EC69i/EC79i)
RELAY ON/OFF
V STBY
AC DETECT
VH(AC)
VL(AC)
GND
VL(AC)
VH(AC)
1
3
4
5
6
7
8
9
2
PT002
SUB POWER TRANSFORMER
SUB POWER TRANSFORMER
1
3
4
5
6
7
8
9
2
PT003
SUB POWER TRANSFORMER
JW004
1
3
4
5
6
7
8
9
2
PT001
1
3
3P
CN004
LIVE
NEUTRAL
PT-SINGLE BOARD
(AC IN)
(EC69i: AUS/EC79i: AUS/EC99i: AUS)
(EC69i: AUS/EC79i: AUS/EC99i: AUS)
(EC69i: UK/EC79i: UK/EC99i: UK)
(EC69i: US, CND/EC79i: US, CND/EC99i: US, CND)
(EC79i/EC99i)
(EC69i)
NOT REPLACEABLE
BUILT IN TRANSFORMEWR
I-iPod-TXD
L+
5
4
DGND
3L-
R+2
1R-
11
VBUS5V
PGND
10
O-iPod-RXD
9
8
VBUS5V
I-iPod-DET
7
6
(Page 31)
(Page
30)
(Page
30)
(Page 30)
(Page 37)
(Page
31)
(Page
31)
Ver. 1.1
w
w
w
.
x
i
a
o
y
u
1
6
3
.
c
o
m
Q
Q
3
7
6
3
1
5
1
5
0
9
9
2
8
9
4
2
9
8
T
E
L
1
3
9
4
2
2
9
6
5
1
3
9
9
2
8
9
4
2
9
8
0
5
1
5
1
3
6
7
3
Q
Q
TEL 13942296513 QQ 376315150 892498299
TEL 13942296513 QQ 376315150 892498299
http://www.xiaoyu163.com
http://www.xiaoyu163.com

Table of Contents

Related product manuals