EasyManua.ls Logo

Sony HCD-EC69i - Page 41

Sony HCD-EC69i
68 pages
Print Icon
To Next Page IconTo Next Page
To Next Page IconTo Next Page
To Previous Page IconTo Previous Page
To Previous Page IconTo Previous Page
Loading...
HCD-EC69i/EC79i/EC99i
41
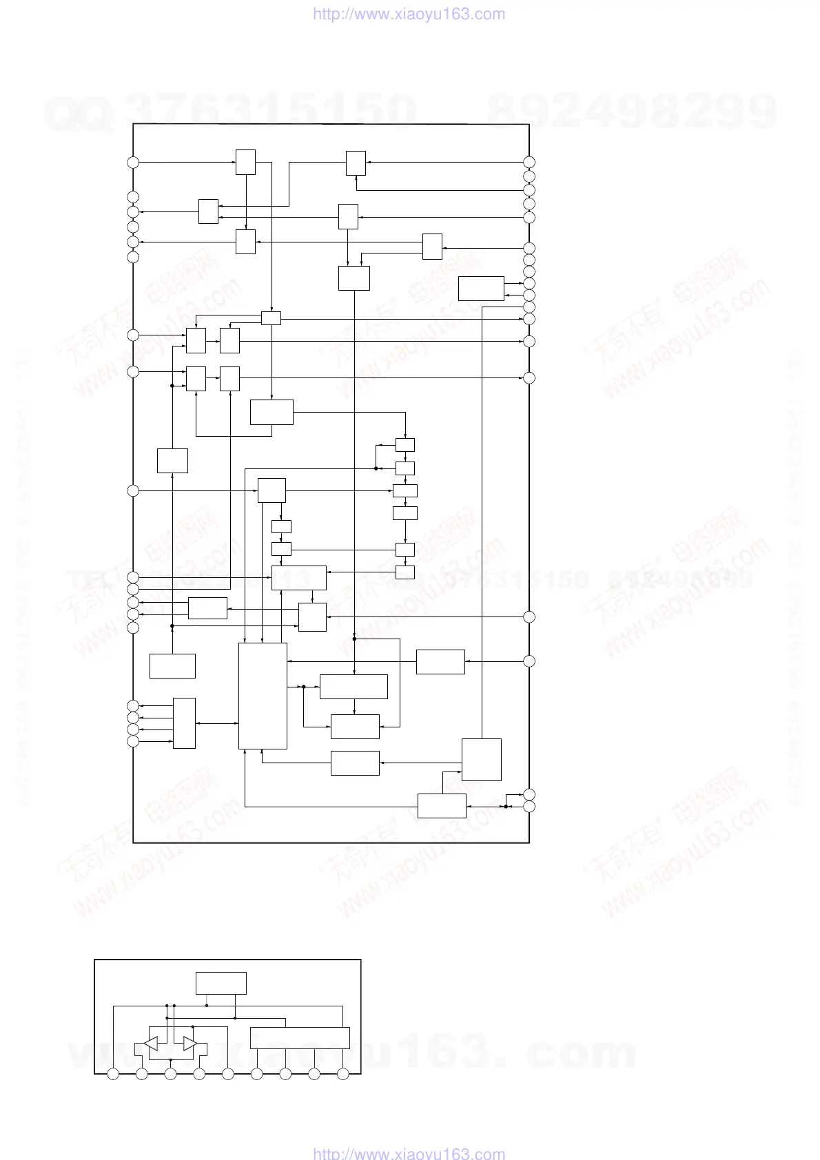
– PANEL Board –
IC303 BA6956AN
IC801 LV23003VA
1
AM RF-IN
3
FM-MIX
2
REG
6
VCC1
4
GND1
AM
RF
AM
MIX
AM
DET
AM
IF
FM
DET
FM
IF
SD
FF
VCO
FF
FF
ST
TRIG
STSW
FM
MIX
FM
OSC
AM
OSC
OSC
BUFFER
FM
S-METER
DECODER
PHASE
COMPARATOR
MUTE
PROGRAMMABLE
DIVIDER
REFERENCE
DIVIDER
UNLOCK
DETECTOR
SWALLOW
COUNTER
POWER ON
RESET
DATA SHIFT
REGISTER
LATCH
PHASE
DETECTOR
CHARGE
PUMP
UNIVERSAL
COUNTER
5
AM-MIX
7
AMIF-IN
8
FMIF-IN
9
P-DET
10
P-COMP
11
FM-DET
12
L-OUT
13
R-OUT
14
VSS
FM
RF
36
FM RF-IN
35
GND2
34
FMRF-OUT
33
VCC2
30
BO2
29
BO1
32
FM-OSC
31
AM-OSC
28
LP-OUT
27
LP-IN
23
FMDET-OUT
15
CE
16
DI
17
CL
18
DO
22
MPX-IN
19
XIN
20
XOUT
21
VDD
26
PD
25
AGC
24
AMDET-OUT
LOW-PASS
FILTER
AGC
IF
BUFFER
PIROT
DET
CCB
I/F
1 2 3 4 5 6 7 8 9
CONTROL LOGIC
TSD
VREF
OUT2
OUT1
RNF
VM
VCC
FIN
GND
RIN
w
w
w
.
x
i
a
o
y
u
1
6
3
.
c
o
m
Q
Q
3
7
6
3
1
5
1
5
0
9
9
2
8
9
4
2
9
8
T
E
L
1
3
9
4
2
2
9
6
5
1
3
9
9
2
8
9
4
2
9
8
0
5
1
5
1
3
6
7
3
Q
Q
TEL 13942296513 QQ 376315150 892498299
TEL 13942296513 QQ 376315150 892498299
http://www.xiaoyu163.com
http://www.xiaoyu163.com

Table of Contents

Related product manuals