EasyManua.ls Logo

Sony HCD-FLX7D - BLOCK DIAGRAM - POWER AMP Section

Sony HCD-FLX7D
160 pages
Print Icon
To Next Page IconTo Next Page
To Next Page IconTo Next Page
To Previous Page IconTo Previous Page
To Previous Page IconTo Previous Page
Loading...
HCD-FLX5D/FLX7D
3838
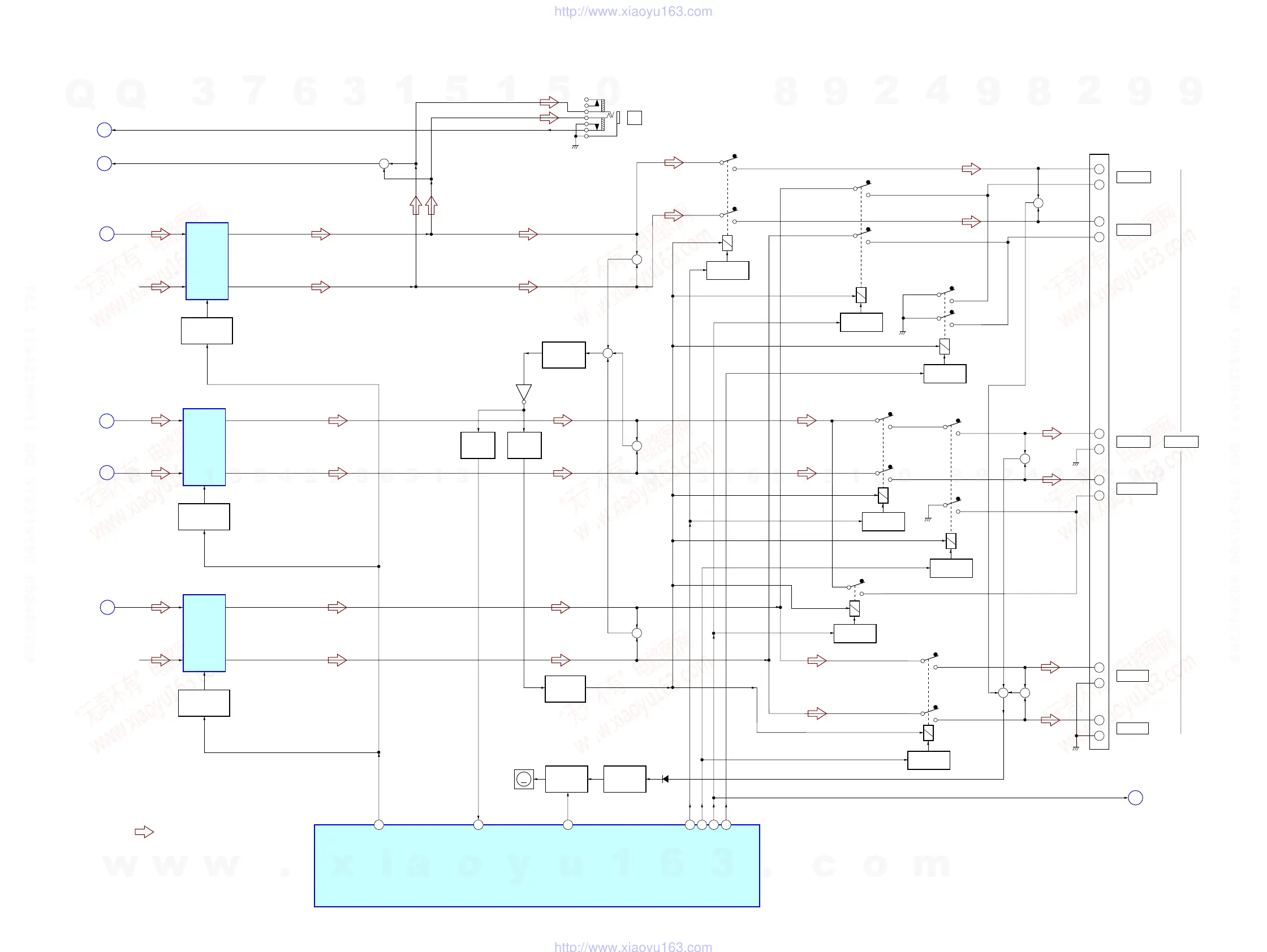
7-5. BLOCK DIAGRAM – POWER AMP Section –
FAN-CTRL
STK MUTE
BTL2.1CH A
76
BTL2.1CH B
72
BTL2.1CH C
71
BTL2.1CH D
707880
PROTECT
77
M801
(FAN)
+
+
SPEAKER
FRONT L
FRONT R
+
+
CENTER
S.WOOFER
+
+
REAR L
REAR R
i
J301
SYSTEM CONTROLLER
IC101 (3/4)
• R-ch is omitted due to same as L-ch.
TM801
FAN MOTOR
DRIVE
Q860, 863
FAN MOTOR
CONTROL
Q861, 862
RELAY DRIVE
Q801
M
STANDBY
SWITCH
Q421 - 423
• SIGNAL PATH
: AUDIO
POWER AMP
IC401
RY801
–2
–1
STANDBY
SWITCH
Q521, 522
POWER AMP
IC501
STANDBY
SWITCH
Q471, 472
POWER AMP
IC431
21
22
23
24
R-CH
R-CH
FL
OUT
SL
OUT
C
OUT
SW
OUT
25
RELAY BTL
27
HP SW
DC DETECT
Q855, 856
PROTECT
DETECT
Q851
PROTECTOR
Q852, 853
PROTECT
DETECT
Q850
Q854
+
+
+
++
+
+
+
+
RELAY DRIVE
Q807
RY807
–2
–1
RELAY DRIVE
Q804
RY804
–2
–1
RELAY DRIVE
Q805
RY805
–2
–1
RELAY DRIVE
Q803
RY803
–2
–1
RELAY DRIVE
Q806
RY806
–1
RELAY DRIVE
Q802
RY802
–2
–1
D860
31
FEED BACK
(Page 40)
(Page 37)
(Page 37)
(Page 37)
(Page 37)
(Page 37)
(Page 37)
w
w
w
.
x
i
a
o
y
u
1
6
3
.
c
o
m
Q
Q
3
7
6
3
1
5
1
5
0
9
9
2
8
9
4
2
9
8
T
E
L
1
3
9
4
2
2
9
6
5
1
3
9
9
2
8
9
4
2
9
8
0
5
1
5
1
3
6
7
3
Q
Q
TEL 13942296513 QQ 376315150 892498299
TEL 13942296513 QQ 376315150 892498299
http://www.xiaoyu163.com
http://www.xiaoyu163.com

Table of Contents

Related product manuals