EasyManua.ls Logo

Sony HCD-FLX7D - SCHEMATIC DIAGRAM - SUB TRANS Board

Sony HCD-FLX7D
160 pages
Print Icon
To Next Page IconTo Next Page
To Next Page IconTo Next Page
To Previous Page IconTo Previous Page
To Previous Page IconTo Previous Page
Loading...
HCD-FLX5D/FLX7D
8383
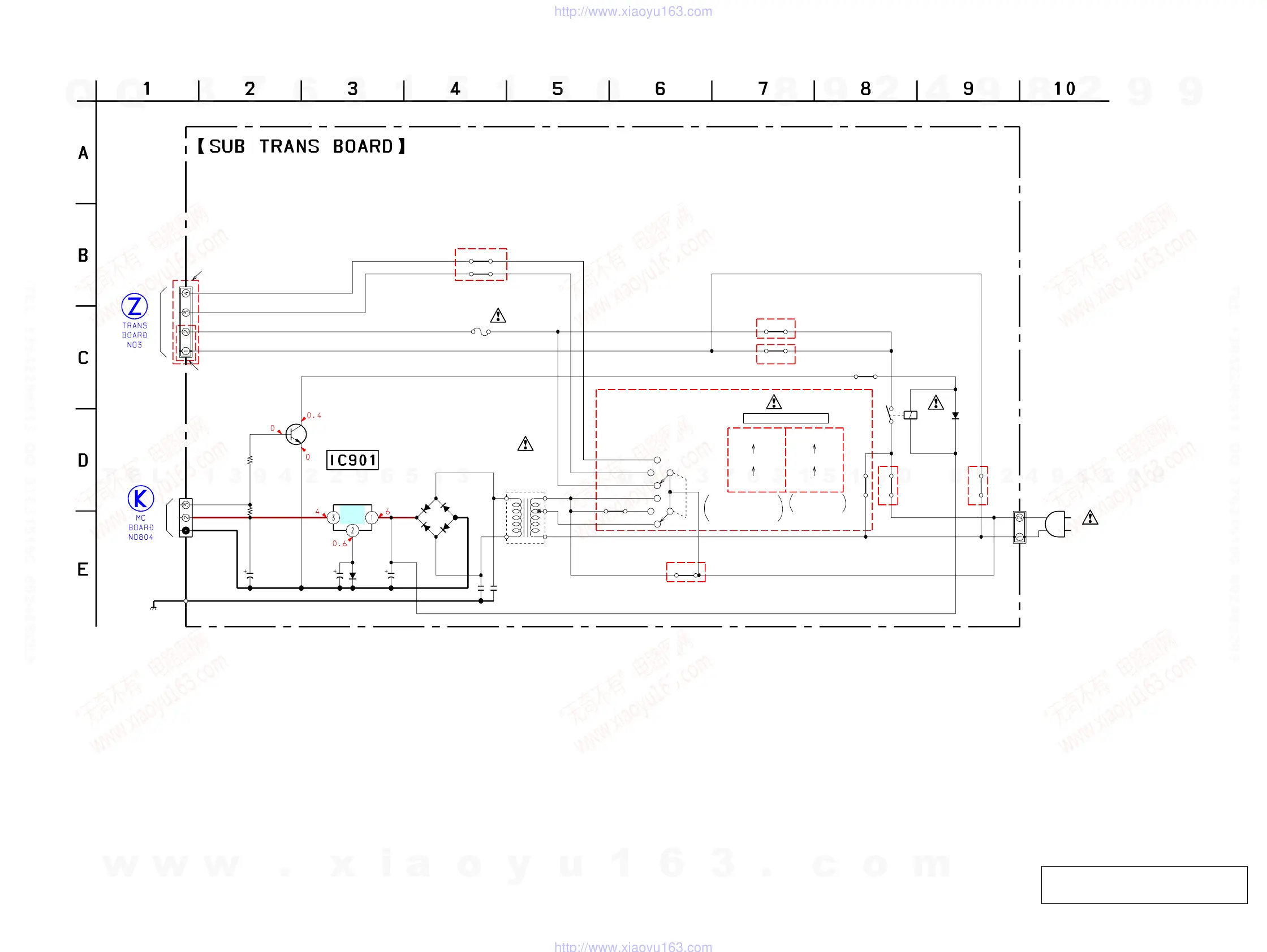
7-50. SCHEMATIC DIAGRAM – SUB TRANS Board –
The components identified by mark 0 or dotted
line with mark 0 are critical for safety.
Replace only with part number specified.
(Page 59)
(Page 81)
JW907
JW903
JW902
CN902
CN903
T901
JW906
JW904
JW905
JW908
R904
CN901
C905
C903
IC901
D905
C901
Q901
F913
D904D903
D901D902
C902
D906
RY901
JW911
JW912
C906
R901
R902
S901
NO606
3P
2P
10
50V
0.1
1SS133
100
10V
2SC2785TP
T5AL
250V
11ES2N
-TB5
11ES2N
-TB5
11ES2N
-TB5
11ES2N
-TB5
470
16V
1SS133T
0.1
10k
10k
STBY_RELAY
D-GND
(CHASSIS)
(AC IN)
2P
4P
CN902
EVER+4V
+4V REGULATOR
OI
G
D901-904
RECT
TRANSFORMER
POWER
SUB
220V
VOLTAGE SELECTOR
120V
230-240V
-1
-2
RELAY
DRIVE
POWER
ON/OFF
(EXCEPT FLX5D:KR,TH,AUS)
(FLX5D:KR,TH,AUS)
(EXCEPT FLX5D:KR,TH,AUS)
(EXCEPT FLX5D:KR,TH,AUS)
(FLX5D:KR,TH,AUS)
(FLX5D:KR,TH,AUS)
(EXCEPT FLX5D:KR,TH,AUS)
(EXCEPT FLX5D:KR,TH,AUS)
(FLX5D:KR,TH,AUS)
(FLX5D:KR,TH,AUS)
(FLX5D:KR,TH,AUS)
220V
230-240V
120V-127V
EXCEPT FLX5D:
EA,KR,TH,AUS
FLX5D:EA/
FLX7D:EA
/FLX7D:EA
µPC2933HF
w
w
w
.
x
i
a
o
y
u
1
6
3
.
c
o
m
Q
Q
3
7
6
3
1
5
1
5
0
9
9
2
8
9
4
2
9
8
T
E
L
1
3
9
4
2
2
9
6
5
1
3
9
9
2
8
9
4
2
9
8
0
5
1
5
1
3
6
7
3
Q
Q
TEL 13942296513 QQ 376315150 892498299
TEL 13942296513 QQ 376315150 892498299
http://www.xiaoyu163.com
http://www.xiaoyu163.com

Table of Contents

Related product manuals