EasyManua.ls Logo

Sony HCD-GRX7J - Main Section Schematic Diagram (Part 1)

Sony HCD-GRX7J
86 pages
Print Icon
To Next Page IconTo Next Page
To Next Page IconTo Next Page
To Previous Page IconTo Previous Page
To Previous Page IconTo Previous Page
Loading...
HCD-GRX7/GRX7J/R700/RX77/RX77S
57
58
Voltages and waveforms are dc with respect to ground
under no-signal (detuned) conditions.
no mark : FM
( ) : CD
(Page 61)
(Page 48)
(Page 48)
(Page 44)
(Page 59)
(Page 63)
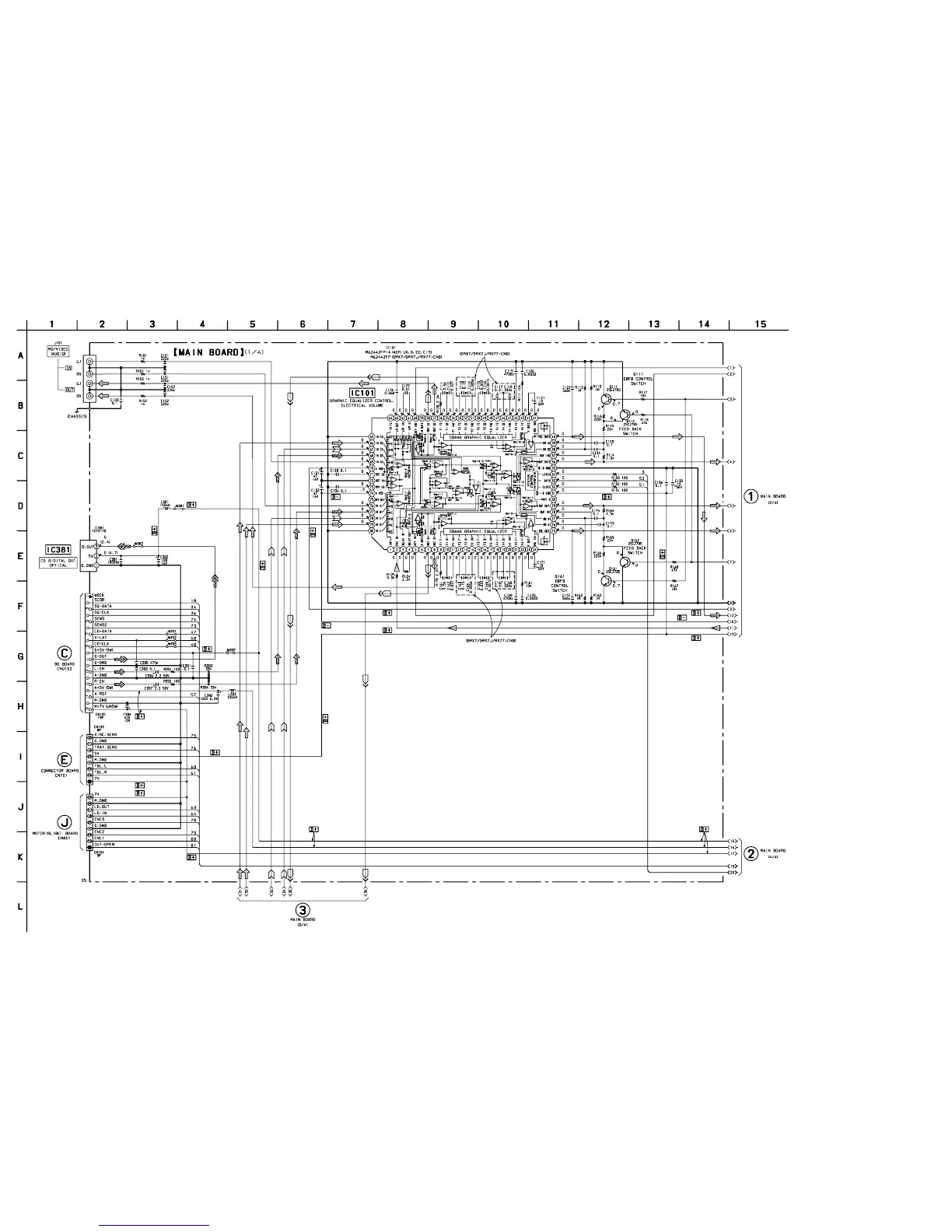
7-20. SCHEMATIC DIAGRAM – MAIN Section (1/4) –
• See page 33 for Note on Schematic Diagram. • See page 55 and 56 for Printed Wiring Board.

Table of Contents

Related product manuals