EasyManua.ls Logo

Sony HCD-H501 - TC Mechanism Removal

Sony HCD-H501
54 pages
Print Icon
To Next Page IconTo Next Page
To Next Page IconTo Next Page
To Previous Page IconTo Previous Page
To Previous Page IconTo Previous Page
Loading...
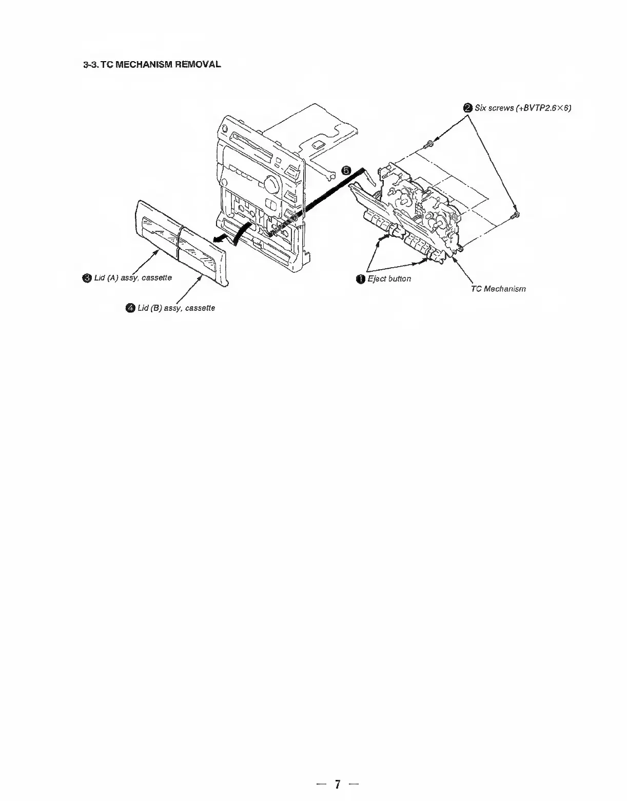
3-3.
TC
MECHANISM
REMOVAL
@
Six
screws
(+BVTP2.6%6)
@
Eject
button
TC
Mechanism
@
Lid
(8)
assy,
cassette

Related product manuals