EasyManua.ls Logo

Sony HCDSHAKEX70 - Mic Board Schematic Diagram

Sony HCDSHAKEX70
66 pages
Print Icon
To Next Page IconTo Next Page
To Next Page IconTo Next Page
To Previous Page IconTo Previous Page
To Previous Page IconTo Previous Page
Loading...
HCD-SHAKE10/SHAKE30/HCDSHAKEX10/HCDSHAKEX30/HCDSHAKEX70
HCD-SHAKE10/SHAKE30/HCDSHAKEX10/HCDSHAKEX30/HCDSHAKEX70
4747
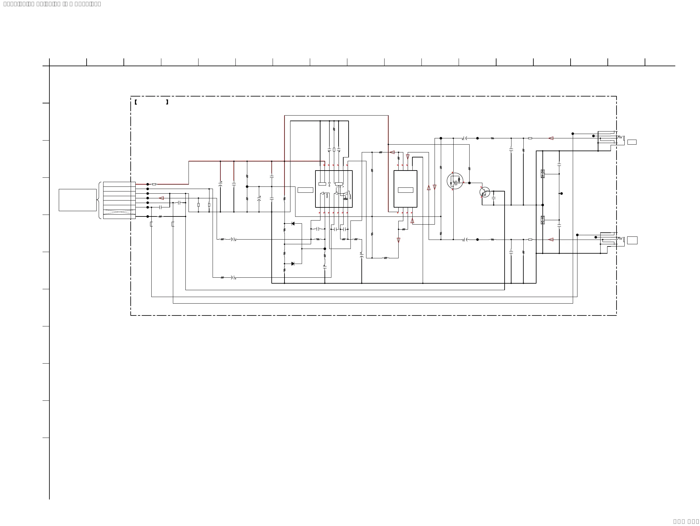
6-14. SCHEMATIC DIAGRAM - MIC Board -
1
A
B
C
D
E
F
G
H
I
J
K
2 3 4 5 6 7 8 9 10 11 12 13 14 15 16 17
MIC BOARD
+
+
Bias Detector
8.9 4.4 4.5 4.5 4.4
4.4
0
1.9 0 4.4
0 4.5 4.4 4.4 4.4 4.4 4.5 8.9 4.4 4.4 4.4
8.9
8.9
4.4
0.001u
C2268
0.001u
C2269
3.3u
50V
C2258
0.47u
C3001
50V
10u
C2134
220p
C2243
C2245 0.1u
0.1u
C2253
0.1u
C2262
0.1u
C2263
C2267
1500p
C2133
0.01u
C2246
0.1u
220p
C2254
C2266
1500p
50V
2.2u
C2265
50V
2.2u
C2252
50V
1u
C2260
10V
220u
C2261
50V
2.2u
C2250
50V
2.2u
C2264
10V
220u
C2251
CL2275
CL2274
CL2283
CL2273
CL3003
CL2270
CL2272
CL2271
CL2286
CL2285
CL2288
CL2289
CL2293
CL3002
CL2291
CL2276
CL2292
CL2290
8P
NO1102
MODE_SEL 1
MIC_DET2 3
MIC_DET1 4
MIC2_GUITAR_SIGNAL 5
MIC_GND 6
7MIC1
8A+9V
BAV99-215
D2222
BAV99-215
D2223
DA2J10100L
D2220
DA2J10100L
D2218
FB007
0uH
FB006
0uH
1
2
3
4
5
6
7
1
2
3
4
5
6
7
DTC014EUBTL
Q2205
S
RHK005N03T146
MIC DETECT
MIC DETECT
Q2203
0
R2505
68kR3004
22k
R2529
1.2k
R2522
39k
R2516
18k
R2512
18k
R2514
0
R2508
0
R2507
39k
R2509
0
R2506
0
R2532
33k
R2521
68k
R2517
10k
R3003
0
R3002
68k
R3001
100k
R2526
2.2M
R2527
2.2M
R2528
100k
R2513
100k
R2523
0
R2515
0
R2520
10k
R2524
10k
R2525
0
R2531
1234567
8 9 10 11 12 13 14
100k
R2510
100k
R2511
0
R2518
OUT1
1
-IN1
2
+IN1
3
VEE
4
+IN2
5
-IN2
6
OUT2
7
VCC
8
CL2280
1k
R2533
1k
R2534
2.2kR3005
C2244
1u
50V
IC2101
NJM2783V (TE2)
MIC AMP
IC2101
IC2202
BA4558F-E2
MIC AMP
IC2202
J2203
MIC1
J2204
MIC2/
GUITAR
MOTHERBOARD
BOARD
CN601
Ver. 1.2
SYSSET
2019/10/2523:34:43(GMT+09:00)

Related product manuals