EasyManua.ls Logo

Sony HP-210 - Page 39

Sony HP-210
63 pages
Print Icon
To Next Page IconTo Next Page
To Next Page IconTo Next Page
To Previous Page IconTo Previous Page
To Previous Page IconTo Previous Page
Loading...
HP-210
HP-210
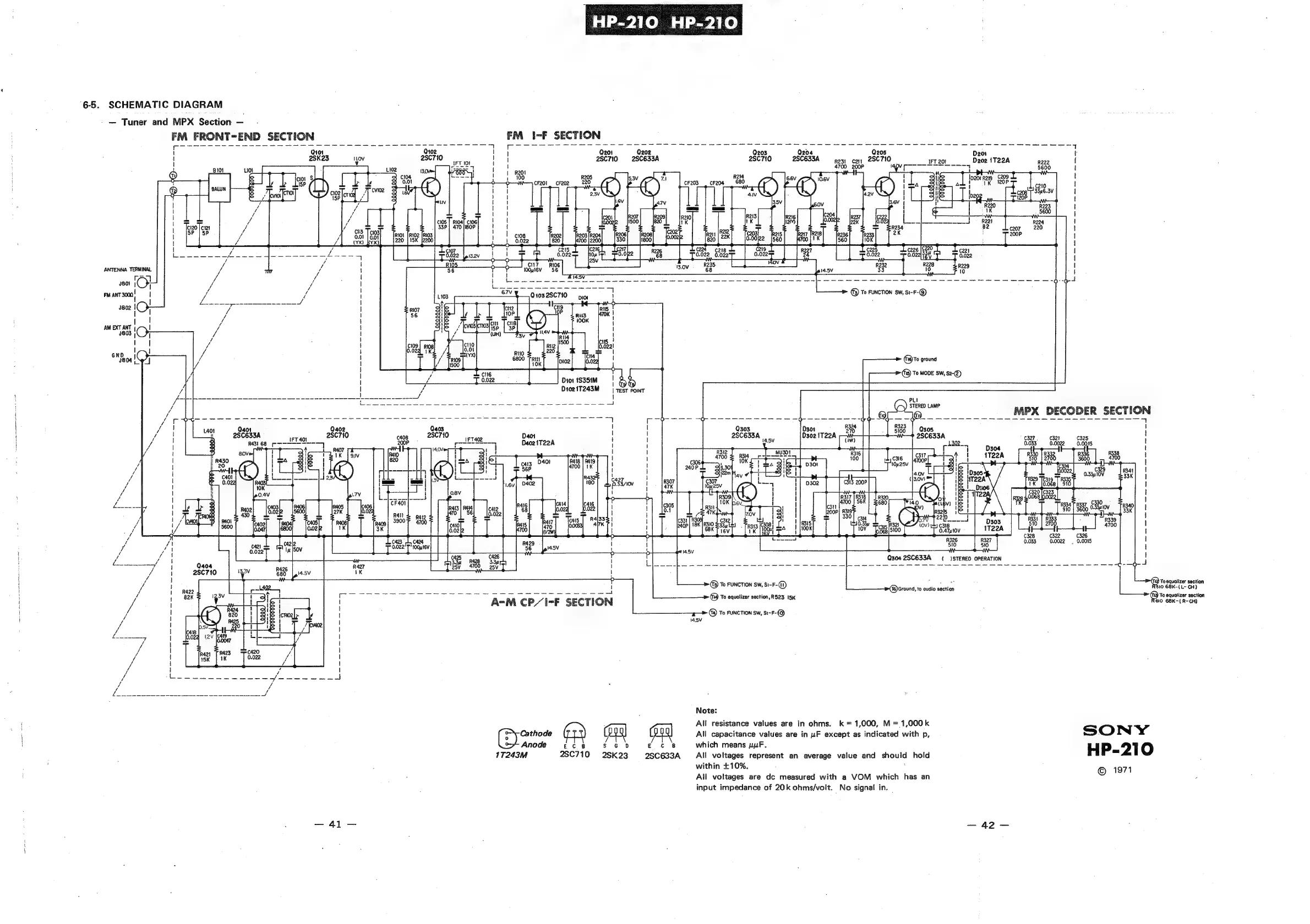
65.
SCHEMATIC
DIAGRAM
Tuner
and
MPX
Section
phd
FRONT-END
SECTION
PM
[=F
SECTION
Qe2o1
Q2o2
Q203
Q204
Q2o0s
Deo
2SC710
2SC633A
2SC7i0
2SC633A
R231
cay
2SC710
IFT
201
D2oe
1T22A
R222
4700
200P
4
Serer
BI0t
LIOL
Ipzptazig
C209
ene
120P
CF203__.
CF204
=
—2
SS
g
2
8
ie
1
!
+
7)
@
|
|
1
i
C120
|
C121
|
[se
|SP
{
|
R06
lodulév
56
ANTENNA
TERMINAL
¢:
(322
C326
0.033
0.0022
_
0.0015
4700
ay
Q304
2SC633A
(|
STEREO
OPERATION
eh
eel:
ae
ene
ol
rae
20
(Or
:
-------SS-~——-------~—~------—-----------
--}
re
FM
ANT
300}
ra
®
To
prio
SW,
SI-F-@)
4802
IO
!
aria
AM
EXT
ANT
3803
0
|
i
GND
0}
‘es
cng
S20
a
!
/
D102
10.022
|
(fig)
To
ground
aig
?
To
MODE
SW,
S2
/
D1021T243M
=|
test
POINT
|
PL
pe
STERED
LAMP
cP
MPX
DECODER
SECTION
4
A
a
a
a
ae
a
a
ee
!
7
Q305
1
2SC633A
C327.
C321
C325
6.033
6.0022
0.0015
i
Bw
|
888
|
SB8
|
_
oo
329
oxpioy
«LEH
pss/0v
|
|
|
P
=
|
RT
Ea?
GB
ioy
Reo)
|
R339
4700
|
i
|
|
|
4
ee
uw
To
equalizer
section
(Té)
Ground,
to
audio
section
R610
68K-(L-
CH)
To
equalizer
section
Fra
epg
ee
Nas
eeu
at
a
a
Ry
ed
at
w)
To
equalizer
section,R523
ISK
310
GBK-(
R-CH)
A=M
CP
i-F
SECTION
(7)
To
FUNCTION
Sw,
si-F-@)
@
To
FUNCTION
Sw,
Si-F-(©)
14.5V
/
Cera
este
et
hobi
ae
c
Se
Note:
.
All
resistance
values
are
in
ohms.
k
=
1,000,
M
=
1,000
k
(eieng
G19
(aga
Gaal
All
capacitance
values
are
in
uF
except
as
indicated
with
p,
SONY
Anode
€ce
Ss
6D
¢
B
which
means
uF.
1T243M
28C710
2SK23
2SC633A
All
voltages
represent
an
average
value
and
mepie
hold
HP-210
within
+10%.
.
©
1971
All
voltages
are
dc
measured
with
a
VOM
which
has
an
input
impedance
of
20k
ohms/volt.
No
signal
in.
41
—42—

Related product manuals