EasyManua.ls Logo

Sony HT-BE1 - Schematic Diagram -Display;Key Section

Sony HT-BE1
56 pages
Print Icon
To Next Page IconTo Next Page
To Next Page IconTo Next Page
To Previous Page IconTo Previous Page
To Previous Page IconTo Previous Page
Loading...
2222
HT-BE1/SA-WBE1/SS-BE1
D702
D703
IC702
RE701
R702
R712
R713
R707R706
R708
LCD701
CN702
Q701
S701
S702
CNP701
CN701
R710
R709
C703
C706
C707
C705D704
C708
R714
C701
R701
IC701
R705
R711
R703
D701
R715
R716
R704
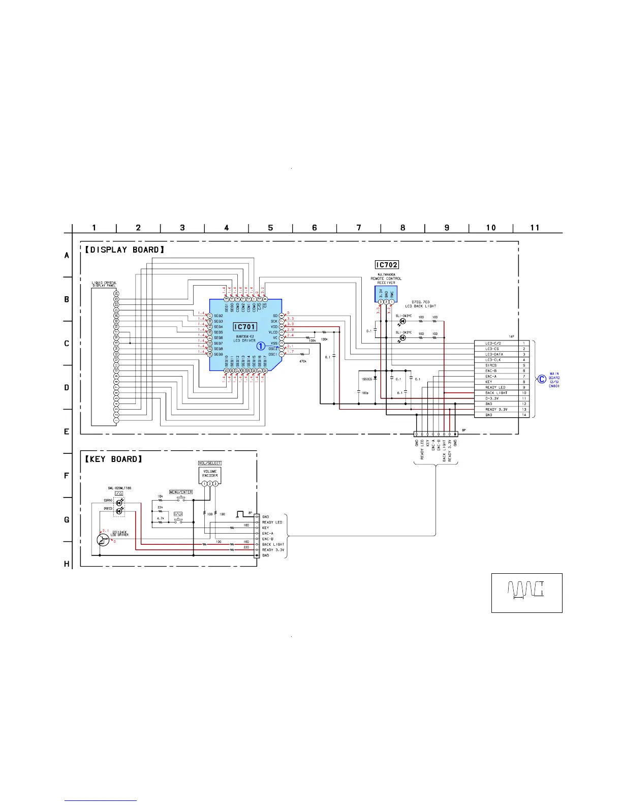
4-11. SCHEMATIC DIAGRAM — DISPLAY/KEY SECTION — • Refer to page 11 for Note on Schematic Diagram.
(Page 18)
• Waveform
1
IC701
2
(OSC2)
1V/div 10µsec/div
27µsec (36.8kHz)
3.2Vp-p
Ver. 1.3
((Page 6))

Related product manuals