EasyManua.ls Logo

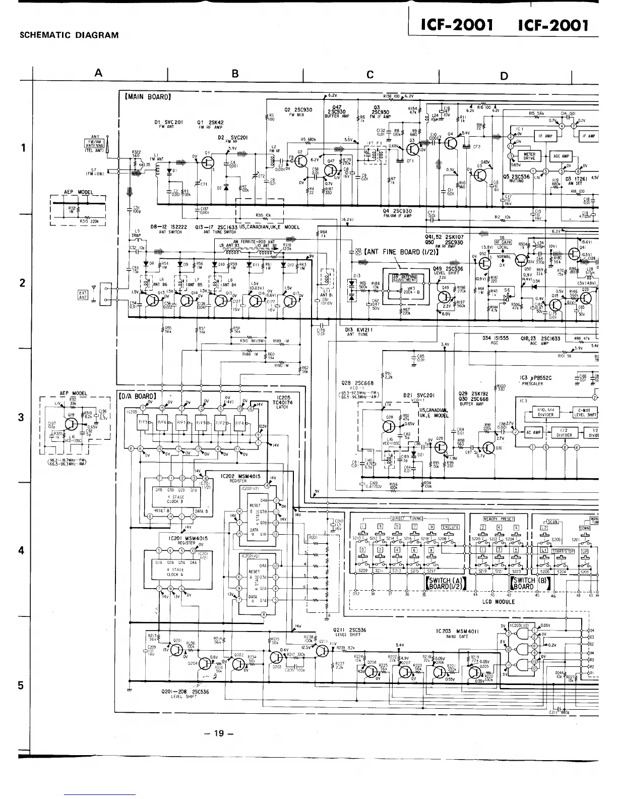
Sony ICF-2001 - Schematic Diagram

Sony ICF-2001
21 pages
Print Icon
To Next Page IconTo Next Page
To Next Page IconTo Next Page
To Previous Page IconTo Previous Page
To Previous Page IconTo Previous Page
Loading...

Other manuals for Sony ICF-2001

Related product manuals