EasyManua.ls Logo

Sony ICF-2001D - Page 19

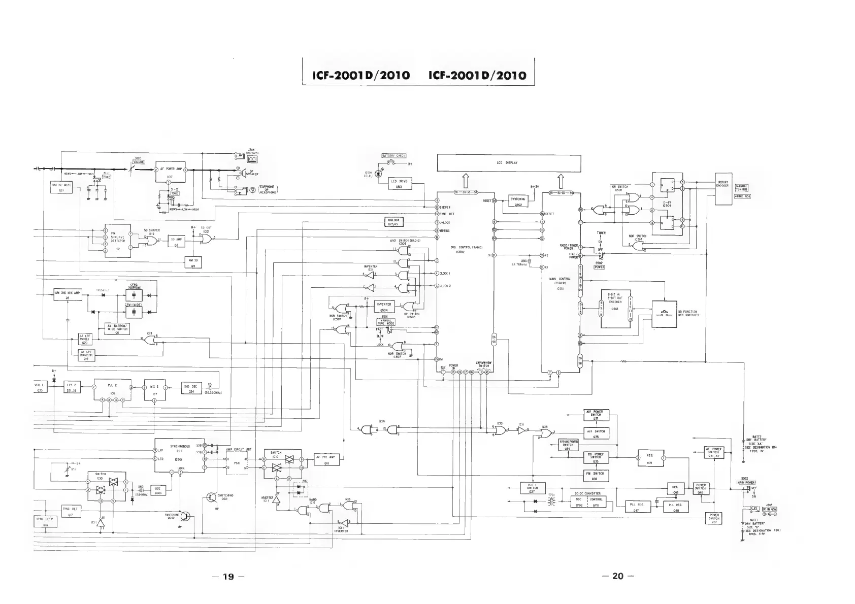
Sony ICF-2001D
78 pages
Print Icon
To Next Page IconTo Next Page
To Next Page IconTo Next Page
To Previous Page IconTo Previous Page
To Previous Page IconTo Previous Page
Loading...
4304
NEWS——LOW—=—HiGH,
vRe
VOLUME
OUTPUT
MUTE
oat
AF
POWER
AMP
(
reir
op
1
(RECORD)
J
iq
sp
seSixen
[-)
@
(
EARPHONE
)
‘OR
HEADPHONE,
ICF-2001D/2010
ICF-2001D/2010
BATTERY
CHECK
oh
5
os
ai
oso
(GY
oa
®
Ken
J
NEWS—-LOW—=—HIGH
FM
S~CURVE
DETECTOR
‘SD
SHAPER
Ieie
2
B+
AM
SD
a9
so
OUT
tele
2.
UNLOCK
025,43
AND
SWITCH
(RADIO)
ics06
INVERTER
Ich
Leo
DISPLAY
C—30-33—5)
)BEEPER
SYNC
DET
UNLOCK
'3)
MUTING
(9)
@)cuock
|
3)
cLock
2
SUB
CONTROL
(RADIO)
1502
LW/MW/SW
SWITCH
ROTARY
W
OR
SWITCH
ENCODER
|
[MANUAL
so
TUNING
|
TIME
ADI
SWITCHING
0502
9
Hi
me
€)-——___+_}
TIMER
{
NOR
SuiTcd
oN
pay
RADIO/
TIMER,
Donen
oe
4
TIMER
@
x81
(32,
768KH2)
$502
Dx
MAIN.
CONTROL
(TIMER)
icsol
8-8iT
IN
3-817
OUT
ENCODER
55
FUNCTION
KEY
SWITCHES
26
EA
WW
4
TAIR_
POWER
———J
switcr
o37
ao
=
ory
“BaTTERY
Aone
T
SIZE
“AR”
039
UEC
OeSIGNATION
R6)
FM
POWER
T
2pcs.
av
SWITCH
035
FM
SWITCH
vo
1
‘SWITCH
C-DC
CONVERTER
PLL REG
a7
crw2
6
om
ll
<J-
$C
2
‘AM
2ND
MIX
ANP.
é
i
05
Ha
rr
ane
INVERTER
:
oe]
9504
[+
i
sen
sae
sa
ai
ae
re
WOE
‘AM
NARROW/
‘i
woe
a
cer
06
‘AE
LPF
a
(wine
920
o
LOCK
AF_LPF
i
(NARROW)
Non
_swirch
aig
ot
B+
veo
2
LPF
2
+
PLL
2
=-—2)
MKe
2ND
osc
‘h
033
031,32
ice
ic
034
(55.390MH2)
8 2
@
cle
é
Bi
s
SYNCHRONOUS
SB)
Ap
cRGuITtMer
=
ROUT
@irr
veT
Sse
ae
SWITCH
(
Pi
AF
PRE
AMP
a+
{PSN
ot
018
=
Tt
5
|
‘SWITCH
——
1c10
Ba
pe
x60!
g
0+
(3.64MHz1
SWITCHING
x
0601
5
SYNC
DET
Lal
ar
SWITCHING
SYNC
GET2
0
Ce
sal
Ill
7
Ich
INVERTER
{SIZE
“D"
‘3PCS.
4.5V
PLL
REG.
5305
a
|
4s
ou
OC
IN
45y)
eco
BATT
SF
ORY
BATTERY
LCIEC
DESIGNATION
R20)

Related product manuals