EasyManua.ls Logo

Sony KDF-E42A11E - Page 49

Sony KDF-E42A11E
106 pages
Print Icon
To Next Page IconTo Next Page
To Next Page IconTo Next Page
To Previous Page IconTo Previous Page
To Previous Page IconTo Previous Page
Loading...
ABCDE F
G
HIJKLMN
1
2
3
4
5
6
7
8
9
10
11
O
- 49 -
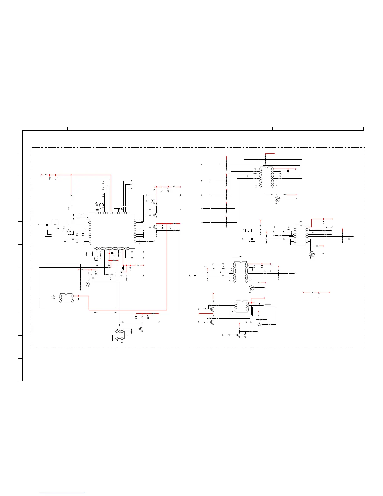
~ JB Board Schematic Diagram [ Audio Processor, AV Switch, Chroma Decoder, Video Processor, Main Micro ] Page 2/9 ~
A5V_1
A5V_1
Y_OUT1
A5V_1
A5V
Y_HDMI
MSB709-RT1
Q2501
SDA_5V
16V
10
C2519
A5V
A5V
CB_OUT1
RGB_SEL
16V
47
C2532
MSB709-RT1
Q2503
YSYNC
A5V
10uH
L2506
VS
A5V
A5V_1
CR_HDMI
A5V
A5V_1
16 15 14 13 12 11 10 9
87654321
MC74LVX8053DTR2
IC2506
16 15 14 13 12 11 10 9
87654321
MC74LVX8053DTR2
IC2601
A5V_1
R_IN
CVBS_MAIN
Y_OUT
CVBS_TRIDENT
G_IN
MSD601-RST1
Q2505
DTC115EUA-T106
Q2506
B_SCART2
CB_OUT1
A5V_1
MSD601-RST1
Q2513
G_SCART2
FB_IN
16V
47
C2524
MMDL914T1
D2503
YSYNC
MSD601-RST1
Q2510
DTC115EUA-T106
Q2508
FB2
16V
47
C2522
MMDL914T1
D2501
XX
L2503
A5V_1
B_IN
CB_OUT
10uH
L2504
A5V
1234567891011121314
15
16
17
18
19
20
21
22
23
24
2526272829303132333435363738
39
40
41
42
43
44
45
46
47
48
CXA2163AQ-T6
IC2501
CVBS1/Y1-IN
SYNC-IN
CVBS-OUT
VS
COMB Y-IN
D-VDD
COMB C-IN
D-GND
HS
SCP
YVI-OUT
SYNC-VCC
SCL
SDA
YS3
SYNC-GND
CR1-IN
CB1-IN
Y1-IN
APL-FIL
Y-OUT
CB-OUT
CR-OUT
YS1
B1-IN
G1-IN
R1-IN
Y/C-GND
CR2-IN
CB2-IN
Y2-IN
Y/C-VCC
B2-IN
G2-IN
R2-IN
YS2-YM
BPH-FIL
XTAL
C3-IN
APC-FIL
CVBS3
ADDRESS
C2-IN
CVBS2
COMB SYS
FSC-OUT
AFC-FIL
C1-IN
YHD_M
A5V_1
CR_OUT
123
46
FL2500
A5V_1
A5V
A5V_1
16V
47
C2535
A5V_1
C_MAIN
A5V
CB_HDMI
A5V
DTC115EUA-T106
Q2601
B_SCART1
CB
MMDL914T1
D2502
A5V_1
CR_OUT1
G_SCART1
CB_HD
FB_IN
54
321
TC7SET02FU(T5RSOJF)
IC2500
A
B
GND Y
VCC
CR
8765
4321
TC7WT241FU(TE12R)
IC2507
16V
47
C2531
B_IN
FB1
CR
A5V_1
FB_IN
A5V_1
MSD601-RST1
Q2509
RGB_SEL
10uH
L2500
FB_DET
10uH
L2510
RGB_SEL
CB
HDMI_SEL
HD
16 15 14 13 12 11 10 9
87654321
MC74LVX8053DTR2
IC2504
16V
10
C2591
XX
L2505
A5V_1
10uH
L2509
Y_MAIN
A5V_1
CR_HD
R_SCART2
HS
MSB709-RT1
Q2504
16V
47
C2500
MSB709-RT1
Q2502
XX
L2501
SCL_5V
R_SCART1
Y_OUT1
A5V
16V
47
C2537
10uH
L2507
G_IN
R_IN
MSD601-RST1
Q2514
CR_OUT1
10uH
L2508
A5V
X2500
6.3V
4.7
C2529
CHIPR2608 0
1/10W
R2612
10k
1/10W
10k
R2600
1/10W
10k
R2583
1/10W
4.7k
R2596
CHIP
0
R2568
25V
0.01
C2521
1/10W
27k
R2506
XX
C2514
1/10W
3.9k
R2508
1/10W
100
R2591
25V
C2603
0.01
1/10W
6.8k
R2597
1/10W
10k
R2594
16V
0.1
C2504
XX
R2585
CHIP
R2615
0
16V
0.1
C2502
1/10W
2.2k
R2546
1/10W
10k
R2513
XX
R2509
CHIP
0
R2534
CHIP
0
R2519
1/10W
150
R2548
CHIP
0
R2561
XX
R2504
XX
R2526
1/10W
10k
R2563
10V
0.47
C2559
1/10W
470
R2515
XX
R2570
CHIP
R2624
0
CHIP
0
R2588
1/10W
1k
R2595
1/10W
10k
R2582
10V
2.2
C2509
1/10W
6.8k
R2524
R2617
XX
CHIP
0
R2558
16V
0.1
C2536
25V
0.01
C2533
XX
R2527
25V
0.022
C2510
1/10W
1k
R2503
CHIP
R2607
0
10V
0.47
C2554
0
R2528
1/10W
100
R2599
1/10W
R2620
10k
0.01
C2508
XX
C2512
16V
0.1
C2501
1/10W
10k
R2581
1/10W
560
R2531
C2602
XX
XX
R2536
10V
0.47
C2553
16V
0.1
C2543
CHIP
0
R2571
R2606
XX
CHIP
R2619
0
16V
0.1
C2534
10V
0.47
C2506
16V
0.22
C2517
CHIP
0
R2577
10V
0.47
C2550
25V
0.01
C2516
CHIP
0
R2559
1/10W
100
R2501
1/10W
10k
R2566
1/10W
R2625
10k
1/10W
R2621
10k
CHIP
R2605
0
CHIP
0
R2507
1/10W
100
R2539
1/10W
10k
R2512
CHIPR2616
0
XX
R2532
XX
R2541
XX
R2525
CHIP
0
R2520
RN-CP
4.7k
R2589
1/10W
R2623
10k
16V
0.1
C2523
XX
R2505
1/10W
100
R2535
CHIP
0
R2567
CHIP
0
R2521
1/10W
10k
R2601
CHIP0
R2587
XX
C2542
1/10W
100
R2593
CHIP
R2610
0
1/10W
820
R2530
10V
0.47
C2552
1/10W
10k
R2578
1/10W
10k
R2586
1/10W
100
R2538
XX
C2540
1/10W
10k
R2579
25V
0.01
C2511
CHIP
0
R2569
CHIP
0
R2560
RN-CP
4.7k
R2573
1/10W
470
R2545
1/10W
10k
R2565
1/10W
5.6k
R2544
16V
0.1
C2527
25V0.01C2507
10V
0.47
C2560
10V
0.47
C2551
1/10W
47
R2549
16V
0.1
C2528
1/10W
10k
R2564
CHIP
R2627
0
XX
R2510
1/10W
10k
R2511
1/10W
100
R2502
CHIP
0
R2523
CHIP
0
R2529
1/10W
2.2k
R2547
CHIP
R2622
0
RN-CP
4.7k
R2590
1/10W
10k
R2580
10V
0.47
C2555
CHIP
R2618
0
XX
R2572
1/10W
10k
R2602
CHIP
0
R2576
XX
C2503
16V
0.1
C2520
1/10W
100
R2540
C2604
XX
XX
C2513
R2604
1M
1/10W
R2611
10k
CHIP
0
R2500
R2609
XX
1/10W
6.8k
R2522
25V
0.01
C2530
1/10W
10k
R2592
16V
0.1
C2526
CHIP
0
R2514
CHIP
0
R2518
XX
R2543
1/10W
100
R2542
1/10W
10k
R2598
XX
R2533
1/10W
1k
R2517
1/10W
R2603
10k
XX
R2516
1/10W
10k
R2562
1/10W
100
R2537
CHIP
R2613
0
C2601
XX
A5V
10uH
L2502
16V
47
C2505
A5V_1
50V
10p
C2518
JB
2/9
JB.-LE4B
COMPONENTS MARKED AS XX ARE NOT FITTED ON THIS MODEL
CHROMA DECODER
LOGIC GATE(SYNC ADDER)
ANALOGUE SWITCH (RGB)
ANALOGUE SWITCH (YUV)
ANALOGUE SWITCH (YUV)
ANALOGUE SWITCH

Table of Contents

Related product manuals