EasyManua.ls Logo

Sony KDF-E42A11E - Page 56

Sony KDF-E42A11E
106 pages
Print Icon
To Next Page IconTo Next Page
To Next Page IconTo Next Page
To Previous Page IconTo Previous Page
To Previous Page IconTo Previous Page
Loading...
ABCDE F
G
HIJKLMN
1
2
3
4
5
6
7
8
9
10
11
O
- 56 -
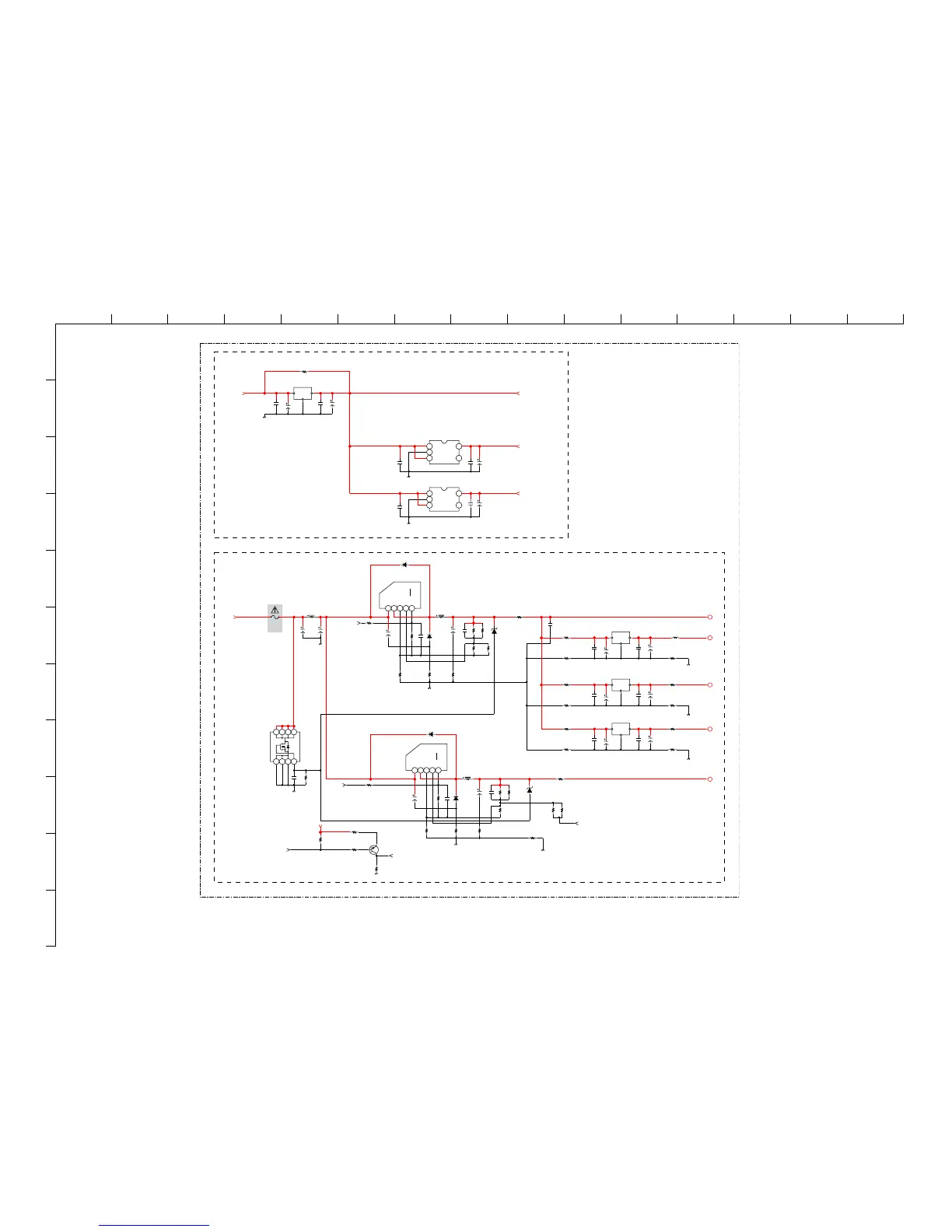
~ JB Board Schematic Diagram [ Audio Processor, AV Switch, Chroma Decoder, Video Processor, Main Micro ] Page 9/9 ~
D5700
XX
6.3V
100
C5721
D5702
XX
MM3Z4V3ST1
D5704
VCC
GND
OUT
BA18BC0FP-E2
IC5721
C5704
4.7
25V
VL1_8
EC21QS03L-TE12L
D5703
MSB709-RT1
Q7416
POWER2
0.1
C5727
25V
VDDMQO
12345
PQ1CZ41H2ZPH
IC5700
VIN
VOUT
COM
0ADJ
ON/OFF
POWER_AV
C5703
4.7
25V
1
VD3_3
25V
100
C5702
STBY3.3V
0.1
C5731
25V
25V
100
C5725
100
C5723
6.3V
EC21QS03L-TE12L
D5701
8765
4321
S1 S2 S3 G
D1D2D3D4
FDS6690A
Q5700
25V
100
C5701
47uH
L5702
F5700
2A
32V
25V
100
C5729
POWER2
POWER2
MM3Z4V3ST1
D5705
47uH
L5701
VCC
GND
OUT
L88M05T-FA-TL
IC5740
12345
PQ1CZ41H2ZPH
IC5701
VIN
VOUT
COM
0ADJ
ON/OFF
VD1_8
VA1_8
VCC
GND
OUT
BA18BC0FP-E2
IC5720
L5700
10uH
4.7uH
L5729
VCC
GND
OUT
BA25BC0FP-E2
IC5722
REG17.5V
XX
R9743
STBY5V
STBY
SENSE
6.3V
470
C5707
6.3V
470
C5709
25V
0.1
C5700
2.2k
R5714
CHIP
0
R5717
CHIP
0
R5718
R5725
XX
R5721
XX
1/10W
4.7k
R7566
0
R5720
CHIP
XX
R9771
R5730
XX
25V
C5742
0.1
R5727
XX
1/10W
1k
R5702
6.3V
0.1
C5728
25V
0.01
C5705
2.2k
R5716
1/10W
25V
0.1
C5722
XX
R5713
XX
R5709
0
R5724
CHIP
1.8k
R5711
0
R5728
CHIP
XX
R5703
R5705
XX
R5706
XX
C5708
XX
25V
0.01
C5706
CHIP
R5726
0
47k
R5704
25V
C5740
0.1
1/10W
1k
R5700
R5731
XX
R5708
XX
1/10W
4.7k
R7565
R5712
XX
6.3V
100
C5730
XX
R9772
R5719
XX
6.3V
100
C5726
XX
C5711
1/10W
2.2k
R5715
47k
R5707
R5723
XX
1/10W
2.2k
R5710
25V
0.1
C5720
6.3V
0.1
C5724
1/10W
1k
R5701
CHIP
R5722
0
4.7k
R5732
C5710
XX
C5741
25V
100
C5743
25V
100
25V
0.1
C1001
25V
0.1
C1002
54
321
S-1111B33MC-NYSTFG
IC1000
VIN
GND
ON/OFF
NC
VOUT
16V
10
C1004
16V
10
C1005
STBY2.5V
25V
0.1
C1003
25V
0.1
C1000
54
321
BH25FB1WG-TR
IC1001
VIN
GND
ON/OFF
VOUT
NC
STBY3.3V
CHIP
0
R7564
1/10W
100
R7567
TRIDENT POWER SUPPLY LINES
JB
9/9
JB.-LE4B
COMPONENTS MARKED AS XX ARE NOT FITTED ON THIS MODEL
3.3V STBY VOLTAGE REG
2.5V STBY VOLTAGE REG
3.3V VOLTAGE REG
1.8V VOLTAGE REG
2.5V VOLTAGE REG
1.8V VOLTAGE REG
1.8V VOLTAGE REG
5V STBY VOLTAGE REG

Table of Contents

Related product manuals