EasyManua.ls Logo

Sony MHC-VX5 - Connecting a VCR; Connecting External Antennas

Sony MHC-VX5
64 pages
Print Icon
To Next Page IconTo Next Page
To Next Page IconTo Next Page
To Previous Page IconTo Previous Page
To Previous Page IconTo Previous Page
Loading...
53
GB
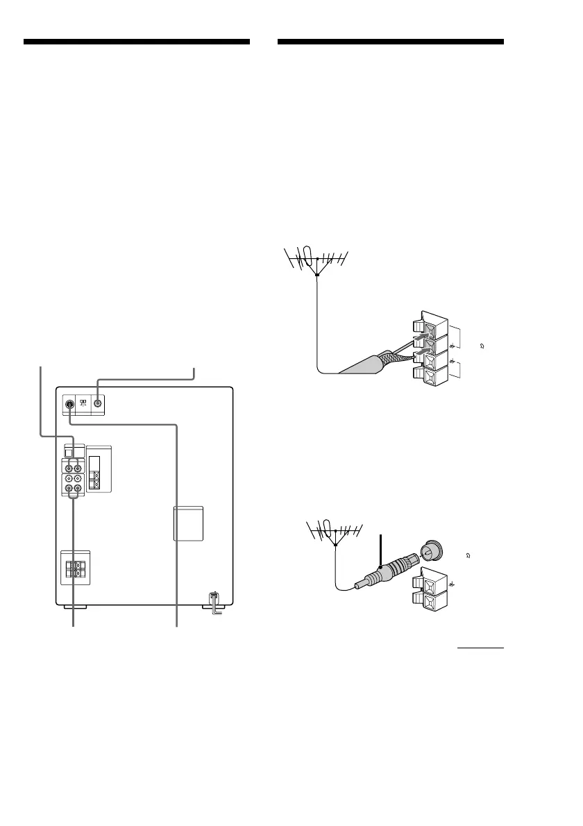
Connecting external
antennas
Connect the external antenna to improve the
reception. Refer to the instructions of each
component.
FM antenna
Connect the optional FM external antenna.
You can also use the TV antenna instead.
Jack type A
Jack type B
IEC standard socket
connector
(not supplied)
75-ohm coaxial cable
(not supplied)
Connecting a VCR
Make sure to match the color of the plugs and
the connectors. To listen to the sound of the
connected VCR, press FUNCTION repeatedly
until “VIDEO” appears.
By connecting the audio output jacks of your
VCR to the VIDEO (AUDIO) IN jacks using
an optional audio cable, you can enjoy video
playback in powerful stereo sound.
Moreover, if you connect the video input on
the VCR to the MD OUT jacks and VIDEO
OUT (or S VIDEO OUT) jack using the
supplied video connecting cable (or an
optional S VIDEO connecting cable), you can
record the audio and video signals from a
VIDEO CD onto video tape.
To the audio
outputs of the VCR
using an optional
audio cable
To the video input
of the VCR using
the video cable
To the S VIDEO input
of the VCR using an
optional S VIDEO
cable
To the audio inputs of
the VCR using an
optional audio cable
FM75
AM
COAXIAL
FM75
AM
continued

Table of Contents

Related product manuals