EasyManua.ls Logo

Sony MX-510 - Page 7

Sony MX-510
10 pages
Print Icon
To Next Page IconTo Next Page
To Next Page IconTo Next Page
To Previous Page IconTo Previous Page
To Previous Page IconTo Previous Page
Loading...
|
avizvi
w
6
ww
Visi
wW
£
Ww
|
.
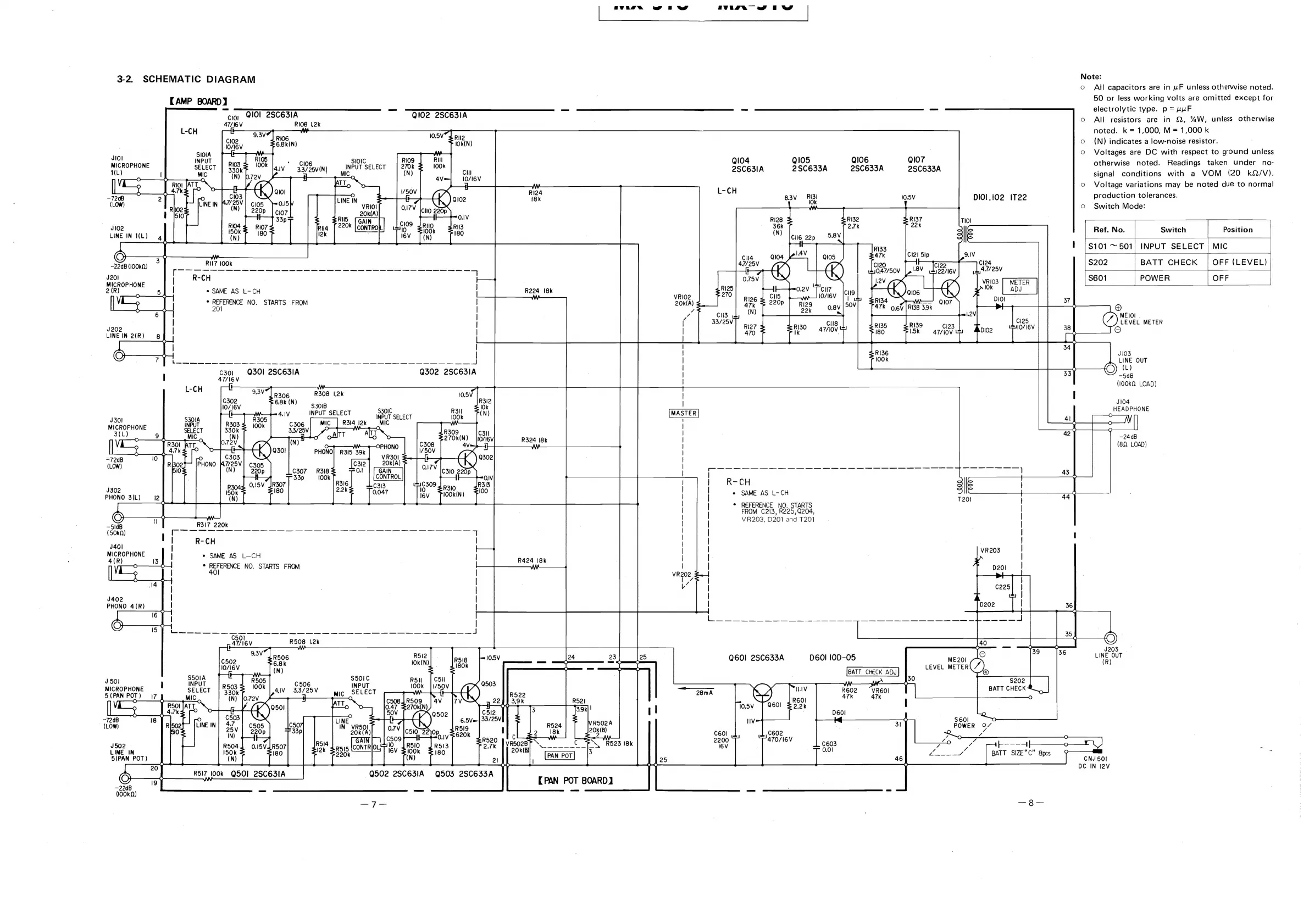
Note:
ae
regen
ea
oO
All
capacitors
are
in
uF
unless
otherwise
noted.
ARO
50
or
less
working
volts
are
omitted
except
for
CAMP
BO
1
SSS
|
ED
SES
———
=
SE
—_
electrolytic
type.
p
=
Bur
L-CH
a
“~~
noted.
k
=
1,000,
M
=
1,000
k
clo2
oe
o
(N)
indicates
a
low-noise
resistor.
|
lO/I6V
o
Voltages
are
DC
with
respect
to
ground
unless
BTC
ROPRONE
PUT
RIO3
‘oon
*
ClO6
silt
Qi04
Q105
Q106
QI07
otherwise
noted.
Readings
taken
under
no-
i(L)
ac
any.
b72V
Bt
SSCeviN)
eel
iia
2SC6SIA
ene
ee
eneoren
EOCESIA
signal
conditions
with
a
VOM
(20
k&Q/V).
|
=a
o
Voltage
variations
may
be
noted
due
to
normal
0
*
O
DIOL.
102
IT22
production
tolerances.
-7208
18k
(LOW)
sual
tt
©
Switch
Mode:
20k(A)
J102
RU5
590k
CONTRO
LINE
IN
1(L)
a
10
|
6—
~22dB
(l100kQ)
r
en
ee
a
ee
Ne
te
wk
a
eh
ea
og
ee,
i
eee
J201
|
MICROPHONE
2
(R)
:
5]
|
e
SAME
AS
L-CH
R224
I8k
|
=e
°
REFERENCE
NO.
STARTS
FROM
|
if
4
|
201
|
6
|
|
J202
|
LINEIN
2(R)
8
124
4.7/25V
VRIO3
METER
Ok
ADYJ
DIOL
37
C)
RI39
Cl23
15k
47/i0V
ry
e
SAME
AS
L—CH
|
4(R)
R424
|8k
|
Ret
No.
Switch
Position
$101
~
501;
INPUT
SELECT
|
MIC
$202
BATT
CHECK
|
OFF
(LEVEL)
$601
POWER
OFF
®
MEIOL
LEVEL
METER
|
|
34
R136
J103
O}
vet
100k
LINE
OUT
FF
ey
a
pe
eee
ee
a
i
O)
(L)
c301
Q30I
2SC63IA
33
~5dB
47/\6V
(100KN
LOAD)
Cr
9.3V
R308
1.2k
|
|
[
sige
C302
10/16V
S301B
C
|
HEADPHONE
QV
INPUT
SELECT
Re
eee
MASTER
4;
0
J
301
i
R305
R314
12k
MIC
°
O
MICROPHONE
F300
S
100k
|
=y—-+
3(L
|
~24dB
|
prev
ae
|
(80.
LOAD)
©
)
|
“7248.
—SC«O
Sk
|
(LOW)
4.7/25V
GO
eee
ee
et
oe ae
ee
ee
gt
ee
8
pe
le
ee
(N)
C307
R318
|
43
J
PHONO
3(L)
80k
|
MP
eienika:
aA
]
:
=
|
¢
REFERENCE
NO.
STARTS
Ro
dl
|
FROM
C213,
R225,
0204,
O
T
|
VR203,
D201
and
T201
—510B
R317
220k
:
(50k)
a
aa
ee
ge
ee
a
te
ee
ee
es,
ee
aye
eet
eee
7
|
R-CH
|
|
J40l
l
|
MICROPHONE
r
|
|
2
.
AG
ERENCE
NO.
STARTS
FROM
J402
PHONO
4(R)
a
ah
a
I
J
C50)
47/\6V
ee
ee
Q60I
2SC633A
—DGOI
10-05
NEZOI
lO/I6V
LEVEL
METER:
BATT
CHECK
ADJ
Joo
fa
wet
MICROPHONE
SELECT
R503
SELECT
R602
“VR6O1
S(PAN
POT)
17
C.
MIC
47k
47k
[ee
R50)Jart,
D6OI
oan
--72dB
O
(LOW)
POWER
O7
7
7
J502
“0
ra
}----1
LINE
IN
Foe
et
BATT
SIZE°C"
8x5
9
5(PAN
POT)
qooKa)
.
—-
8g—
CNJSOI
;
|
-,
DC
IN
l2V
Se
100k
_Q50
502
2SC63IA
Q503
2SC633A
O
Q50!_2SC63IA
Q
Q
CPAN
POT
BOARD]

Related product manuals